一、反激變換器拓撲的起源與演變
反激變換器拓撲源于對 buck-boost 拓撲的改進與演變。

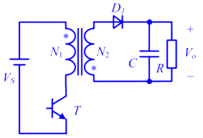
在升降壓電路中,電感通過周期性的充能與放能過程,維持著均勻的電壓輸出,同時使得輸出電壓與輸入電壓極性相反。而當我們將升降壓電路中的電感替換為互相耦合的電感 N? 和 N?(即變壓器)時,便誕生了反激拓撲。在這一拓撲中,變壓器不僅承擔著隔離變壓的關鍵作用,還兼具儲能電感的功能。


在升降壓電路中,電感通過周期性的充能與放能過程,維持著均勻的電壓輸出,同時使得輸出電壓與輸入電壓極性相反。而當我們將升降壓電路中的電感替換為互相耦合的電感 N? 和 N?(即變壓器)時,便誕生了反激拓撲。在這一拓撲中,變壓器不僅承擔著隔離變壓的關鍵作用,還兼具儲能電感的功能。

二、反激拓撲結構與特點
無需輸出濾波電感器 :得益于變壓器次級的天然濾波效果,反激拓撲省去了輸出濾波電感器的使用,這不僅有效減小了電源的體積,還有助于降低成本。
省卻次級高壓續流二極管 :反激拓撲的這一設計特點使其在高壓應用場合更具優勢,簡化了電路結構,提高了電路的可靠性和效率。
高電壓、小功率應用的理想選擇 :反激拓撲特別適用于高電壓、小功率的應用場景,能夠滿足此類場景下的電源需求,并提供穩定可靠的電源支持。


三、反激拓撲工作過程
Q? 導通階段 :當開關管 Q? 導通時,原邊繞組 Np 的同名端相對于異名端呈現負電壓,而副邊繞組 Nsm 的異名端電壓高于同名端,導致整流二極管 D? 反偏截止。此時,輸出電容器 C? 獨立承擔向負載供電的任務。在這一階段,原邊繞組 Np 相當于一個儲能電感器,流過 Np 的電流呈線性上升直至達到幅值 Ip。根據公式 dI/dt = (Vdc - Vds)/Lp,可以計算出在開關管導通結束之前的最大電流 Ip = (Vdc - Vds) × Ton/Lp。進而,變壓器儲存的能量可表示為 E = ½ × Lp × I²p。
Q? 關斷階段 :當開關管 Q? 關斷時,勵磁電感電流引發各繞組電壓反向,副邊繞組的電流回路隨之導通,為濾波電容器 C? 和負載提供電流。假設只有一個副邊繞組 Nm,則在關斷瞬間,變壓器電流幅值 Is = Ip × (Np/Nm)。對于變壓器本身而言,原邊和副邊并無絕對區分,對磁芯而言是等同的。因此,當 Q? 關斷時,能量釋放并不依賴于原邊繞組電流,副邊繞組電流同樣能夠實現能量的釋放,這正是變壓器傳遞能量的核心機制。
不連續模式下的功率計算 :若副邊電流在下一個周期開始前降至 0,則表明變壓器存儲的能量已在 Q? 再次導通前完全傳輸至負載端,此時變壓器工作在不連續模式。在這種情況下,一個周期 T 內輸入電壓 Vdc 提供的功率 P = ½ × Lp × I²p / T。結合 Ip = (Vdc - Vds) × Ton/Lp,可得 P ≈ (Vdc × Ton)² / (2 × T × Lp)。只要保持 Vdc 和 Ton 的穩定,就能確保輸出的穩定性。
〈烜芯微/XXW〉專業制造二極管,三極管,MOS管,橋堆等,20年,工廠直銷省20%,上萬家電路電器生產企業選用,專業的工程師幫您穩定好每一批產品,如果您有遇到什么需要幫助解決的,可以直接聯系下方的聯系號碼或加QQ/微信,由我們的銷售經理給您精準的報價以及產品介紹
〈烜芯微/XXW〉專業制造二極管,三極管,MOS管,橋堆等,20年,工廠直銷省20%,上萬家電路電器生產企業選用,專業的工程師幫您穩定好每一批產品,如果您有遇到什么需要幫助解決的,可以直接聯系下方的聯系號碼或加QQ/微信,由我們的銷售經理給您精準的報價以及產品介紹
聯系號碼:18923864027(同微信)
QQ:709211280