模擬開關,其核心功能在于實現信號鏈路的接通與斷開。以MOS管為基礎構建的模擬開關,因其在信號控制方面的獨特優勢而得名。
這種模擬開關具備諸多優良特性:功耗低、響應迅速、無需機械觸點、占用空間小、使用壽命長等,使其在自動控制系統和計算機領域獲得廣泛應用。


在工作原理方面,模擬開關一般由傳輸門或模擬多路復用器構成,其中核心結構為互補金屬氧化物半導體(CMOS)傳輸門。該傳輸門由PMOS管和NMOS管并聯組成,其柵極連接互補的控制信號(如EN和!EN)。當EN處于高電平時,PMOS管和NMOS管均處于導通狀態,信號得以通過;反之,當EN為低電平時,兩者均截止,信號被阻斷。這種設計使得CMOS傳輸門的導通電阻低(通常為幾歐姆到幾十歐姆),而關斷電阻高(通常達到兆歐級),非常適用于模擬信號的傳輸。此外,模擬多路復用器由多個傳輸門和控制邏輯組成,通過地址線選擇不同的輸入通道連接到輸出端,從而實現多路信號的時分復用,常見于數據采集系統中的通道選擇場景。
在電路設計中,模擬開關也有著廣泛應用。


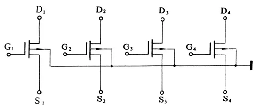
例如,在某一電路設計(圖1)中,場效應晶體管(mos管)T被用作開關元件。當柵極電壓uG處于高電位時,晶體管T導通,通過T的電流iD在電阻RD兩端產生壓降uD,相當于開關接通。而當uG為低電位時,T截止,iD及uD均為零,相當于開關斷開。除此之外,另一種由4個場效應晶體管集成的模擬開關電路(圖2)可用于傳送4路模擬信號。其中,G1~G4為控制端,D1~D4和S1~S4為開關端。通過將各管的源極S1~S4連接在一起,可組成共源組合,用作多路轉換開關;若將各管的柵極G1~G4連在一起,則形成共柵組合,可作為多路傳輸開關使用。
〈烜芯微/XXW〉專業制造二極管,三極管,MOS管,橋堆等,20年,工廠直銷省20%,上萬家電路電器生產企業選用,專業的工程師幫您穩定好每一批產品,如果您有遇到什么需要幫助解決的,可以直接聯系下方的聯系號碼或加QQ/微信,由我們的銷售經理給您精準的報價以及產品介紹


例如,在某一電路設計(圖1)中,場效應晶體管(mos管)T被用作開關元件。當柵極電壓uG處于高電位時,晶體管T導通,通過T的電流iD在電阻RD兩端產生壓降uD,相當于開關接通。而當uG為低電位時,T截止,iD及uD均為零,相當于開關斷開。除此之外,另一種由4個場效應晶體管集成的模擬開關電路(圖2)可用于傳送4路模擬信號。其中,G1~G4為控制端,D1~D4和S1~S4為開關端。通過將各管的源極S1~S4連接在一起,可組成共源組合,用作多路轉換開關;若將各管的柵極G1~G4連在一起,則形成共柵組合,可作為多路傳輸開關使用。
〈烜芯微/XXW〉專業制造二極管,三極管,MOS管,橋堆等,20年,工廠直銷省20%,上萬家電路電器生產企業選用,專業的工程師幫您穩定好每一批產品,如果您有遇到什么需要幫助解決的,可以直接聯系下方的聯系號碼或加QQ/微信,由我們的銷售經理給您精準的報價以及產品介紹
聯系號碼:18923864027(同微信)
QQ:709211280