一、電路構成
LED 燈泡控制電路主要由電阻、電容、二極管等元器件構成,電路板設計較為簡潔,元件數量不多。以一個典型電路為例,

電容 C1 和電阻 R1 組成阻容降壓電路,對 220V 交流電進行降壓處理。降壓后的電壓經橋式整流電路進行整流,隨后通過電容進行濾波,平滑電壓波動。最后,電流經過限流電阻 R3 輸出電壓,點亮兩組 LED 燈,僅需這些基本元件即可構成一個簡易 LED 燈泡。

電容 C1 和電阻 R1 組成阻容降壓電路,對 220V 交流電進行降壓處理。降壓后的電壓經橋式整流電路進行整流,隨后通過電容進行濾波,平滑電壓波動。最后,電流經過限流電阻 R3 輸出電壓,點亮兩組 LED 燈,僅需這些基本元件即可構成一個簡易 LED 燈泡。
二、工作原理


阻容降壓與整流濾波 :220V 交流電輸入后,首先經過 C1 降壓電容進行降壓,降低電壓至合適范圍。降壓后的交流電壓送入橋式整流電路,實現交流電到直流電的轉換。整流后的脈動直流電再經 C2 濾波電容濾波,進一步平滑電壓,減少紋波,為后續 LED 供電提供相對穩定的直流電壓。
恒流與保護機制 :限流電阻 R3 的作用是限制流經 LED 的電流,防止因電壓波動或溫度升高導致電流過大而損壞 LED,確保 LED 在額定電流下穩定工作。R1 作為保護電阻,可在一定程度上防止電路過流和過壓。R2 是電容 C1 的泄放電阻,當電源斷開時,釋放 C1 上儲存的電荷,避免殘留電壓對電路和人身安全造成危害。
開燈防沖擊保護 :由于 C1 的存在,開燈瞬間會產生較大的充電電流。C2 在此時能夠吸收這部分沖擊電流,防止其對 LED 造成損傷,起到開燈防沖擊的保護作用,延長 LED 的使用壽命。
三、電路設計注意事項
散熱問題 :LED 安裝密度高時,熱量難以散發,溫度升高會對 LED 的光衰和壽命產生顯著影響。散熱不佳可能導致光衰減,且 LED 溫度升高會使電流增大,大功率照明產品制作中需特別注意散熱設計,以保證 LED 的穩定性和使用壽命。小功率 LED 通常采用自散熱方式,因此在電路設計中需謹慎控制電流大小,避免因電流過大導致 LED 過熱。
元件選擇 :在選擇降壓電容 C1 時,應選用耐壓 400V 以上的滌綸或 CBB 電容,以確保其在 220V 交流電源下可靠工作,避免電容擊穿引發故障和安全隱患。濾波電容 C2 的耐壓需達到 250V 以上,以滿足電路的電壓要求并保證其正常工作。
四、應用場景與優勢
該電路特別適用于小功率燈杯,具有體積小、便于安裝的特點,被廣泛應用于各類燈杯產品中。其優勢包括恒流源供電,保證 LED 穩定發光;低功耗設計,節能效果顯著;整體結構小巧經濟,降低了生產成本和使用成本。該電路可驅動 20 至 40 顆 20mA 的 LED,滿足多種照明場景的需求,如家庭照明、商業照明中的裝飾燈、指示燈等小功率照明應用。
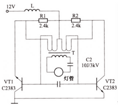
五、12V 低壓節能燈電路


如圖所示是一款 12V 低壓節能燈電路,工作電流約 2A。燈管啟動時,12V 電源接通,由三極管 VT1、VT2、C1 和變壓器 T 組成的震蕩電路產生幾十千赫茲的高頻交流電。該高頻交流電經升壓變壓器 T 升壓后,為熒光燈提供工作電壓。此電路中,震蕩晶體管 VT1、VT2 和變壓器 T 發熱量小,功率因數較高,適合用于移動照明或長時間應急照明場景。供電電源可以是 10~14V 的直流電源,例如汽車的 12V 電瓶,方便在不同電源環境下使用。
〈烜芯微/XXW〉專業制造二極管,三極管,MOS管,橋堆等,20年,工廠直銷省20%,上萬家電路電器生產企業選用,專業的工程師幫您穩定好每一批產品,如果您有遇到什么需要幫助解決的,可以直接聯系下方的聯系號碼或加QQ/微信,由我們的銷售經理給您精準的報價以及產品介紹
〈烜芯微/XXW〉專業制造二極管,三極管,MOS管,橋堆等,20年,工廠直銷省20%,上萬家電路電器生產企業選用,專業的工程師幫您穩定好每一批產品,如果您有遇到什么需要幫助解決的,可以直接聯系下方的聯系號碼或加QQ/微信,由我們的銷售經理給您精準的報價以及產品介紹
聯系號碼:18923864027(同微信)
QQ:709211280