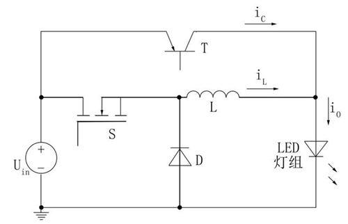
在汽車 LED 照明系統的設計中,有源紋波補償 Buck 電路拓撲結構發揮著至關重要的作用。由于電解電容在高溫環境下的使用壽命會顯著降低,這直接對 LED 照明系統的可靠性造成了嚴重的影響。特別是在汽車前照燈的應用場景中,發動機散熱的問題使得 LED 驅動電源電路的壽命大幅縮短。
汽車前照燈因受發動機散熱影響,其 LED 驅動電源電路的使用壽命會受到明顯沖擊。鑒于電解電容的工作溫度升高時,壽命會大幅縮短這一特性,在采用 Buck 電路作為開關電路以實現高效電能轉換的過程中,通過運用線性電路來抑制電路紋波,從而衍生出有源紋波補償 Buck 電路。這種電路設計能夠實現高可靠性、長壽命的 LED 驅動,有效解決了傳統 Buck 電路在高溫環境下因電解電容壽命問題而導致的系統可靠性下降的難題。


一、典型電路參數與元件選型
該汽車 LED 照明系統以標準 24V 直流供電電壓為基礎,所選用的 LED 型號為 XR - M3,其額定功率達到 30W,工作電流為 0.7A。經計算,LED 燈組的靜態等效電阻 R 為 6.8Ω。在電路中,電感 L 的取值為 220uH,輔助補償電源電壓設定為 18V。
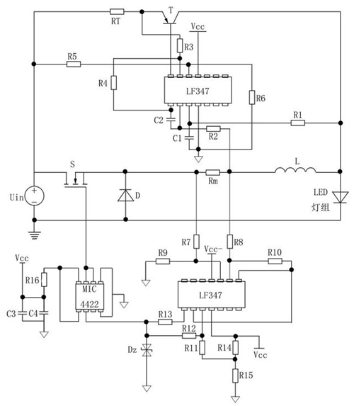
對于功率開關器件,選用了 NMOS 管。續流二極管則采用了 MBR10100 肖特基二極管,以滿足快速續流的要求。補償電路中的三極管選型為 S8550,而補償電路的集成放大器則采用了 LF347 芯片。此外,功率驅動芯片選用了 MIC4422,以確保驅動信號的穩定性和可靠性。
二、汽車 LED MOS 管選型的關鍵要點
(一)功率和電壓要求
必須依據 LED 的功率需求以及工作電壓范圍,精準確定 MOS 管的額定功率與耐壓等級。如此一來,可以確保 MOS 管在 LED 的正常工作電壓區間內保持穩定的工作狀態,避免因過壓或過載等問題導致 MOS 管損壞,進而保障整個 LED 照明系統的可靠運行。
(二)電流承受能力
在 LED 驅動電路中,MOS 管的主要功能之一是控制電流。因此,所選 MOS 管必須具備承受所需電流的能力。若 MOS 管的電流承受能力不足,在實際工作過程中就容易因過載而損壞,這將直接影響 LED 照明系統的正常運行,甚至可能引發安全隱患。合理的選型需要充分考慮 LED 驅動電路中的最大工作電流,并預留一定的裕量,以確保 MOS 管能夠在長期工作過程中穩定地控制電流,滿足 LED 的照明需求。
(三)開關速度
為了滿足 LED 驅動對于亮度調節以及降低頻閃等特性的要求,MOS 管的開關速度成為選型時的重要考量因素。較快的開關速度能夠使 MOS 管在高頻工作狀態下,更精準地控制 LED 的電流變化,從而實現更細膩的亮度調節和更少的頻閃現象。在選型過程中,需要重點關注 MOS 管的數據手冊中所提供的開啟和關閉時間參數,確保所選 MOS 管的開關速度與 LED 驅動電路的工作頻率以及系統性能要求相匹配,以充分發揮其在 LED 照明系統中的優勢。
(四)熱特性
在 LED 驅動的過程中,MOS 管不可避免地會產生熱量。若 MOS 管的導熱性能不佳,或者其最大工作溫度裕量不足,那么在長時間的工作過程中,熱量的積累將導致 MOS 管的溫度不斷升高。這不僅會影響 MOS 管自身的性能,如增加導通電阻、降低開關速度等,還可能進一步影響整個 LED 照明系統的性能和穩定性。嚴重時,甚至可能引起熱失效,縮短系統的使用壽命。因此,在選型時,必須充分考慮 MOS 管的導熱性能以及最大工作溫度限制,必要時還需配備有效的散熱措施,以確保系統在各種工況下都能保持良好的熱平衡,維持穩定的運行狀態。
(五)封裝類型
汽車工作環境通常伴隨著振動以及較大的溫度變化范圍。鑒于此,選擇 MOS 管時,封裝類型的耐高溫性能以及抗震動性能至關重要。常見的適用于汽車 LED 照明系統的 MOS 管封裝類型有 TO - 220、DPAK 等。這些封裝形式經過特殊設計,具備較強的環境適應性,能夠在惡劣的汽車工作環境中保持良好的電氣性能和機械穩定性,確保 MOS 管在車輛行駛過程中的可靠性,從而為汽車 LED 照明系統提供穩定持久的驅動支持。
〈烜芯微/XXW〉專業制造二極管,三極管,MOS管,橋堆等,20年,工廠直銷省20%,上萬家電路電器生產企業選用,專業的工程師幫您穩定好每一批產品,如果您有遇到什么需要幫助解決的,可以直接聯系下方的聯系號碼或加QQ/微信,由我們的銷售經理給您精準的報價以及產品介紹
〈烜芯微/XXW〉專業制造二極管,三極管,MOS管,橋堆等,20年,工廠直銷省20%,上萬家電路電器生產企業選用,專業的工程師幫您穩定好每一批產品,如果您有遇到什么需要幫助解決的,可以直接聯系下方的聯系號碼或加QQ/微信,由我們的銷售經理給您精準的報價以及產品介紹
聯系號碼:18923864027(同微信)
QQ:709211280