穩壓器是一種用于穩定輸出電壓的設備,廣泛應用于各種電子系統和電力供應場景中。其核心組成部分包括調壓電路、控制電路以及伺服電機等。當輸入電壓或負載發生變化時,控制電路負責進行取樣、比較和放大操作,隨后驅動伺服電機轉動,進而改變調壓器碳刷的位置。通過自動調整線圈匝數比,最終實現輸出電壓的穩定。本文將詳細介紹幾種常見的穩壓器類型及其工作原理。
一、單相補償式穩壓器
單相補償式穩壓器主要由調壓變壓器 T1 和補償變壓器 T2 組成。

其工作原理如下:補償變壓器低壓側的線圈串聯在穩壓器的主回路中,這意味著穩壓器輸出的能量主要通過補償變壓器的低壓側線圈直接供給輸出負載。只要將補償變壓器的二次線圈線徑設計得足夠大,就可以實現較大功率的穩壓器。調壓變壓器 T1 的任務是承擔輸入電壓與輸出電壓之間的差額部分。根據穩壓器允許的輸入電壓變化范圍,調壓變壓器 T1 的功率大小通常為穩壓器實際容量的幾分之一。穩壓器的配比參數決定了調壓變壓器的大小。這種穩壓器的優點在于能夠有效地補償電壓波動,提供相對穩定的輸出電壓,適用于對電壓穩定性要求較高的單相用電設備,如家庭電器、小型辦公設備等。

其工作原理如下:補償變壓器低壓側的線圈串聯在穩壓器的主回路中,這意味著穩壓器輸出的能量主要通過補償變壓器的低壓側線圈直接供給輸出負載。只要將補償變壓器的二次線圈線徑設計得足夠大,就可以實現較大功率的穩壓器。調壓變壓器 T1 的任務是承擔輸入電壓與輸出電壓之間的差額部分。根據穩壓器允許的輸入電壓變化范圍,調壓變壓器 T1 的功率大小通常為穩壓器實際容量的幾分之一。穩壓器的配比參數決定了調壓變壓器的大小。這種穩壓器的優點在于能夠有效地補償電壓波動,提供相對穩定的輸出電壓,適用于對電壓穩定性要求較高的單相用電設備,如家庭電器、小型辦公設備等。
二、單相 SVC 直接調壓穩壓器
單相 SVC 直接調壓穩壓器的工作原理如下:

A 點為單相穩壓器的輸入側,B 點為輸出側。該穩壓器利用取樣電路實時監測穩壓器輸出的兩點間電壓。當輸出電壓升高時,控制電路驅動電機朝自耦變壓器降壓的方向移動(A 點所對應的箭頭向上移動),直到輸出電壓達到預定值,此時停止控制電機運動。相反,當輸出電壓降低時,控制電路則驅動電機朝自耦變壓器升壓的方向轉動(A 點所對應的箭頭向下移動),直至輸出電壓達到所需值。這種直接調壓式的穩壓器具有結構簡單、響應速度快的特點,能夠快速調整輸出電壓以適應負載變化的需求。它適用于對電壓調節速度有一定要求的單相用電場合,如工業控制中的部分單相設備供電等。


A 點為單相穩壓器的輸入側,B 點為輸出側。該穩壓器利用取樣電路實時監測穩壓器輸出的兩點間電壓。當輸出電壓升高時,控制電路驅動電機朝自耦變壓器降壓的方向移動(A 點所對應的箭頭向上移動),直到輸出電壓達到預定值,此時停止控制電機運動。相反,當輸出電壓降低時,控制電路則驅動電機朝自耦變壓器升壓的方向轉動(A 點所對應的箭頭向下移動),直至輸出電壓達到所需值。這種直接調壓式的穩壓器具有結構簡單、響應速度快的特點,能夠快速調整輸出電壓以適應負載變化的需求。它適用于對電壓調節速度有一定要求的單相用電場合,如工業控制中的部分單相設備供電等。

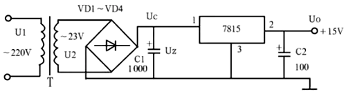
三、直流穩壓電源電路
以下是一個使用三端穩壓塊 7815 組成的穩壓電源電路圖。該電路中,T 為電源變壓器,市電 220V 經變壓器 T 降壓后,在副邊繞組輸出 23V 的交流電。隨后,交流電經 VD1~VD4 整流和 C1 濾波,轉變為較為平滑的直流電。該直流電被輸送到穩壓塊 7815 進行穩壓處理,再經電容 C2 進一步濾波,最終輸出穩定的 +15V 直流電壓,為負載提供穩定的直流電源。這種基于三端穩壓器的直流穩壓電源電路具有電路簡單、可靠性高、輸出電壓穩定等特點,廣泛應用于各種直流供電設備中,如電子儀器、通信設備等。在實際應用中,可根據負載的需求選擇不同輸出電壓值的三端穩壓塊,以滿足多樣化的直流供電要求。
〈烜芯微/XXW〉專業制造二極管,三極管,MOS管,橋堆等,20年,工廠直銷省20%,上萬家電路電器生產企業選用,專業的工程師幫您穩定好每一批產品,如果您有遇到什么需要幫助解決的,可以直接聯系下方的聯系號碼或加QQ/微信,由我們的銷售經理給您精準的報價以及產品介紹
聯系號碼:18923864027(同微信)
QQ:709211280