一、繼電器驅動電路概述
在單片機驅動系統中,繼電器驅動電路是實現電氣隔離與信號轉換的關鍵模塊,它能夠有效地保護單片機免受繼電器線圈產生的高壓沖擊,并實現對大功率負載的精確控制。本文將詳細剖析繼電器驅動電路的原理、工作狀態以及各元器件的具體作用。
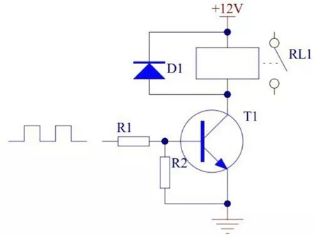
一個單片機驅動電路中經常用到的繼電器驅動電路

一個單片機驅動電路中經常用到的繼電器驅動電路

二、低電平輸入狀態分析


當輸入低電平時,電路中各點呈現如下狀態:VF1為0.4V,VF3為0V,此時繼電器觸點處于關斷狀態(常開型繼電器的典型特征),而VF2達到5V。經測量,A1電流為9.75pA,A2電流為88.9pA,這表明晶體管正處于截止狀態,無足夠電流驅動繼電器線圈,確保電路處于安全的斷開狀態。
三、高電平輸入狀態分析
當輸入高電平時,電路狀態發生顯著變化:VF1升至2.4V,VF3高達12V,繼電器觸點隨之導通(常開型繼電器吸合),此時VF2降至0.125V。A1電流劇增至915μA,A2電流更是達到48.8mA,這表明晶體管已完全進入飽和導通狀態,為繼電器線圈提供了接近其額定電流40mA的驅動電流,確保繼電器可靠吸合,實現對負載的有效控制。
四、晶體管驅動電路設計
在晶體管驅動繼電器的應用場景中,推薦優先選用NPN型三極管構建驅動電路。其電路結構如下:

晶體管T1擔當控制開關的角色,當輸入高電平時,T1飽和導通,繼電器線圈得電,觸點隨之吸合;而當輸入低電平時,T1截止,繼電器線圈斷電,觸點則斷開,精準實現對繼電器的控制功能。

晶體管T1擔當控制開關的角色,當輸入高電平時,T1飽和導通,繼電器線圈得電,觸點隨之吸合;而當輸入低電平時,T1截止,繼電器線圈斷電,觸點則斷開,精準實現對繼電器的控制功能。
五、關鍵元器件功能解析
晶體管T1:作為電路的核心控制元件,T1的導通與截止狀態直接決定了繼電器的工作狀態,是整個驅動電路的執行機構。
電阻R1:主要承擔限流任務,有效降低晶體管T1的功耗,防止因電流過大而導致晶體管過熱損壞,對電路的穩定運行起到關鍵的保護作用。
電阻R2:確保晶體管T1在無輸入信號或低電平輸入時可靠截止,避免電路出現誤動作,增強電路的抗干擾能力和穩定性。
二極管D1:在晶體管T1由導通轉為關斷瞬間,繼電器線圈產生的反向電動勢可達數百伏特,極易損壞晶體管。D1反接于繼電器線圈兩端,為線圈中的電流提供續流泄放路徑,將線圈電壓箝位在+12V左右,有效保護晶體管T1不受反向電動勢沖擊,確保電路安全可靠運行。
〈烜芯微/XXW〉專業制造二極管,三極管,MOS管,橋堆等,20年,工廠直銷省20%,上萬家電路電器生產企業選用,專業的工程師幫您穩定好每一批產品,如果您有遇到什么需要幫助解決的,可以直接聯系下方的聯系號碼或加QQ/微信,由我們的銷售經理給您精準的報價以及產品介紹
聯系號碼:18923864027(同微信)
QQ:709211280