TDA2030功放電路,TDA2030單電源接法介紹
〈烜芯微/XXW〉專業制造二極管,三極管,MOS管,橋堆等,20年,工廠直銷省20%,上萬家電路電器生產企業選用,專業的工程師幫您穩定好每一批產品,如果您有遇到什么需要幫助解決的,可以直接聯系下方的聯系號碼或加QQ/微信,由我們的銷售經理給您精準的報價以及產品介紹
一、單電源OTL電路


(一)電路形式
單電源OTL功放電路采用單電源供電,并在電路中設置輸出耦合電容。其中,電阻R5(150kΩ)與R4(4.7kΩ)共同決定了放大器的閉環增益。具體而言,R4的阻值越小,閉環增益則越大。然而,增益的提升是一把雙刃劍,過大的增益容易引發信號失真問題,因此在設計過程中需要根據實際需求對增益進行合理調節,以在信號放大效果與保真度之間取得平衡。
(二)關鍵元件及作用
電路中接入電源與輸出端之間的兩個二極管,其主要功能是防止揚聲器作為感性負載產生反沖現象,進而影響音質輸出。此外,C3(0.22uF)電容與R6(1Ω)電阻的組合則針對感性負載(如喇叭)進行相位補償,有效消除自激現象,確保電路穩定運行。該OTL電路通常采用36V單電源供電,能夠輸出約20W的功率,可滿足一般音頻播放設備的功率需求。
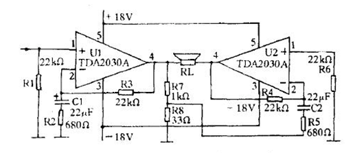
二、雙電源OCL電路


(一)電路特點
雙電源OCL功放電路的核心特征在于采用雙電源供電模式,并且省略了輸出耦合電容。這一設計使得電路在低頻響應方面得到顯著改善,有效提升了低頻信號的還原能力,因此OCL電路被廣泛應用于高保真音頻設備中,能夠為聽眾帶來更加純凈、自然的音質體驗。
(二)電源配置
在電源配置方面,雙電源通常采用初級線圈中間點接地,上下電壓對稱相等的變壓器。經過整流濾波等一系列處理后,形成±18V的對稱雙電源。在這樣的電源支持下,OCL電路能夠穩定輸出20W的功率,為音頻設備提供充足的能量保障,同時對稱的電源設計有助于進一步降低電路噪音,提升音質的純凈度。
三、BTL形式功放電路


BTL功放電路以其獨特的設計結構備受關注,其主要特點包括以下兩個方面:
(一)電路組成
由兩個完全相同的功放單元構成,這種對稱的結構設計是BTL電路實現其高性能表現的基礎。兩個功放單元協同工作,相互補充,共同作用于輸入信號,從而提升整個電路的輸出功率和音質表現。
(二)信號輸入要求
輸入信號需要互為反相,這是BTL電路正常工作的關鍵條件之一。在實際電路設計中,通常利用放大器的同相輸入端與反相輸入端來實現這一要求。同時,為了確保電路的最佳性能,還需保證兩個輸入信號的幅度相同。通過這種方式,BTL電路能夠充分發揮其優勢,實現高效的信號放大和傳輸,為高功率、高品質的音頻輸出提供有力支持,滿足專業音頻設備對于功率和音質的嚴苛要求。
聯系號碼:18923864027(同微信)
QQ:709211280