一、雙電源互補對稱功率放大器(OCL 電路)

(一)電路結構概述
雙電源互補對稱功率放大器(OCL 電路)主要由 NPN 型晶體管 VT1、PNP 型晶體管 VT2 以及負載構成,其工作依賴于兩組幅值相等且極性相反的正負電源。該電路中,輸入信號 Ui 從 VT1 與 VT2 的基極輸入,而負載一般用電阻 Rl 表示。其中,VT1 稱為上功率輸出管,VT2 稱為下功率輸出管。
(二)工作原理詳解
當輸入信號電壓處于正半周時,VT1 會正向導通,與此同時 VT2 截止。此時,正電源 +VCC 通過 VT1 的集電極 - 發射極結(c-e 結),經負載 Rl 形成回路,于是在負載 Rl 上能夠獲取到放大后的正半周信號。反之,當輸入信號電壓處于負半周時,VT1 截止,VT2 則正向導通。此時,負電源 - VCC 經負載 Rl 與 VT2 的發射極 - 集電極結(e-c 結)流向負電源,進而在負載 Rl 上得到放大的負半周信號。正負半周信號在負載 Rl 上相互疊加合成完整的全波信號。該電路被命名為互補對稱電路,正是因為 VT1 和 VT2 交替工作,二者相互補充,共同實現了對輸入信號的完整放大。
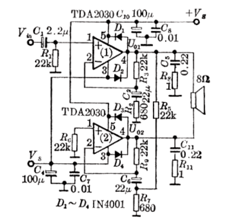
二、雙電源供電 BTL 音頻功放電路


雙電源供電 BTL 音頻功率放大器的典型構成是采用兩塊 TDA2030 芯片搭建而成的 BTL 功放電路。其中,TDA2030(1)被配置為同相放大器。輸入信號 Vin 經交流耦合電容 CI 輸入至同相輸入端(①腳)。該電路的交流閉環增益計算公式為 Kvc① = 1 + R3/R2,通常情況下,當 R3 和 R2 取適當值時,交流閉環增益約為 30dB 左右。同時,R3 還在電路中起到構成直流全閉環組態的作用,這一設計有助于確保電路的直流工作點穩定,從而保障整個音頻功放電路的穩定運行與信號的精準放大。
〈烜芯微/XXW〉專業制造二極管,三極管,MOS管,橋堆等,20年,工廠直銷省20%,上萬家電路電器生產企業選用,專業的工程師幫您穩定好每一批產品,如果您有遇到什么需要幫助解決的,可以直接聯系下方的聯系號碼或加QQ/微信,由我們的銷售經理給您精準的報價以及產品介紹
聯系號碼:18923864027(同微信)
QQ:709211280