DC/DC 轉換器是一種將輸入直流電壓轉換為不同直流電壓值的開關電源裝置,通過周期性控制開關器件(如 MOSFET 或晶體管)的通斷,實現輸入電壓的脈沖調制,從而達到電壓變換及自動穩壓的功能。具體可分為以下三種類型:
Buck 降壓型 :將高電壓轉換為低電壓,如將 5.0V 直流電壓轉換為 1.5V。
Boost 升壓型 :將低電壓提升至高電壓,如將 5.0V 直流電壓轉換為 12.0V。
Buck-Boost 降壓升壓型 :可實現電壓的升降壓轉換,輸出電壓極性還可反轉。
二、工作原理及原理圖
(一)BUCK 降壓型
狀態一 :當開關管 S1 閉合時,輸入能量經電容 C1、S1、電感 L1、電容 C2 向負載 RL 供電,此時電感 L1 儲存能量。根據公式,可得加在電感 L1 上的電壓為:Vin-Vo=L*di/dton。。
狀態二 :當開關管 S2 關斷時,能量由電感 L1 釋放,經電容 C2、負載 RL、二極管 D1 形成續流回路,此時有公式: L*di/dtoof= Vo 。最終可得輸出電壓與輸入電壓的關系為Vo/Vin=D,其中 D 為占空比,且因 D ≤ 1,故 Vo永遠小于 Vin 。
各元件作用 :
輸入電容 C1 穩定輸入電壓;輸出電容 C2 平滑輸出電壓;二極管 D1 在開關關斷時為電感提供續流路徑;電感 L1 儲存并向負載傳輸能量。


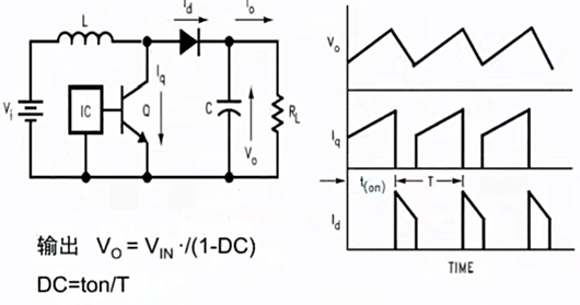
(二)BOOST 升壓型
工作原理 :當開關管導通時,輸入電壓對電感 L 充電,形成回路:輸入 Vi → 電感 L → 開關管 Q。當開關管關斷時,電感釋放能量,與輸入能量共同向輸出端供電,形成回路:輸入Vi → 電感 L → 二極管 D → 電容 C → 負載 RL,從而實現輸出電壓高于輸入電壓的升壓功能。


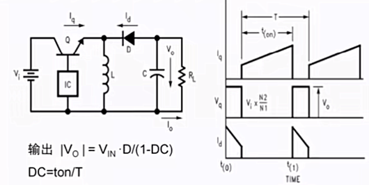
(三)BUCK-BOOST 極性反轉升降壓型
狀態一 :開關管開通,二極管 D 反向截止,電感 L 儲能,電流路徑為:輸入 V in→ 開關管 Q → 電感 L。
狀態二 :開關管關斷,二極管 D 正向導通續流,電流路徑為:電感 L → 電容 C → 負載 RL → 二極管 D。
根據公式Vo=VinxD/(1-D) ,當 D = 0.5 時,Vo=Vin ;當 D < 0.5 時,Vo<Vin(降壓);當 D > 0.5 時,Vo>Vin
?(升壓)。該拓撲結構還可用于產生負向電壓,適用于某些不便于使用隔離變壓器抽頭獲取負電壓的場合。

〈烜芯微/XXW〉專業制造二極管,三極管,MOS管,橋堆等,20年,工廠直銷省20%,上萬家電路電器生產企業選用,專業的工程師幫您穩定好每一批產品,如果您有遇到什么需要幫助解決的,可以直接聯系下方的聯系號碼或加QQ/微信,由我們的銷售經理給您精準的報價以及產品介紹

〈烜芯微/XXW〉專業制造二極管,三極管,MOS管,橋堆等,20年,工廠直銷省20%,上萬家電路電器生產企業選用,專業的工程師幫您穩定好每一批產品,如果您有遇到什么需要幫助解決的,可以直接聯系下方的聯系號碼或加QQ/微信,由我們的銷售經理給您精準的報價以及產品介紹
聯系號碼:18923864027(同微信)
QQ:709211280