常用儀表放大器詳解
儀表放大器在信號處理系統中主要用于放大電壓信號,其應用廣泛且至關重要。
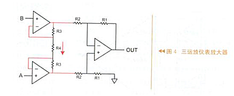
一、OP07 基本放大電路
OP07 是一款常見的運算放大器,可構成基本放大電路。例如,當電阻 RI33 為 68kΩ,RI34 為 2kΩ 時,放大倍數 G=RI33/RI34=68/2=34。


二、三運放儀表放大器


三運放儀表放大器具有獨特設計。第一級電路使共模信號有效通過而無放大或衰減,第二級差動放大器去除共模信號。雖然電阻匹配未改善,但系統有效共模抑制能力增強。
實際應用注意事項
第一級必須提供增益。
系統的共模抑制不取決于前兩個放大器的共模抑制比性能,而取決于兩個共模抑制的匹配程度。由于雙運算放大器不提供這一指標,選擇時要求 CMRR 性能指標比目標性能至少好 6dB。
若電阻器存在對地泄露通路,CMRR 指標會降低。
儀表放大器前面的元件設計要平衡。若同相通路和反相通路的低通濾波器截止頻率不同,系統 CMRR 特性會隨頻率升高而降低。
對于第一級,每個運算放大器保持兩個電壓輸入端電壓相同。圖中 R4 兩端差分電壓應與兩個輸入端電壓相同,此電壓產生電流流過 R3,形成放大器增益。
常見問題
該結構放大差分信號并去除共模信號。兩級間中間節點承載約一半差分信號加共模信號,需確保其處于運放工作范圍內。若改變輸入電壓共模成分出現飽和現象,應檢查此處。
高增益設置使 R4 很小,差分電壓大時,R4 上電流也大,需檢查對系統的影響。
反饋通路走線要短,過大電容會使高頻時共模抑制比性能降低。
三、兩運放儀表放大器


若無需三運放結構的高性能,可采用兩運放結構,其優點是結構簡單,僅需兩個運算放大器和四個電阻器,在能耗方面更低。
與三運放結構相比,兩運放儀表放大器性能稍差。其共模抑制比對電阻器阻值變化的靈敏度略高于差分放大器結構。最壞情況下,0.1% 電阻器匹配條件下 CMRR 為 50.5dB,且不隨增益增加而改善。由于通路不平衡,同相通路信號頻率響應與反相通路不同,反相通路存在相位延遲,壓擺率和帶寬特性也不同,噪聲性能較差。
常見問題
第一級輸出電壓是放大后的輸入電壓(含共模電壓),需關注其電壓值。
CMRR 對電阻匹配極為敏感,需注重電阻器匹配。
高頻性能方面,差動放大器結構簡單,但輸入阻抗、噪聲和 CMRR 性能較差;三運放儀表放大器第一級提供高輸入阻抗,引入增益還可提高噪聲和 CMRR 性能;兩運放結構雖簡單且輸入阻抗高,但噪聲和 CMRR 性能無法隨增益增加而改善。
〈烜芯微/XXW〉專業制造二極管,三極管,MOS管,橋堆等,20年,工廠直銷省20%,上萬家電路電器生產企業選用,專業的工程師幫您穩定好每一批產品,如果您有遇到什么需要幫助解決的,可以直接聯系下方的聯系號碼或加QQ/微信,由我們的銷售經理給您精準的報價以及產品介紹
聯系號碼:18923864027(同微信)
QQ:709211280