反激式開關電源波形分析
一、反激拓撲電路基礎


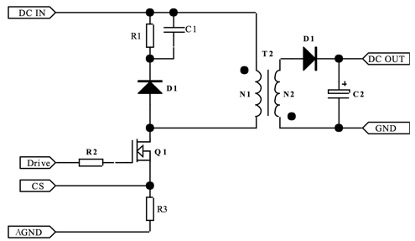
反激式開關電源作為一種高效、緊湊的電源轉換方案,在電子設備中應用廣泛。其基本線路包括以下幾個關鍵部分:
DC IN :市電經過整流濾波后的直流輸入,為后續電路提供穩定的直流電。
Drive :控制芯片的驅動信號,用于控制 Q1 的 ON/OFF 狀態,調節電路的工作周期。
CS :控制芯片對 Q1 電流的采樣端口,用于監測和控制開關管的電流,保障電路安全運行。
AGND :初級側的地,作為初級電路的參考電位點。
DC OUT :電源的輸出端,為負載設備提供所需的直流電壓。
GND :次級側的地,作為次級電路的參考電位點。
二、DCM 與 CCM 工作模式
(一)判斷依據
反激式電源的工作模式主要分為斷續導電模式(DCM)和連續導電模式(CCM)。準確判斷工作模式需要綜合考慮初級和次級電流的情況:
CCM 模式 :當初級和次級電流不是同時為零時,電路處于 CCM 模式。這意味著在開關管關斷期間,變壓器中鐵芯中的磁能持續傳遞到次級,次級整流二極管一直有電流流過,確保負載獲得連續的功率供應。
DCM 模式 :如果存在初級和次級電流同時為零的狀態,則電路處于 DCM 模式。在此模式下,開關管關斷后,變壓器存儲的磁能完全釋放,次級整流二極管電流降為零,負載電流出現間斷。
BCM 模式 :工作模式介于 DCM 和 CCM 之間時,被稱為不連續 - 連續混合模式(BCM)。這種模式通常出現在電路參數接近 DCM 和 CCM 邊界的情況。
(二)波形區別


變壓器初級電流波形 :DCM 模式下呈現三角波形,電流從零線性上升至峰值后迅速下降回零;CCM 模式則表現為梯形波,電流在開關管導通期間線性上升,關斷期間逐漸下降,不會回到零。
次級整流管電流波形 :與初級電流波形類似,DCM 模式為三角波,次級電流在磁能傳遞期間線性上升,之后迅速回落至零;CCM 模式為梯形波,次級電流在開關管關斷期間仍保持一段時間的導通,確保負載電流的連續性。
MOS 管的 Vds 波形 :在 DCM 模式下,MOS 管關斷后,Vds 會從 Vin + Vf(Vf 是次級反射到原邊的電壓)的平臺值下降,并伴隨阻尼震蕩,這是由于變壓器漏感能量釋放和結電容諧振所致;而在 CCM 模式下,Vds 在下一個周期開通前一直維持在 Vin + Vf 的平臺上,沒有明顯的震蕩現象。
三、MOS 管開通與關斷瞬間的 Vds 波形分析
(一)DCM 模式


關斷瞬間 :從 MOS 管的波形可以看出,MOS 管關斷時,其上的尖峰電壓可能遠超 Vin + Vf。這主要歸因于變壓器初級的漏感 Lk。漏感的電流變化會產生感應電動勢,且由于漏感能量無法通過磁芯耦合到次級,導致電壓急劇上升。為避免 MOS 管被尖峰電壓擊穿損壞,通常在初級側設計 RCD 吸收緩沖電路,將漏感能量先存儲在電容上,再通過電阻消耗掉。
次級電流歸零后 :當變壓器次級電流降至零時,磁芯能量基本釋放完畢。次級整流管因電流為零而截止,相當于次級開路,輸出電壓不再反饋到初級。此時,由于 MOS 管 Vds 電壓高于輸入電壓 Vin,在電壓差作用下,MOS 管的結電容和初級漏感發生諧振。諧振電流對 MOS 管結電容放電,使 Vds 電壓開始下降。經過約 1/4 諧振周期后,電壓又開始上升。不過,受 RCD 嵌位電路及其他寄生電阻影響,這個振蕩屬于阻尼振蕩,幅度會逐漸衰減。
(二)CCM 模式


在 CCM 模式下,MOS 管關斷時產生的尖峰電壓與 DCM 模式原理相似,但由于次級電流的連續性,關斷后不會出現后續的振蕩現象。這是因為次級整流管在開關管關斷期間仍能持續導通,為磁芯能量釋放提供通路,使得初級側電壓能夠平穩維持在 Vin + Vf 水平,避免了因能量瞬間釋放導致的振蕩。
深入理解反激式開關電源的波形特性及其工作模式,對電源設計、調試和優化具有重要意義,有助于提升電源的性能和可靠性。
〈烜芯微/XXW〉專業制造二極管,三極管,MOS管,橋堆等,20年,工廠直銷省20%,上萬家電路電器生產企業選用,專業的工程師幫您穩定好每一批產品,如果您有遇到什么需要幫助解決的,可以直接聯系下方的聯系號碼或加QQ/微信,由我們的銷售經理給您精準的報價以及產品介紹
聯系號碼:18923864027(同微信)
QQ:709211280