Boost升壓電路選擇電感
BOOST電源架構是一種非常經典的升壓電源方案,它是利用開關管開通和關斷的時間比率,維持穩定輸出的一種開關電源,它以小型、輕量和高效率的特點被廣泛應用在各行業電子設備,是不可缺少的一種電源架構。

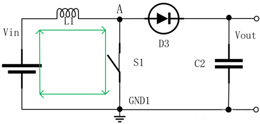
開關閉合時,充電路徑見上圖綠色回路,此時給電感充電,可以列出方程:

其中:
Vi:輸入電壓 L:電感量 △Ion:充電時電感電流紋波
D:開關的占空比 T:開關周期,是頻率f的倒數

η是boost的效率,開關電源效率一般是比較高的,如果只是近似計算,效率可以取90%。

最后一個公式,電源的輸出總電流,是直流電基礎之上,疊加的交流電流,我們需要計算直流加交流時的最大電流:

從推導的公式可以看出,選擇大電感時,產生的紋波也小,可以降低電感器的磁滯損耗和 EMI。但同樣地,物極必反,負載瞬態響應時間增加。
〈烜芯微/XXW〉專業制造二極管,三極管,MOS管,橋堆等,20年,工廠直銷省20%,上萬家電路電器生產企業選用,專業的工程師幫您穩定好每一批產品,如果您有遇到什么需要幫助解決的,可以直接聯系下方的聯系號碼或加QQ/微信,由我們的銷售經理給您精準的報價以及產品介紹
聯系號碼:18923864027(同微信)
QQ:709211280