反激開關電源是指使用反激高頻變壓器隔離輸入輸出回路的開關電源。
什么是反激開關電源
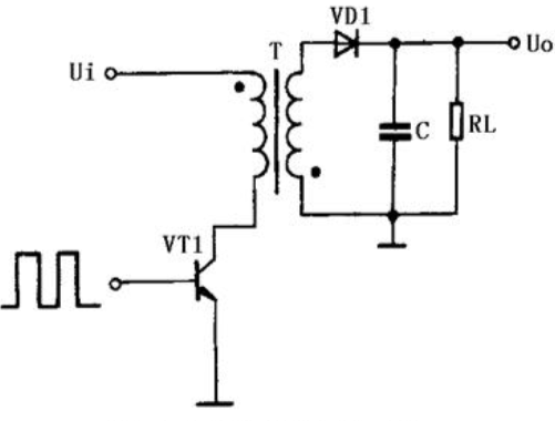
“反激”指的是在開關管接通的情況下,當輸入為高電平時輸出線路中串聯的電感為放電狀態;相反,在開關管斷開的情況下,當輸入為高電平時輸出線路中的串聯的電感為充電狀態。與之相對的是“正激”式開關電源,當輸入為高電平時輸出線路中串聯的電感為充電狀態,相反當輸入為高電平時輸出線路中的串聯的電感為放電狀態,以此驅動負載。
反激開關電源工作原理
單端反激開關電源采用的是穩定性很好的雙環路反饋的控制系統,所以它可以通過開關電源的 PWM 迅速調整脈沖占空比,從而在每一個周期內對前一個周期的輸出電壓和低級線圈充磁峰值電流進行有效調節,達到穩定輸出電壓的目的。這種反饋控制電路的最大特點是:在輸進電壓和負載電流變化較大時,具有更快的動態響應速度,自動限制負載電流,補償電路簡單。

反激開關電源作用
反激式變壓器開關電源的優點是電路比較簡單,正反激式變壓器開關電源少用一個大儲能濾波電感,以及一個續流二極管,因此,反激式變壓器開關電源的體積要比正激式變壓器開關電源的體積小,且成本也要降低。此外,反激式變壓器開關電源輸出電壓受占空比的調制幅度,相對于正激式變壓器開關電源來說要高很多,因此,反激式變壓器開關電源要求調控占空比的誤差信號幅度比較低,誤差信號放大器的增益和動態范圍也比較小。由于這些優點,反激式變壓器開關電源在家電領域中還是被廣泛使用。
烜芯微專業制造二極管,三極管,MOS管,橋堆等20年,工廠直銷省20%,4000家電路電器生產企業選用,專業的工程師幫您穩定好每一批產品,如果您有遇到什么需要幫助解決的,可以點擊右邊的工程師,或者點擊銷售經理給您精準的報價以及產品介紹
烜芯微專業制造二極管,三極管,MOS管,橋堆等20年,工廠直銷省20%,4000家電路電器生產企業選用,專業的工程師幫您穩定好每一批產品,如果您有遇到什么需要幫助解決的,可以點擊右邊的工程師,或者點擊銷售經理給您精準的報價以及產品介紹