介紹4款實用的觸摸開關電路,它們都是用于白熾燈的開啟與關閉,圖1~圖4電路中,虛線左部是普通照明線路,右部是觸摸開關電路。由圖可見,開關與照明線路的連接只有兩根引線,因此可以直接取代普通機械撥動式開關,而不必更改室內電源布線。前三個電路的觸發原理都是利用人體的泄漏電流,最后一個電路則是利用人體感應的雜波信號觸發電路工作。
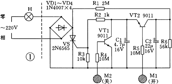
圖1是雙觸摸電極開關,其中M1為“開”電極片,M2為“關”電極片,通過觸摸M1與M2可以方便自如地開燈與關燈。


雙觸摸電極開關電路原理圖
平時晶閘管VS關斷,電燈H不亮,220V交流電經VD1~VD4橋式整流,R1、R2分壓,在C2兩端儲存8V左右的直流電壓。當人手觸摸電極片M1時,人體泄漏電流經高值電阻R5注入VT2的基極,使VT2迅速導通,C2儲存電荷經VT2向C1充電,并經R2為VS提供正向觸發電流,VS開通,燈H點亮發光。VS開通后,由于R2取值較小,VS門極的漏電流可經R2向C1充電,所以人手離開M1后,雖然VT2恢復截止,但C1兩端電壓不會跌落,所以VS仍能保持導通態,H仍點亮發光。此時220V交流電壓主要降落在H兩端,VS兩端電壓僅幾伏,由于VS采用微觸發單向晶閘管2N6565(最大通態電流為0.8A,最高反向耐壓為400V),所以VS仍能維持工作(下面三個電路均是如此)。
如果用手摸一下M2電極片,人體泄漏電流經R4注入VT1基極,使VT1導通,C1儲存電荷將通過VT1迅速放電,降至0.3V左右時,VS因失去正向觸發電流,在交流電過零時,VS即關斷,燈H熄滅。本觸摸開關與220V交流電源相、零線連接時,必須按圖正確連接,如果相、零線接反了,則只能開燈而無法關燈。圖示接法符合開關串接在相線的電工接線規范。
圖2是一個觸摸延遲開關,可用于樓梯走道照明燈控制,目前市售的各種觸摸延遲開關,其電路與此大同小異。


圖2是一個觸摸延遲開關原理圖,可用于樓梯走道照明燈控制
發光二極管VD5在電燈H未點亮時可發微光指示開關的位置,方便在夜間尋找開關。平時VT3的集電極被VD6鉗位在8V左右,VT1~VT3均處于截止態,VS因無觸發電壓處于關斷態,故電燈H不亮。需要開燈時,只要用手指摸一下電極片M,因人體泄漏電流經R5與R4分壓后注入三極管VT3的基極,使VT3迅速導通,8V直流電就經過VT3向C2充電,并經R2使VT2導通,VT1也隨之迅速導通,VS因門極獲得正向觸發電流而開通,燈H即被點亮。人手離開電極片M后,因C2儲存的電荷通過R2向VT2的發射結放電,所以仍能維持VT2、VT1及VS的導通,電燈H依然點亮。直至C2電荷基本放完,VT2由導通轉為截止,VT1也隨之截止,VS因失去觸發電流在交流電過零時即關斷,燈滅。改變R2、R3及C2的數值能調節電燈每次被點亮的時間長短。采用圖示數據,每觸摸一次電極片M,電燈H約能點亮60s。
R4的作用是使三極管VT3平時處于反偏狀態,以減小VT3的漏電流,確保在無觸摸信號時VT2始終處于截止狀態。若取消R4,往往因VT3管子質量不佳其漏電流可使電容C2兩端電壓不斷上升,最終會導致VT2誤導通使電燈H點亮。本電路在接線時可以不考慮交流電的相、零線位置,都能正常工作,下面兩個電路也具備此特點。
圖3是一個新穎的觸摸漸暗延遲開關,其特點是開燈時只要摸一下觸摸片,燈即亮,延遲數十秒后,燈不是馬上熄滅,而是逐漸變暗,最后熄滅。迎合人眼的視覺特征,故適宜夜間關燈就寢用。


新穎的觸摸漸暗延遲開關電路原理圖
VD1~VD5、R1組成開關的電源電路,輸出約12V脈動直流電壓供開關使用。平時晶閘管VS處于截止狀態,燈H不亮,整個開關耗電僅2mA左右,可認為不消耗電能。此時VD6發微光用于夜間弱光照明指示開關位置
VT3構成觸摸電子開關,開燈時人手只要摸一下電極片M,人體泄漏電流經R8注入VT3的基極,使VT3迅速導通,12V脈動電壓經VT3向C2充電,并使C2兩端電壓充至12V左右。電子變阻管VT2得電導通,12V脈 動電壓就經R4向C1充電,使VT1組成的弛張振蕩器起振。單結晶體管VT1就輸出尖脈沖加至晶閘管VS的門極,使VS迅速開通,電燈H就被點亮。由于R4取值較小,且VT2的導通壓降又小,弛張振蕩器振蕩頻率較高,晶閘管VS導通角較大幾乎全壓開通,燈H處于全亮狀態。人手離開電極片M后,C2經R5向VT2放電,維持VT2繼續導通。隨著時間推遲,C2放電電流減小,VT2就退出飽和態而進入放大態,其管壓降加大,相當于在C1充電支路里串聯了一個大電阻,故使VT1輸出尖脈沖時間后延,VS導通角減小,燈H亮度變小。這時節電開關就進入了漸暗階段,隨著C2放電電流不斷減小,VT2的等效電阻逐漸變大,VS的導通角不斷減小,燈光就越來越暗。當C2放電電流減小到一定值時,VT2就由放大態轉為截止態,VT1就停振,VS關斷,燈H熄滅。


由于電子元件的離散性,本開關每觸摸一次電燈可點亮45~60s,若想更改延遲時間,可以調整電阻R6的阻值,R6阻值大,延時時間長,反之則短(調延遲時間請不要調R5和C2,因為它們數值還影響變光時間長短,所以以調R6為佳)。開關漸暗階段時間由電容C1調整,C1容值大,漸暗變光的時間就長,反之則短。
圖4是一個很特殊的觸摸延遲開關,實際使用時人手是通過絕緣塑料板觸摸,而不是直接碰到電極片M,就能使燈點亮,延遲60s左右,燈H自動熄滅。
一個很特殊的觸摸延遲開關電路原理圖,絕緣塑料板觸摸開關
平時VT1~VT3均處于截止狀態,晶閘管VS處于關斷態,電燈H不亮。此時發光二極管VD6點亮發光,指示開關位置。需開燈時,手指靠近電極片M(實際上是隔著塑料面板摸M),人體感應的雜波信號電壓注入場效應管VT4的柵極,使漏源極間電流減小,漏極電位即VT3的基極電位升高,VT3導通,C2即被充電,當VT2因基極電位升高而導通,VT1也隨之導通,VS獲得觸發電流開通,電燈即點亮發光。人手遠離M后,VT4柵極恢復低電平,VT3截止。此時C2貯存電荷將通過R2向VT2發射結放電,維持VT2的導通狀態,電燈仍被點亮。當C2上的電壓降到0.7V以下時,VT2、VT1相繼截止,VS關斷,電燈H就熄滅。
開關面板結構見圖5,可采用86系列開關全塑面板,在上部適當位置開一小圓孔,以便嵌放發光二極管。電極片可用馬口鐵皮剪成Φ30mm的圓片形,用不干膠帶紙將它粘貼在開關面板的背面,然后用屏蔽線連接到VT4的柵極,屏蔽線不宜太長,一般應控制在40mm以內。開關的電路板就固定在面板的背后。本開關的延遲時間主要取決于電阻R2、R3及電容C2的數值,調整其數值可以改變開關的延遲時間。


觸摸開關面板結構圖
烜芯微專業制造二極管,三極管,MOS管,橋堆等,20年,工廠直銷省20%,1500家電路電器生產企業選用,專業的工程師幫您穩定好每一批產品,如果您有遇到什么需要幫助解決的,可以直接聯系上方的聯系號碼或加QQ,由我們的銷售經理給您精準的報價以及產品介紹
烜芯微專業制造二極管,三極管,MOS管,橋堆等,20年,工廠直銷省20%,1500家電路電器生產企業選用,專業的工程師幫您穩定好每一批產品,如果您有遇到什么需要幫助解決的,可以直接聯系上方的聯系號碼或加QQ,由我們的銷售經理給您精準的報價以及產品介紹