所謂鉗位,就是把輸入電壓變成峰值鉗制在某一預定的電平上的輸出電壓,而不改變信號。
鉗位電路
(1)功能:將輸入訊號的位準予以上移或下移,并不改變輸入訊號的波形。
(2)基本元件:二極管D、電容器C及電阻器R(直流電池VR)。
(3)類別:負鉗位器與正鉗位器。
(4)注意事項
D均假設為理想,RC的時間常數也足夠大,不致使輸出波形失真。
任何交流訊號都可以產生鉗位作用。
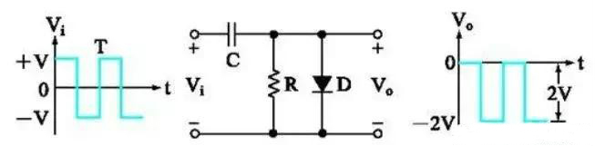
負鉗位器
(1)簡單型


工作原理
Vi正半周時,DON,C充電至V值,Vo=0V。
Vi負半周時,DOFF,Vo=-2V。
(2)加偏壓型


工作原理
Vi正半周時,二極管DON,C被充電至V值(左正、右負),Vo=+V1(a)圖或-V1(b)圖。
Vi負半周時,二極管DOFF,RC時間常數足夠大,Vo=VC+Vi(負半周)=2V。
幾種二極管負鉗位器電路比較


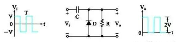
正鉗位器
(1)簡單型


工作原理
Vi負半周時,DON,C充電至V值(左負、右正),Vo=0V。
Vi正半周時,DOFF,Vo=VC+Vi(正半周) =2V。
(2)加偏壓型


判斷輸出波形的簡易方法
1. 由參考電壓V1決定輸出波形于坐標軸上的參考點。
2 .由二極管D的方向決定原來的波形往何方向移動,若二極管的方向為


則波形必須向上移動;若二極管的方向為


,則波形必須往下移動。
3 決定參考點與方向后,再以參考點為基準,將原來的波形畫于輸出坐標軸上,即為我們所求。
幾種二極管正鉗位器電路比較
烜芯微專業制造二極管,三極管,MOS管,橋堆等20年,工廠直銷省20%,4000家電路電器生產企業選用,專業的工程師幫您穩定好每一批產品,如果您有遇到什么需要幫助解決的,可以點擊右邊的工程師,或者點擊銷售經理給您精準的報價以及產品介紹
