直流大功率電源是目前工業、照明等領域中不可或缺的重要組成部分,也是很多工程師的重點設計方向之一。此前我們曾經分享過幾種穩壓直流大功率電源的設計方案,也得到了各位工程師們的歡迎和支持。在今明兩天的文章中,我們將會為大家分享一種IGBT直流穩壓大功率電源設計方案。在本方案中,單片機控制的逆變電源的總體框圖如圖1所示,整套裝置主要由電源主電路、PWM控制電路、驅動電路和單片機控制電路四部分組成。


圖1單片機控制的逆變電源的總體框圖
電源的主電路及驅動電路
在本方案中,我們所涉及的這一大功率開關電源的主電路,主要用來實現輸入功率到輸出功率的能量轉換。這一電源系統從遵循一般逆變的AC—DC—AC形式。在這一電源系統中,三相工頻交流網路電壓經過整流模塊整流和濾波,得到大約540V的直流電壓。該直流電壓施加到由功率開關管IGBT和中頻變壓器組成的逆變器上。由四個功率開關管組成橋的四臂,中頻變壓器連接在它們中問,相對橋臂上的兩對功率開關管由柵極驅動電路以脈沖方式激勵而交替地通斷,將直流電壓變換成20kHz的中頻交變電壓,中頻變壓器同時將大約540V的電壓降為24V左右的電壓,然后經整流、濾波后,輸出直流電壓。
在這一大功率電源的全橋電路中,我們假設變壓器的電壓為U,輸出功率為P1,如果假定逆變器的效率為85%,占空比為0.8,則IGBT管的工作電流可以計算為:Ie=1.46P0|Us.
在本方案中,我們所設計的這一大功率電源中,輸出電壓是直流低電壓,具有一定的輸出功率。輸出電路J二對中頻變壓器次級的中頻方波電壓進行整流濾波。為了獲得高質量的直流輸出電壓,需要一些特殊的元器件,如肖特基勢壘整流二極管以及存儲能的電感,以產生低噪音的輸出電壓。
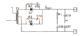
輸出整流和濾波電路
在本方案中,我們所設計的這一大功率電源方案中,全橋式逆變電器的輸出電路如圖2所示,由于二極管D7、D8都給輸出端提供半周期的電流,所以它們分擔著相等的負荷電流,它們不需要續流二極管,因為當一個二極管截止時,另一個二極管就導通起到了續流的作用。但是,對二極管的反向截止電壓參數的要求就高了,它的最小值可計算為:2.4VoVimax/Vimin。
在這一全橋式逆變器的輸出電路系統中,其整流二極管必須具有正向降低、快速恢復的特點,還應有具有足夠的輸出功率。在實際應用中,肖特基勢壘整流二極管即使在大的止向電流作用下,其正向壓降也很低,僅有0.4V左右。由于它具有這一優點,使得肖特基勢壘整流二極管特別適用于5V左右的低電壓輸出電路中。肖特基勢壘整流二極管的反向恢復時問是可以忽略不計的,因為此器件是多數載流子半導體器件,在器件的開關過程中,沒有消除少數載流存儲電荷的問題。
在本方案中,我們所設計的基本控制電路,即PWP控制電路的任務,是根據單片機輸出的電流給定值與實際電流反饋值的差值,通過調節輸出脈沖的占空比來實現穩定的輸出。


圖2 全橋式逆變器輸出電路
單片機控制電路
在本方案中,我們所設計的這一大功率開關電源如果需要實現直流穩壓的運行效果,則其單片機系統控制電路需要用來輸出其所需的電壓、電流,以實現一開始所要求的電源的電流和電壓的穩定性,其工作主要依靠程序運行來輸出適當的控制信號。在電源的硬件系統中,單片機主要通過采樣電路中的電壓、電流值,與給定值比較后可自動調節,同時還可顯示電路中的電壓、電流值,具有監控功能單片機控制電路由MPS430最小系統、D/A轉換電路、數碼顯示及鍵盤輸入電路、I/O接口電路組成。其核心部件為MPS430單片機。
驅動電路及IGBT的保護
在本方案中我們所設計的驅動電路系統,其主要功能是用來將脈寬調制電路輸出的控制脈沖轉換成符合開關功率器件要求的電平和阻抗形式,并對驅動信號進行功率放大,并保證一定的脈沖前沿、后沿陡度,使其有足夠的能力使IGBT飽和導通。同時實現主電路和控制電路之問的電氣隔離作用和故障信號的采集作片j,其對功率開關元件的開關時間、損耗等有著直接的影響。另外,還需要在開關器件的工作點超出安全工作區時提供保護信號。根據這一大功率開關電源的設計要求,我們所選取的IGBT管的型號主要是HL402(400A/600V及300A/1200V)。
烜芯微專業制造二極管,三極管,MOS管,橋堆等20年,工廠直銷省20%,4000家電路電器生產企業選用,專業的工程師幫您穩定好每一批產品,如果您有遇到什么需要幫助解決的,可以點擊右邊的工程師,或者點擊銷售經理給您精準的報價以及產品介紹
烜芯微專業制造二極管,三極管,MOS管,橋堆等20年,工廠直銷省20%,4000家電路電器生產企業選用,專業的工程師幫您穩定好每一批產品,如果您有遇到什么需要幫助解決的,可以點擊右邊的工程師,或者點擊銷售經理給您精準的報價以及產品介紹