n溝道mos管原理,nmos工作條件介紹
〈烜芯微/XXW〉專業制造二極管,三極管,MOS管,橋堆等,20年,工廠直銷省20%,上萬家電路電器生產企業選用,專業的工程師幫您穩定好每一批產品,如果您有遇到什么需要幫助解決的,可以直接聯系下方的聯系號碼或加QQ/微信,由我們的銷售經理給您精準的報價以及產品介紹
一、N溝道MOS管符號及應用場景
N溝道MOS管(NMOS),用以下符號表示,

在大功率設備領域應用廣泛,涵蓋電機驅動、開關電源以及逆變器等,其核心優勢在于基于電壓型驅動方式,即以小電壓調控大電壓,操作便捷性顯著。

在大功率設備領域應用廣泛,涵蓋電機驅動、開關電源以及逆變器等,其核心優勢在于基于電壓型驅動方式,即以小電壓調控大電壓,操作便捷性顯著。
二、MOS管工作原理剖析
MOS管工作效能取決于MOS電容,該電容位于源極與漏極間氧化層下方的半導體表面,通過施加正負柵極電壓,可實現表面從p型到n型的反轉。
MOS管關鍵原理在于調控源極與漏極間電壓電流,其運作類似開關,功能基于MOS電容,后者堪稱MOS管核心部件。


當漏源電壓(VDS)接入,正電壓施加于漏極、負電壓作用于源極時,漏極的pn結呈反向偏置,源極的pn結呈正向偏置,此時漏源間無電流流通。
若在柵極端子施加正電壓(VGG),因靜電引力,p襯底中的少數載流子——電子,會在柵極觸點聚集,于兩個n+區域間形成導電橋。
柵極觸點自由電子聚集量受施加正電壓強度影響,電壓越高,聚集電子越多,n溝道越寬,電導率提升,漏極電流(ID)隨之開啟。
無電壓施加于柵極時,除少數載流子產生的微量電流外,基本無電流流動。MOS管開始導通的最低電壓即閾值電壓。
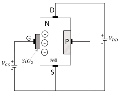
以n溝道MOS管為例,選取輕摻雜p型襯底,擴散兩個重摻雜n型區作源極、漏極,兩n+區間經擴散形成n溝道,連通漏源。


在整體表面生長一層薄二氧化硅(SiO2),開設孔洞以構建漏極、源極的歐姆接觸。覆蓋鋁導電層貫穿整個通道,在SiO2層上從源極延展至漏極形成柵極,SiO2襯底連接公共或接地端子。
得益于結構優勢,MOS管芯片面積遠小于BJT,僅為雙極結型晶體管占用率的5%,極大節省空間。
三、N溝道MOS管(耗盡型)工作原理解讀
在柵極與溝道間無pn結的前提下,擴散溝道n(兩n+區間)、絕緣介質SiO2及柵極鋁金屬層構成平行板電容器。
欲使NMOS耗盡模式運行,柵極需為負電位,漏極為正電位。

無電壓施加于柵源間時,漏源電壓作用下有部分電流流通。對VGG施加負電壓,少數載流子空穴受吸引在SiO2層附近聚集,多數載流子電子被排斥。

無電壓施加于柵源間時,漏源電壓作用下有部分電流流通。對VGG施加負電壓,少數載流子空穴受吸引在SiO2層附近聚集,多數載流子電子被排斥。
當VGG負電位達一定值,漏極電流ID源源不斷從源極流向漏極。進一步增大負電位,電子耗盡,ID減小,VGG越負,ID越小。靠近漏極的通道較源極消耗更甚,致使電流減弱。
四、N溝道MOS管(增強型)工作原理探究
改變電壓VGG極性,MOS管可切換至增強模式。以柵源電壓VGG為正的MOS管為例,無電壓施加時,漏源電壓作用下仍有電流流通。施加正電壓于VGG,少數載流子空穴遭排斥,多數載流子電子被吸引至SiO2層。


VGG正電位下,漏極電流ID源極至漏極暢通無阻。提升正電位,源極電子流受推動,ID增大,VGG越正,ID越大。因電子流增強,電流得以放大,故稱增強模式MOS管。
五、NMOS工作條件全析
導通條件:NMOS導通需滿足柵極電壓(Vg)高于源極電壓(Vs),且壓差(Vgs)超越閾值電壓(Vgs(th))。即Vg-Vs>Vgs(th)時,柵極下方形成反型層(n型溝道),源漏導通。
導通特性:導通瞬間,NMOS猶如閉合開關,壓降趨近于0,但存在內阻RDSon。值得注意的是,GS極間等效電容,唯有電容充滿電,MOS才能導通。多數MOS管DS極間內置肖特基二極管,旨在提升性能。
截止條件:讓NMOS截止(斷開),只需撤去柵極電壓。但要關注GS間電容放電問題,需并聯電阻實現放電。
聯系號碼:18923864027(同微信)
QQ:709211280