移相全橋拓撲作為一種重要的DC-DC變換器拓撲結構,憑借其獨特的優勢在眾多應用場景中發揮著關鍵作用。
移相全橋拓撲采用移相控制方式,巧妙地利用功率器件的結電容與諧振電感產生的諧振現象,實現了恒定頻率下的軟開關操作模式。這一特性使其能夠顯著降低開關損耗,在提升轉換效率方面表現出色,同時還有助于減小裝置的整體體積,滿足現代電力電子設備對于高效、緊湊的設計要求。
從控制角度來看,移相全橋拓撲通過精準調節對角線上兩個開關管的導通相位差,也就是移相角,來實現對輸出電壓的有效控制。這種控制策略簡單易行,具備廣泛的應用適應性。根據不同的實現方式,移相全橋拓撲可分為零電壓開關(ZVS)和零電壓零電流開關(ZVZCS)兩種類型。
一、基本電路構成
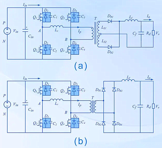
移相全橋拓撲的基本電路主要由原邊全橋電路、變壓器以及副邊整流電路三部分組成。
原邊全橋電路包含四個功率開關管(Q1-Q4),連接輸入直流源Vin,并且電路中還包含輸入電容Cin以及諧振電感Lr。功率開關器件自帶體二極管(D1-D4)和寄生結電容(C1-C4)。為了有效抑制變壓器出現磁飽和現象,在部分電路設計中會在Lr后串聯隔直電容。
副邊電路則依據具體的應用需求,可選擇全波整流電路或者全橋整流電路。其主要組成部分包括整流二極管(DR1-DR4)、濾波電感Lf、濾波電容Cf以及負載Rd。全橋整流電路通常適用于大功率的應用場景,而在小功率場合則更多地采用全波整流電路。
以ZVS移相全橋電路為例,

它能夠有效降低功率管在開關過程中的損耗,進而提高開關頻率,實現裝置體積的減小。其基本電路構成與上述一致,參見相關電路圖可以更直觀地理解其布局。常用副邊電路有全波整流電路與全橋整流電路兩種形式。

它能夠有效降低功率管在開關過程中的損耗,進而提高開關頻率,實現裝置體積的減小。其基本電路構成與上述一致,參見相關電路圖可以更直觀地理解其布局。常用副邊電路有全波整流電路與全橋整流電路兩種形式。
二、工作原理剖析
(一)PWM控制方式
在移相全橋電路中,存在超前橋臂(Q1、Q2)與滯后橋臂(Q3、Q4)之分。同一橋臂上的上下兩個開關管交替導通,以此來實現對電路的有效控制。
移相角指的是對角線上兩個開關管的導通相位差,其取值范圍在0°到180°之間。通過改變移相角的大小,可以調節原邊輸出電壓的占空比,從而達到控制輸出電壓的目的。死區時間是指同一橋臂上下兩管在開通與關斷過程之間的時間間隔,這是為了確保開關管能夠安全可靠地進行切換。


為了便于對電路的工作過程進行分析,我們做出以下假設:
功率開關管的寄生電容滿足C1=C2=Clead,C3=C4=Clag;
濾波電感足夠大,滿足Lf>>Lr/K²(其中K為變壓器原副邊匝比);
輸出濾波電容足夠大,可近似認為其電壓為恒壓源。
(二)工作模態分析
在一個完整的工作周期內,移相全橋電路包含12種不同的工作模態。以下將以半個周期(t0~t6)為例進行詳細闡述,并且假設電路副邊采用全波整流電路。
工作模態1(t0~t1):正半周期功率輸出模式
在t0時刻,Q1和Q4處于導通狀態,此時VAB維持恒定(VAB=Vin)。原邊電流Ip通過Q1、Lr、Q4的路徑向負載供應電能,同時對結電容C2、C3進行充電。
變壓器副邊的DR1導通,而DR2截止,由DR1、Lf、Rd構成供電回路。
濾波電感Lf在電壓VLf=Vin/n-V0的作用下,其電流呈現線性增長的趨勢。
工作模態2(t1~t2):超前橋臂諧振模式
當到達t1時刻,Q1關斷。由于諧振電感Lr的存在,電流Ip無法突變,繼續保持正向(A→B)流動。Ip從Q1轉移到C1和C2支路中,對C1進行充電,同時對C2放電,C1、C2與Lr之間發生諧振現象。
借助C1、C2的作用,Q1實現零電壓關斷。
考慮到諧振電感Lr與原邊等效濾波電感Lf相串聯,整體電感量較大,因此可以認為原邊電流Ip近似保持不變,類似于一個恒流源。
工作模態3(t2~t3):原邊電流鉗位續流模式
到了t2時刻,C1與C2的充放電過程結束。此時C2兩端電壓降為0,電流經D2續流,將開關管Q2漏源極的電壓箝位為0,從而實現Q2的零電壓開通。
此時VAB=0,原邊電流Ip依舊按照原來的方向繼續流動,不過其數值在不斷減小。
工作模態4(t3~t4):滯后橋臂諧振模式
在t3時刻,Q4關斷。Ip從Q4轉移到C3和C4支路中,對C4充電,對C3放電,諧振電感Lr與C3、C4發生諧振。
由于C3和C4的作用,Q4實現零電壓關斷。
此時AB之間的電壓由0變為負值(VAB=-VC4),導致副邊變壓器的感應電動勢反向,使得整流二極管DR2導通,DR1和DR2同時導通后將變壓器的副邊線圈短路。在這個過程中,DR1中的電流逐漸減小,而DR2中的電流則不斷增大。
工作模態5(t4~t5):諧振能量回饋電源模式
t4時刻,C3與C4的充放電結束。此時VAB=-VC4=-Vin,D3導通續流,將開關管Q3漏源極的電壓箝位為0,實現Q3的零電壓開通。
體二極管D2、D3續流,將諧振電感Lr所儲存的能量回饋給電源,變壓器原邊電流Ip呈現線性減小的趨勢。
工作模態6(t5~t6):原邊電流緩變模式
到達t5時刻,Ip變為零后開始向負向增大。此時D2和D3關斷,Q2和Q3為原邊電流提供通路。
此時原邊電流尚不足以滿足負載電流的需求,副邊繞組仍處于短接狀態,因此原邊繞組電壓維持為零,電壓Vin全部施加在Lr兩端,反向線性上升,直至t6時刻,DR1與DR2完成換流,DR1截止,隨后進入負半周期的功率輸出模式(Q2、Q3穩定導通)。負半周的工作過程與正半周類似,遵循相同的原理和規律。
〈烜芯微/XXW〉專業制造二極管,三極管,MOS管,橋堆等,20年,工廠直銷省20%,上萬家電路電器生產企業選用,專業的工程師幫您穩定好每一批產品,如果您有遇到什么需要幫助解決的,可以直接聯系下方的聯系號碼或加QQ/微信,由我們的銷售經理給您精準的報價以及產品介紹
〈烜芯微/XXW〉專業制造二極管,三極管,MOS管,橋堆等,20年,工廠直銷省20%,上萬家電路電器生產企業選用,專業的工程師幫您穩定好每一批產品,如果您有遇到什么需要幫助解決的,可以直接聯系下方的聯系號碼或加QQ/微信,由我們的銷售經理給您精準的報價以及產品介紹
聯系號碼:18923864027(同微信)
QQ:709211280