電吹風電路原理與功能解析
一、電吹風電路概述
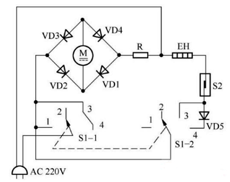
本文介紹的典型電吹風電路包含三個核心元件:風散電動機M、加熱器EH和雙刀四擲轉換開關S1,以及過熱保護器S2,實現多種吹風模式及過熱保護功能。


二、各模式工作原理
(一)關閉模式
將開關S1撥至“2”擋位,整流電路與加熱器電路均無法接通,整機電吹風處于關閉狀態,無任何風吹出。
(二)冷風模式
當開關S1撥到“1”的位置,加熱器電路未被接通,加熱器EH不工作。但通過S1-1的①腳,接通了整流電路。市電電壓經電阻R限流后,通過由VD1~VD4組成的橋式整流電路整流,為電動機M供電,使其旋轉,吹出冷風。
(三)低溫模式
將開關S1撥至“4”擋位,一路電流通過S1-2的④腳和二極管VD5接通加熱器電路。VD5對市電電壓進行半波整流,使加熱器EH以半功率加熱;另一路通過S1-1的④、③腳接通整流電路,電動機M旋轉,此時電吹風吹出溫度較低的熱風。
(四)高溫模式
開關S1撥到“3”的位置時,一路電流通過S1-2的④、③腳接通加熱器電路,市電電壓經S2和S1-2為加熱器EH供電,EH全功率加熱;另一路接通整流電路,電動機M旋轉,電吹風吹出溫度較高的熱風。
三、過熱保護電路
新型電吹風配備過熱保護電路,核心部件為過熱保護器S2。正常情況下,電機旋轉,加熱器產生的熱量在正常范圍,S2觸點閉合。若電機異常或不轉,導致加熱器溫度升高,S2檢測到后,內部金屬片變形,觸點斷開,切斷加熱器供電,實現過熱保護。
四、吹風檔位控制


(一)S1吹風檔位控制
當S1吹風檔位打到下面,S2不開啟時,220V電壓經D1半波整流,整流后的半波電流依次流過D3、電機B1、LED,再經R6發熱絲,最后回流到P1電源座子。若S1吹風檔位打到上面,S2不開啟,電流路徑與前述類似,但不經過D1。由于S1向下時電流經過D1半波整流,B1、LED、R6的功率消耗約為S1向上時的一半,因此風速、LED亮度和發熱量都較小。只要B1轉動,R6就會通電發熱,所以電吹風工作時必然伴隨加熱,無法吹冷風。
(二)S2發熱檔位控制
S2控制R1發熱絲的檔位,R1的發熱量由電流是否經過D2二極管決定,D1也影響R1的發熱量。只有S1開啟,S2才能得電工作。S1關閉時,無論S2如何操作,R1都不會發熱,這既確保了風機轉動時R1發熱才有意義,又防止R1因無法及時散熱而燒毀。
當S1向下撥碼處于小風速模式時,到達S2的電流已通過D1半波整流。無論D2向上還是向下撥動,R1的發熱功率都較小且基本一致,起到保護作用,限制小風速時R1的發熱量。
S1向上撥碼處于大風速模式時,S2的上下撥碼操作才能改變R1的發熱情況。S2向上撥碼,R1發熱溫度高;S2向下撥碼,電流經D2半波整流,R1發熱溫度降低。此設計確保只有吹風時R1發熱,且大風速時R1才能高溫發熱,保障發熱絲的散熱安全。
〈烜芯微/XXW〉專業制造二極管,三極管,MOS管,橋堆等,20年,工廠直銷省20%,上萬家電路電器生產企業選用,專業的工程師幫您穩定好每一批產品,如果您有遇到什么需要幫助解決的,可以直接聯系下方的聯系號碼或加QQ/微信,由我們的銷售經理給您精準的報價以及產品介紹
聯系號碼:18923864027(同微信)
QQ:709211280