變容二極管,亦稱 Varactor 電容,是一種特殊的半導體器件,其電容值可根據外加電壓的變化而改變。它利用 pN 結反偏時結電容隨外加電壓變化的特性制成,當反偏電壓升高時結電容減小,反之則增大。變容二極管的電容量通常較小,最大值一般在幾十皮法到幾百皮法之間,最大電容與最小電容之比約為 5:1。因其獨特的電容可變特性,變容二極管主要應用于高頻電路中的自動調諧、調頻、調相等領域。
工作原理


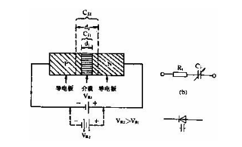
變容二極管本質上是一個反偏壓的二極管,其結電容相當于耗盡層的電容。可近似將耗盡層視為平行板電容器,兩導電板間夾有介質。結電容 C1 與耗盡層寬度 d 成反比,即 C1∝1/d。而 d 與反向偏壓 VR 的 n 次方成正比(n 是與摻雜濃度相關的常數),故 C1∝1/VRn。這意味著反向偏壓越高,耗盡區越寬,結電容就越小,反之亦然。例如,當 VR1>VR2 時,d2>d1,Cj2<Cj1。


變容二極管的簡化等效電路及電路符號分別如圖(b)、(c)所示。其中,用一只可變電容表示結電容,R2 則是半導體材料的電阻。
變容二極管屬于反偏壓二極管,通過改變其 PN 結上的反向偏壓,可以調節 PN 結的電容量。需要注意的是,反向偏壓與結電容之間的關系是非線性的。
封裝形式
變容二極管具有多種封裝形式,包括玻璃外殼封裝(玻封)、塑料封裝(塑封)、金屬外殼封裝(金封)以及無引線表面封裝等。通常情況下,中小功率的變容二極管多采用玻封、塑封或表面封裝,而大功率的變容二極管則更多地選用金封。
作用特點
變容二極管是一種利用 PN 結間電容可變原理制成的半導體器件,能夠在高頻調諧、通信等電路中作為可變電容器使用。通過改變其 PN 結上的反向偏壓,即可實現對 PN 結電容量的調節。反向偏壓越高,結電容越小,但兩者之間的關系并非線性。下圖為變容二極管的電容值與反向偏壓值的關系圖解,其中(a)表示反向偏壓增加,電容減少;(b)表示反向偏壓減少,電容增加。


變容二極管的電容誤差范圍是規定的電容量范圍,數據表中會顯示最小值、標稱值及最大值,這些數值通常也會繪制在圖上,以便用戶參考。
正負極判斷
在外觀方面,變容二極管通常有明顯的標記來區分正負極,例如紅色圓形標記表示陽極(正極),黑色部分則表示陰極(負極)。如果器件上沒有明確的標記,可以依據型號規格手冊來查看其引腳功能。
當需要測量變容二極管的正負極時,可以選擇 500 型萬用表的 R×1k 檔。首先將紅表筆接一端,黑表筆接另一端,若測得電阻值為 6.5kΩ,同時記下表針倒數偏轉格數 n′≈19.7 格。接著交換管腳位置重新測量,若電阻值變為無窮大,則可判定第一次測量為正向接法,正向電阻為 6.5kΩ,正向導通電壓 VF=0.03V/格×9.7 格=0.59V。第二次測量則為反向接法。這表明該管子具有單向導電性,且靠近紅色環的管腳為正極。若要測量變容二極管的結電容,可選用 100pF 量程的線性電容表。
變容二極管以其獨特的電容可變特性,在高頻電路領域發揮著重要作用,其正確的選型與應用對于電路性能的優化至關重要。
〈烜芯微/XXW〉專業制造二極管,三極管,MOS管,橋堆等,20年,工廠直銷省20%,上萬家電路電器生產企業選用,專業的工程師幫您穩定好每一批產品,如果您有遇到什么需要幫助解決的,可以直接聯系下方的聯系號碼或加QQ/微信,由我們的銷售經理給您精準的報價以及產品介紹
〈烜芯微/XXW〉專業制造二極管,三極管,MOS管,橋堆等,20年,工廠直銷省20%,上萬家電路電器生產企業選用,專業的工程師幫您穩定好每一批產品,如果您有遇到什么需要幫助解決的,可以直接聯系下方的聯系號碼或加QQ/微信,由我們的銷售經理給您精準的報價以及產品介紹
聯系號碼:18923864027(同微信)
QQ:709211280