在電子產品開發中ESD靜電防護是不可或缺的一環,下面就為大家簡單介紹一下,核心板產品開發時有用的ESD二極管知識和技巧。
ESD管的介紹
ESD(Electrostatic Discharge Protection Devices),靜電保護元器件,又稱瞬態電壓抑制二極管陣列(TVS Array),是由多個TVS晶粒或二極管采用不同的布局設計成具有特定功能的多路或單路ESD保護器件,主要應用于各類通信接口靜電保護,比如USB、HDMI、RS485、RS232、VGA、RJ11、RJ45、BNC、SIM、SD等接口中。
ESD靜電二極管特性
低電容:結電容低,通常在PF級別;
快速的響應時間:通常在ps級;
封裝體積小,小型化器件,節約PCB空間;
靈活度高,可以根據應用需求設計電容、封裝形式、浪涌承受能力等參數。ESD靜電二極管選型指南
ESD靜電二極管的截止電壓VRWM要大于等于電路中最高工作電壓;
脈沖峰值電流IPP和最大箝位電壓VC的選擇,要根據線路上可能出現的最大浪涌電流來選擇合適IPP的型號,需要注意的是,此時的VC應小于被保護晶片所能耐受的最大峰值電壓;
用于高速信號的保護時,還要注意所傳輸信號的頻率或傳輸速率,當信號頻率或傳輸速率較高時,應選用低電容系列的ESD靜電二極管;
ESD有單向(A)和雙向(C)之分,根據工作的信號進行選擇,單極性的信號可以選擇單向的 ESD或雙向的ESD, 雙極性的信號要選擇雙向的ESD。
選型基本原則
致遠電子嵌入式核心板產品M3568工控核心板,擁有非常成熟的設計案例可供參考,其中的接口均設計了ESD保護電路,并通過了靜電測試,保證產品的持續穩定運行,可以放心使用。
如通用外設串口的ESD設計, 采用通用的低速ESD二極管,截止電壓3.3V,鉗位電壓12V,結電容100pF,通過100歐串阻配合降低峰值電壓,參考設計如下:


圖1 嵌入式核心板M3568 UART口ESD設計參考
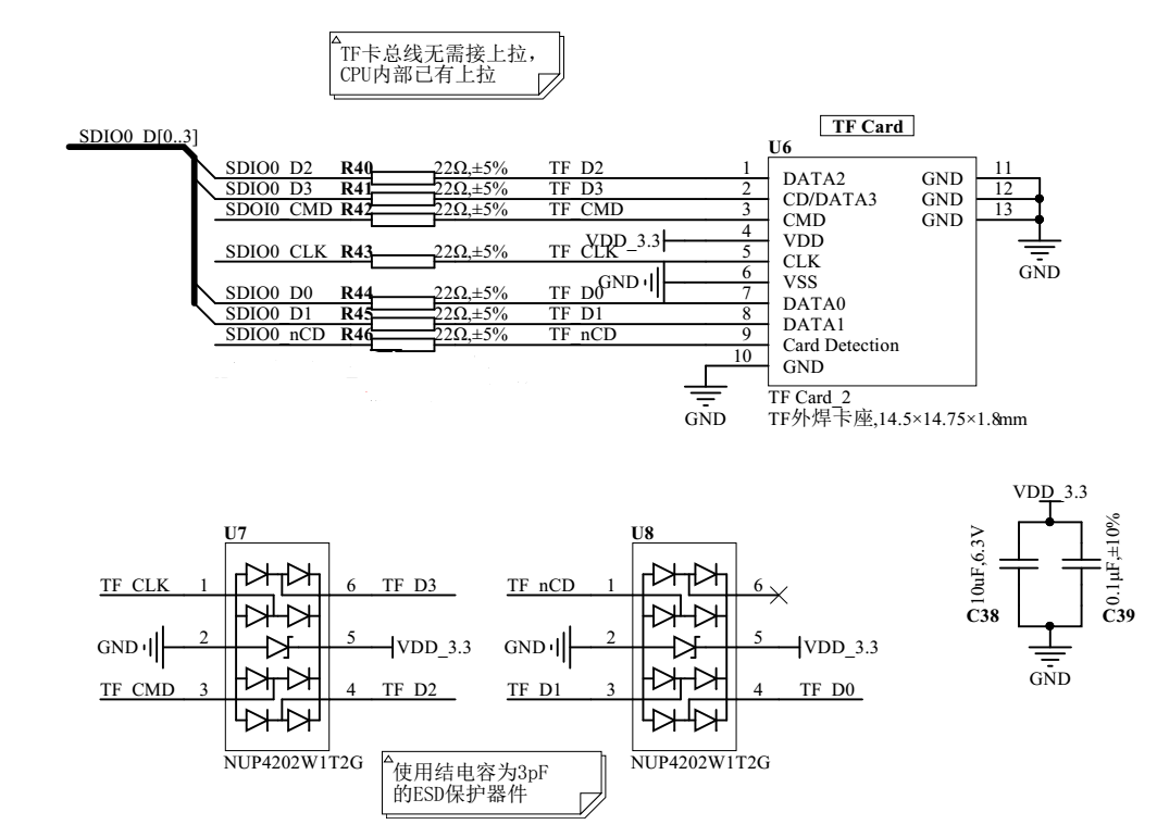
如SDIO高速信號的ESD設計, 使用低結電容的高速信號專用ESD保護器件,可令SDIO的通信質量不受影響,參考設計如下:


圖2 嵌入式核心板M3568 SD/MMC設計參考
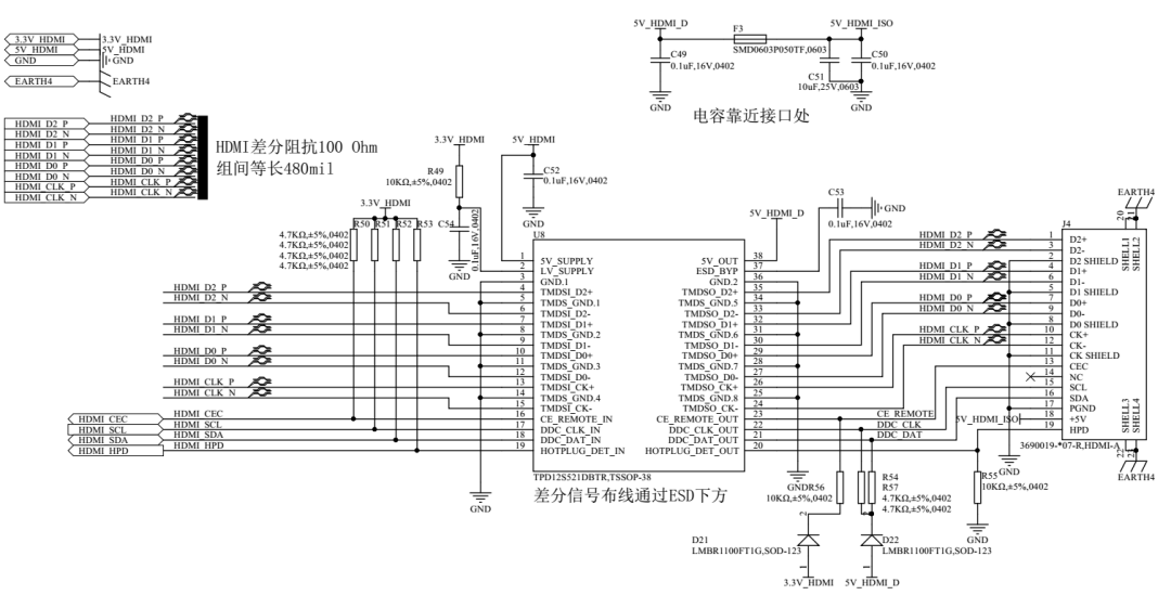
如HDMI高速信號的ESD設計, 采用HDMI專用的接口保護器件,除了提供ESD防護之外,還能給EDID信號提供隔離和電平轉換,參考設計如下:

聯系號碼:18923864027(同微信)
QQ:709211280