相信大部分人在使用運放時會忽略運放的輸入誤差信號eid,忽略的原因往往是因為輸入誤差信號eid所引起的輸出電壓誤差很小,對實驗或者項目本身影響不大。


比如上圖中同相比例放大電路輸出電壓的理論表達式為:Vout=(1+Rf/R1)Vin,我們在使用運放時也常常以此公式去計算我們所采樣的電壓值。
但是實際中我們會發現輸出的電壓總會和理論計算有所差別,產生這種現象很大一部分原因是由于輸入誤差信號eid所引起的,下面對其進行詳細分析。
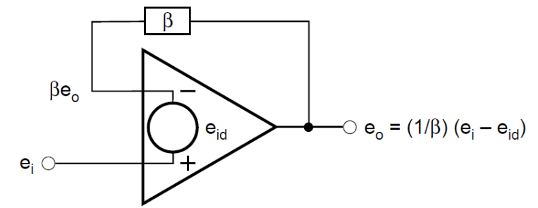
首先讓我們看一下,同相放大電路的理論模型,如下圖:


這個電路在運放的應用電路中在常見不過了,它的輸出電壓為eo,等于閉環增益Acl(1/β)乘以輸入信號ei。
這里的輸入信號并非像第一幅圖中只考慮輸入信號Vin,此處是由運放的輸入信號ei減于運放引入的輸入誤差信號eid構成的。式中β是反饋系數,對于像下圖這樣典型的同相放大電路,它的值就是R1/(R1+R2)。


對于eid,我們的第一反應可能會是輸入失調電壓,再進一步的反應是輸入偏置電流流過電阻網絡引起的誤差電壓。可事實,遠不只這兩個因素,可見下式:


從上式等號右邊可以看出,eid包括了運算放大器輸入失調電壓,輸入偏置電流,輸入噪聲電壓以及開環增益,共模抑制比和電源抑制比的影響。同時也可以看出,eid方程的第二項和第三項包括運放的輸入電阻。
最后三個誤差項包括電路信號,它們是輸出電壓,共模電壓和電源電壓變化
〈烜芯微/XXW〉專業制造二極管,三極管,MOS管,橋堆等,20年,工廠直銷省20%,上萬家電路電器生產企業選用,專業的工程師幫您穩定好每一批產品,如果您有遇到什么需要幫助解決的,可以直接聯系下方的聯系號碼或加QQ/微信,由我們的銷售經理給您精準的報價以及產品介紹
聯系號碼:18923864027(同微信)
QQ:709211280