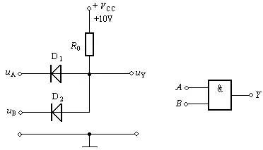
二極管與門電路原理


如圖:為二極管與門電路,Vcc = 10v,假設3v及以上代表高電平,0.7及以下代表低電平,下面根據圖中情況具體分析一下:1.Ua=Ub=0v時,D1,D2正偏,兩個二極管均會導通,此時Uy點電壓即為二極管導通電壓,也就是D1,D2導通電壓0.7v.2.當Ua,Ub一高一低時,不妨假設Ua = 3v,Ub = 0v,這時我們不妨先從D2開始分析,D2會導通,導通后D2壓降將會被限制在0.7v,那么D1由于右邊是0.7v左邊是3v所以會反偏截止,因此最后Uy為0.7v,這里也可以從D1開始分析,如果D1導通,那么Uy應當為3.7v,此時D2將導通,那么D2導通,壓降又會變回0.7,最終狀態Uy仍然是0.7v.3.Va=Vb=3v,這個情況很好理解, D1,D2都會正偏,Uy被限定在3.7V.總結(借用個定義):通常二極管導通之后,如果其陰極電位是不變的,那么就把它的陽極電位固定在比陰極高0.7V的電位上;如果其陽極電位是不變的,那么就把它的陰極電位固定在比陽極低0.7V的電位上,人們把導通后二極管的這種作用叫做鉗位。二極管或門電路原理


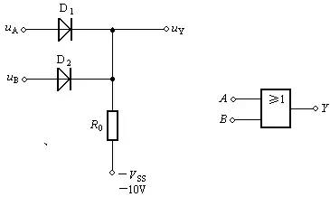
如圖,這里取Vss = 0v,不取-10v1、當Ua=Ub=0v時,D1,D2都截至,那么y點為0v.2、當Ua=3v,Ub=0v時,此時D1導通,Uy=3-0.7=2.3v,D2則截至同理Ua=0v,Ub=3v時,D2導通,D1截至,Uy=2.3v.3、當Ua=Ub=3v時,此時D1,D2都導通,Uy=3-0.7=2.3v.三極管非門電路原理


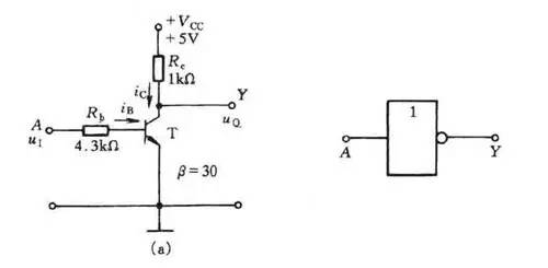
如圖,所示,為三極管的一個最基礎應用,非門,還是如前面一樣,分情況介紹,1、當Ui=0v時,三極管處于截止狀態,此時Y點輸出電壓Uy=Vcc=5v.2、當Ui=5v時,三極管飽和導通,Y點輸出為低。
〈烜芯微/XXW〉專業制造二極管,三極管,MOS管,橋堆等,20年,工廠直銷省20%,上萬家電路電器生產企業選用,專業的工程師幫您穩定好每一批產品,如果您有遇到什么需要幫助解決的,可以直接聯系下方的聯系號碼或加QQ/微信,由我們的銷售經理給您精準的報價以及產品介紹
聯系號碼:18923864027(同微信)
QQ:709211280