
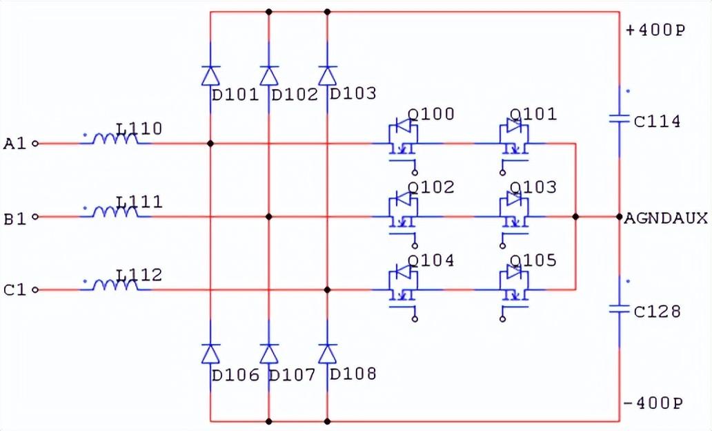
圖 1 三相無中線三電平PFC拓撲圖
電路圖說明:
1. A1、B1、C1是三相交流輸入,L110、L111、L112是Boost電感,Q100~Q105是PFC MOS管,D101~D108是續流二極管,C114/C128是正負母線電容。三相交流輸入電壓經過開關管和續流二極管,以及PFC母線電容的處理后,輸出為直流電壓+400P和-400P。
2. 開關變換電路的輸入端有三種電平 +400P、-400P和0,開關管承受的最大電壓為400V,只有總母線電壓的一半,但是為了實現雙向開關雙向控制,所以采用了兩個600V的MOS管進行對頂;但是續流二極管最大需要承受800V總母線電壓,所以我們選用1200V的diode;電壓輸出電平增多,諧波含量小,更接近正弦波;dv/dt減小,電磁干擾減輕;同樣的諧波含量下,開關頻率降低,效率提高。
3. 相同Boost電感下,輸入紋波電流比單相PFC要小,也就是說,按照一定的紋波要求設計電感時,三電平的電感可以設計得比較小。
工作原理簡介
三相三電平PFC可以看作三個單相PFC,每個單相相當于由兩個Boost電路組成,在交流電壓的正負半周交替工作,示意圖如圖(圖 五?1)所示。
以a相為例,驅動信號為高時,則開關管Q1導通 (交流電壓的正半周)或者Q2導通(交流電壓的負半周);
驅動信號為低時,開關管Q1和Q2都關斷。電壓正半周時,a相上橋臂二極管導通;電壓負半周時,a相下橋臂二極管導通。


圖 五 1 三種PFC拓撲(Boost, Buck, Vienna)的功率流路徑
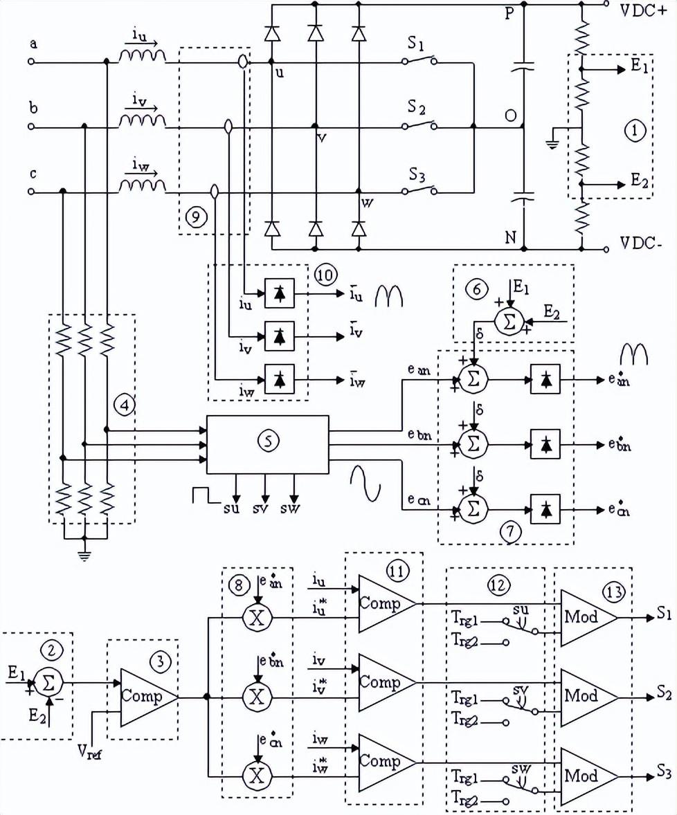
控制框圖
三相三電平PFC的控制框圖如圖(圖 五?2)所示,采用電壓外環和電流內環的雙環控制,電壓環得到穩定的直流母線電壓,供后級電路使用;電流環得到接近正弦的輸入電流,滿足THD和PF的要求。
具體來說,母線電壓給定值Vref和實際值(E1+E2)的誤差經過電壓控制器后,乘以輸入電壓波形,作為交流電流給定值;交流電流給定值和實際值的誤差經過電流控制器后,通過高頻三角波調制,控制開關管的導通時間和次序,即控制流過開關管和二級管的電流,經過這種閉環控制,就得到合適的母線電壓和交流輸入電流。電壓外環和電流外環的控制器采用的是PI調節器,可以根據需要調節控制器的零極點。


圖 五 2 三電平PFC控制框圖
〈烜芯微/XXW〉專業制造二極管,三極管,MOS管,橋堆等,20年,工廠直銷省20%,上萬家電路電器生產企業選用,專業的工程師幫您穩定好每一批產品,如果您有遇到什么需要幫助解決的,可以直接聯系下方的聯系號碼或加QQ/微信,由我們的銷售經理給您精準的報價以及產品介紹
聯系號碼:18923864027(同微信)
QQ:709211280