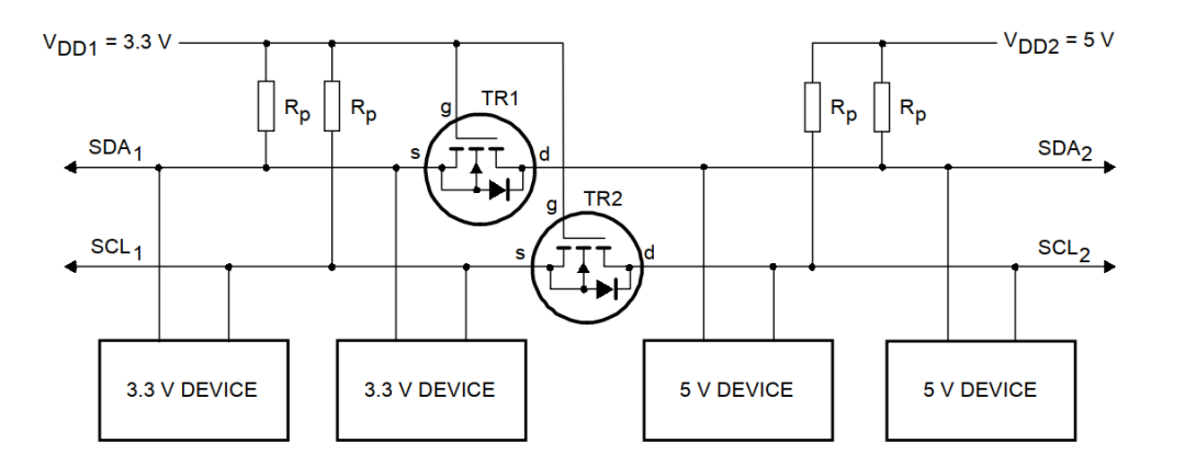
在IIC主從設備連接時,需要考慮主從設備的電平情況,常規的主要有3種:5V、3.3V、1.8V,如果電平相同,那么就直接連接;若電平不同,一個高電平是5V,另一個是3.3V,那么就需要做一下電平轉換,即接入MOS管,如圖:


MOS管的S極接低電壓,D極接高電壓,G極接低電壓。
工作原理如下:
(1)當總線沒有數據發送時:低電壓(3.3V)部分的總線線路通過上拉電阻Rp上拉至3.3V,MOS管的柵極和源極都是3.3V,MOS不導通;高電壓(5V)部分的總線線路通過它的上拉電阻Rp拉到5V;此時兩部分的總線線路都是高電平,只是電壓電平不同;
(2)低電壓(3.3V)器件下拉到低電平時:MOS管導通,高電壓(5V)部分的總線通過MOS管被低電壓(3.3V)器件下拉到低電平;此時兩部分的總線線路都是低電平,而且電壓電平相同;
(3)高電壓(5V)器件下拉到低電平時:MOS管由于體二極管的存在,這時體二極管導通,MOS管的S極被二極管拉低,Vgs接近3.3V,MOS導通,進一步導致左邊和右邊電平一樣;
這三種狀態顯示了邏輯電平在總線系統的兩個方向上傳輸。
注意事項:
(1)MOS管的接法:S極要接到低電壓那邊,不能接反;
(2) MOS管的導通電壓需要注意,MOS管的門限電壓要小于低電源電壓。
〈烜芯微/XXW〉專業制造二極管,三極管,MOS管,橋堆等,20年,工廠直銷省20%,上萬家電路電器生產企業選用,專業的工程師幫您穩定好每一批產品,如果您有遇到什么需要幫助解決的,可以直接聯系下方的聯系號碼或加QQ/微信,由我們的銷售經理給您精準的報價以及產品介紹
聯系號碼:18923864027(同微信)
QQ:709211280