一、電動車窗類型介紹
mos管在電動車窗的關鍵部位——開關,占據了非常重要的位置。電動車窗開關分為功率型和信號型兩種,功率型為開關直接控制車窗電動機,信號型為開關先向汽車車身控制模塊(Body Control module,BCM)提供信號,再由BCM驅動電動車窗。
BCM成本較高,出于成本控制方面考慮,功率型電動車窗開關成本更細,使用便利,選擇使用功率型電動車窗開關則成了汽車領域的應用首選。
二、電動車窗中應用MOS管可能存在的問題
電動車窗系統的繼電器可能存在出點燒毀的風險,在繼電器開關的過程中,觸電之間存在著反電動勢,產生電弧。為了解決這一問題,需要保證在開合繼電器時,觸電間的電勢差為零,電壓為零。而觸電間要保持電勢差不變,條件是繼電器必須要一個斷路中進行工作,這時線路中可以通過添加電子開關來達到想要效果。
用mosfet場效應管作為電子開關,等mos管將回路斷開,繼電器才開始工作,此時及電磁觸電不產生電勢差。


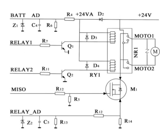
【原理圖】
原理圖如圖所示。接通開關時,MOS管呈斷開狀態,繼電器觸電間沒有電流存在所以無電勢差,閉合繼電器開關觸電不產生電弧。待繼電器閉合后,mos管再連通,馬達開啟,電動車窗可順利工作。
當馬達停止工作時,MOS管需要先行斷開,繼電器觸電此時不受影響。馬達關閉后,繼電器觸電不存在電勢差,無電流,可斷開繼電器觸電而不產生電弧。
三、選用MOSFET參數匹配
對于應用在電動車窗電流開關的mos管,其性能要求稍高,且馬達的反峰電壓會對mos管產生影響,需要mos管有一定的耐壓能力。
采用MOS管參數為:Vds=60V;Id(Tc=25℃)=55A;Id(Tc=100℃)=34.8A;脈沖電壓≤400V;Tj=-55~+150℃。
〈烜芯微/XXW〉專業制造二極管,三極管,MOS管,橋堆等,20年,工廠直銷省20%,上萬家電路電器生產企業選用,專業的工程師幫您穩定好每一批產品,如果您有遇到什么需要幫助解決的,可以直接聯系下方的聯系號碼或加QQ/微信,由我們的銷售經理給您精準的報價以及產品介紹
聯系號碼:18923864027(同微信)
QQ:709211280