cpld結構特點分析
CPLD是“復雜可編程邏輯器件”(Complex Programmable Logic Device)的縮寫。是一種數字電路硬件設備。CPLD采用多級可編程邏輯門陣列(PAL)和可編程互連資源(PIR)的組合實現邏輯功能,具有小型化、靈活性高、低功耗等特點。
CPLD是一種數字電路中的可編程器件,具有靈活、高效、通用等優點,在數字電路設計中得到廣泛應用。CPLD采用CMOS EPROM、EEPROM、快閃存儲器和SRAM等編程技術,從而構成了高密度、高速度和低功耗的可編程邏輯器件。
cpld的工作原理
CPLD由觸發器、邏輯單元、輸入輸出接口以及內部可編程互聯網絡組成。通過內部可編程互聯網絡的配置控制CPLD的邏輯電路,從而實現不同的數字電路功能。
cpld的特點
cpld具有編程靈活、集成度高、設計開發周期短、適用范圍寬、開發工具先進、設計制造成本低、對設計者的硬件經驗要求低、標準產品無需測試、保密性強、價格大眾化等特點,可實現較大規模的電路設計,因此被廣泛應用于產品的原型設計和產品生產(一般在10,000件以下)之中。幾乎所有應用中小規模通用數字集成電路的場合均可應用CPLD器件。
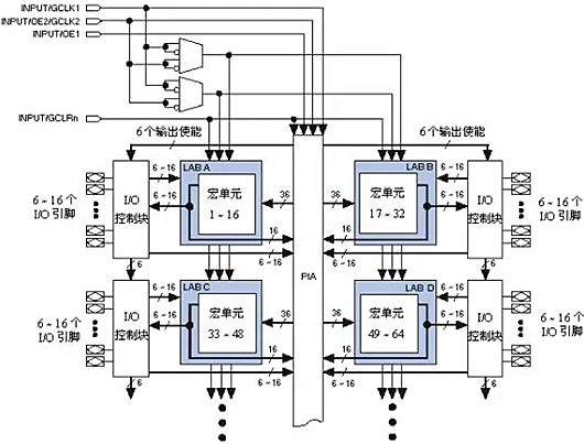
CPLD由可編程邏輯的功能圍繞一個可編程互連矩陣構成,由固定長度的金屬線實現邏輯單元之間的互連,并增加了I/O控制模塊的數量和功能。CPLD的基本結構可看成由可編程邏輯陣列(LAB),可編程I/O控制模塊和可編程內部連線(PIA)等三部分組成。


可編程邏輯陣列(LAB):由若干個可編程邏輯宏單元(Logic Macro Cell,LMC)組成,LMC主要包括與陣列、或陣列、可編程觸發器和多路選擇器等電路,能獨立地配置為時序或組合工作方式。
每個宏單元一般由乘積項陣列、乘積項分配和可編程寄存器構成。每個宏單元有多種配置方式,各宏單元也可級聯使用, 因此可實現較復雜組合邏輯和時序邏輯功能。對集成度較高的CPLD,通常還提供了帶片內RAM/ROM的嵌入陣列塊。


可編程互連通道主要提供邏輯塊、宏單元、輸入/輸出引腳間的互連網絡。輸入/輸出塊(I/O塊)提供內部邏輯到器件I/O引腳之間的接口。
邏輯規模較大的CPLD一般還內帶JTAG邊界掃描測試電路,可對已編程的高密度可編程邏輯器件做全面徹底的系統測試,此外也可通過JTAG接口進行在系統編程。
由于集成工藝、集成規模和制造廠家的不同,各種CPLD分區結構、邏輯單元等也有較大的差別。
cpld和fpga的區別
FPGA(Field Programmable Gate Array),是 “現場可編程門陣列 “的縮寫。
FPGA由可編程邏輯塊(CLB),輸入/輸出模塊(IOB)及可編程互連資源(PIR)等三種可編程電路和一個SRAM結構的配置存儲單元組成。
CLB是實現邏輯功能的基本單元,他們通常規則排列成一個陣列,散布于整個芯片中。
可編程輸入/輸出模塊(IOB)主要完成芯片上的邏輯與外部引腳的接口,它通常排列在芯片的四周。
可編程互連資源(PIR)包括各種長度的連線線段和一些可編程鏈接開關,他們將各個CLB之間或CLB與IOB之間以及IOB之間連接起來,構成特定功能的電路。


FPGA提供了更大的復雜性和靈活性以及諸如片上RAM、時鐘管理、DSP操作、乘法器等功能。另一方面,CPLD比FPGA消耗更少的功率,FPGA器件更有可能在應用變化的設計中被頻繁使用。
相比之下,CPLD器件在需要簡單的膠合邏輯和需要即時開啟電路的應用中使用,因為FPGA由于要從外部ROM加載配置,最初的工作速度較慢。
〈烜芯微/XXW〉專業制造二極管,三極管,MOS管,橋堆等,20年,工廠直銷省20%,上萬家電路電器生產企業選用,專業的工程師幫您穩定好每一批產品,如果您有遇到什么需要幫助解決的,可以直接聯系下方的聯系號碼或加QQ/微信,由我們的銷售經理給您精準的報價以及產品介紹
聯系號碼:18923864027(同微信)
QQ:709211280