ttl電路--TTL(Transistor-TransistorLogic)雙管邏輯電路,是一種廣泛使用的數字電子電路類型。TTL電路采用雙極型工藝制造,具有低功耗、高噪聲抑制、高穩定性等特點。
TTL電路的原理
利用晶體管的開關特性,在電路中構造基本邏輯門電路(如非門、與門、或門、異或門等),實現數字信號的處理和傳輸。TTL電路中晶體管的數量很多,因此其成本相對較高。但是TTL電路采用了直流電源,在高頻率下具有快速響應能力。
TTL電路工作分析
下面為標準TTL邏輯門的電路圖,正NAND門功能,如下圖所示。這種標準的TTL邏輯電路在某些情況下與二極管-晶體管邏輯(DTL)電路有關。


具有2輸入與非門的TTL電路
從上圖可以看出,T1是輸入三極管,在開關時間上有優勢。晶體管T2是分相器,晶體管T3和T4提供圖騰柱輸出。該TTL電路具有極低的輸入阻抗、高扇出和更好的抗噪性,并且能夠進行高電容驅動。
當輸入A和B為高電平時,晶體管T2和T3導通并充當共發射極放大器。晶體管T4和發射極處的二極管正向偏置,并且流過的電流量可以忽略不計。輸出為低電平,代表邏輯0。
當兩個輸入均為低電平時,二極管D1和D2正向偏置。由于5V的電源電壓VCC,電流通過D1和D2以及電阻R1流向地面。R1中的電源電壓下降,晶體管T2關斷,因為它沒有足夠的電壓來導通。因此,晶體管T4也因T2截止而截止。晶體管T3導通(高電平)并充當射極跟隨器。輸出為高電平,代表邏輯1。
當輸入A和B中的任何一個為低電平時,二極管就會由于低輸入而正向偏置。整個操作與上述相同。因此,輸出為高電平(邏輯1)。
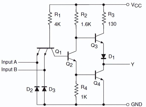
1、標準TTL電路
下圖顯示了標準TTL與非門的內部結構和特性。它的與非門是四路二輸入型。有四個5400/740電路。簡單來說,這種類型的TTL電路的工作原理如下。


標準TTL與非門
圖中所示的Q1是一個雙發射極NPN晶體管,這種類型的與非門類似于兩個晶體管,它們的基極和發射極端子連接在一起。命名為D2和D3的二極管用于限制本質上為負的輸入電壓。
TTL電路特點
1.TTL電路的邏輯門具有噪聲抑制功能,可以有效降低電路中的干擾信號;
2.TTL電路的響應速度很快,可以在幾納秒內完成信號處理;
3.TTL電路的功耗相對較低,可以節省能源和降低散熱成本;
4.TTL電路工作穩定可靠,具有高抗干擾性和長壽命等特點。
〈烜芯微/XXW〉專業制造二極管,三極管,MOS管,橋堆等,20年,工廠直銷省20%,上萬家電路電器生產企業選用,專業的工程師幫您穩定好每一批產品,如果您有遇到什么需要幫助解決的,可以直接聯系下方的聯系號碼或加QQ/微信,由我們的銷售經理給您精準的報價以及產品介紹
聯系號碼:18923864027(同微信)
QQ:709211280