atx電源
ATX電源(ATX Power Supply)是計算機的工作電源,作用是把交流220V的電源轉換為計算機內部使用的直流5V,12V,24V的電源。
atx電源電路分析
ATX電源的核心電路:ATX電源的主變換電路與AT電源相同,也是采用“雙管半橋它激式”電路,PWM(脈寬調制)控制器同樣采用TL494控制芯片,但取消了市電開關。由于取消了市電開關,所以只要接上電源線,在變換電路上就會有+300V直流電壓,同時輔助電源也向TL494提供工作電壓,為啟動電源作好準備。
ATX電源的特點就是利用TL494芯片第4腳的“死驅控制”功能,當該腳電壓為+5V時,TL494的第8、11腳無輸出脈沖,使兩個開關管都截止,電源就處于待機狀態,無電壓輸出。而當第4腳為0V時,TL494就有觸發脈沖提供給開關管,電源進入正常工作狀態。輔助電源的一路輸出送TL494,另一路輸出經分壓電路得到“+5VSB”和“PS-ON”兩個信號電壓,它們都為+5V。
其中,“+5VSB”輸出連接到ATX主板的“電源監控部件”,作為它的工作電壓,要求“+5VSB”輸出能提供10mA的工作電流。“電源監控部件”的輸出與“PS-ON”相連,在其觸發按鈕開關(非鎖定開關)未按下時,“PS-ON”為+5V,它連接到電壓比較器U1的正相輸入端,而U1負相輸入端的電壓為4.5V左右,這樣電壓比較器U1的輸出為+5V,送到TL494的“死驅控制腳”,使ATX電源處于待機狀態。
當按下主板的電源監控觸發按鈕開關(裝在主機箱的面板上),“PS-ON”變為低電平,則電壓比較器U1的輸出就為0V,使ATX主機電源開啟。再按一次面板上的觸發按鈕開關,使“PS-ON”又變為+5V,從而關閉電源。同時也可用程序來控制“電源監控部件”的輸出,使“PS-ON”變為+5V,自動關閉電源。如在WIN9X平臺下,發出關機指令,ATX電源就自動關閉。
atx電源電路圖一
IC1(TL494)等組成PWM電路。PWM(Pules Width Modulation)即脈寬調制電路,其功能是檢測輸出直流電壓,與基準電壓比較,進行放大,控制振蕩器的脈沖寬度,從而控制推挽開關電路以保持輸出電壓的穩定,主要由IC1 TL494及周圍元件組成。
其單元電路原理如下圖:


TL 494的簡單工作原理是:當IC1的VCC端{12}腳得電后,內部基準電源即從其輸出端{14}腳向外提供+5V參考基準電壓(Vref)。首先,該參考電壓分兩路為IC1組件的各控制端建立起它們各自的參考基準電平:一路經由R38、R37組成的分壓器為內部采樣放大器的反相輸入端{2}腳建立+2.5V的基準電平,另一路經由電阻R90、R40組成的分壓器為“死區”電平控制輸入端{4}腳建立約+0.15V的低電平;其次,Vref還向PS-ON軟開/關機電路及自動保護電路供電。
在IC1{12}腳得電,且{4}腳為低電平的情況下,其{8}腳和{11}腳分別輸出頻率為50kHz(由定時元件C30、R41確定),相位相差180°的脈寬調制信號,經Q3、Q4放大,T2耦合,驅動Q1和Q2輪流導通工作,電源輸出端可得到電腦所需的各組直流穩壓電源。若使{4}腳為高電平,則進入IC1的“死區”,IC1停止輸出脈沖信號,Q1、Q2截止,各組輸出端無電壓輸出。電腦正是利用此“死區控制”特性來實現軟開/關機和電源自動保護的。 D17、D18及C27用于抬高推動管Q3、Q4射極電平,使得當基極有脈沖低電平時Q3、Q4能可靠截止。
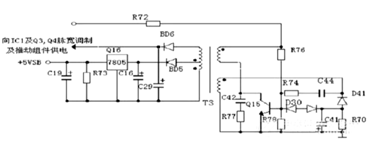
atx電源電路圖二
整流濾波后產生的+300V直流電壓還通過R72向以Q15、T3及相關元件組成直流輔助電源供電電路。R76和R78用來向Q15提供起振所需的初始偏流,R74和C44為正反饋通路。該輔助電源輸出兩路直流電源:一路經Q16穩壓后送出+5VSB電源,作為電腦中主板“電源監控”部件的供電電源;另一路經BD6、C29整流濾波后向由IC1及Q3、Q4等組成的脈寬調制及推動組件供電。正常情況下,只要接通220伏市電,該輔助電源就能啟動工作,產生上述兩路直流電壓。
其單元電路原理如下圖:

〈烜芯微/XXW〉專業制造二極管,三極管,MOS管,橋堆等,20年,工廠直銷省20%,上萬家電路電器生產企業選用,專業的工程師幫您穩定好每一批產品,如果您有遇到什么需要幫助解決的,可以直接聯系下方的聯系號碼或加QQ/微信,由我們的銷售經理給您精準的報價以及產品介紹

〈烜芯微/XXW〉專業制造二極管,三極管,MOS管,橋堆等,20年,工廠直銷省20%,上萬家電路電器生產企業選用,專業的工程師幫您穩定好每一批產品,如果您有遇到什么需要幫助解決的,可以直接聯系下方的聯系號碼或加QQ/微信,由我們的銷售經理給您精準的報價以及產品介紹
聯系號碼:18923864027(同微信)
QQ:709211280