常見的電阻參數
電阻的額度阻值
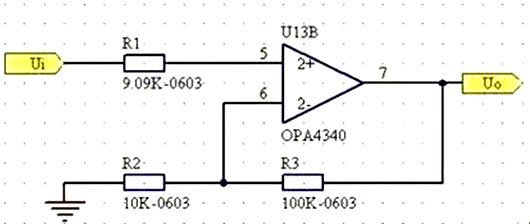
電阻的額度阻值的選擇往往被應用固定了,比如對一個LED燈限流,或者對某個電流信號取樣,電阻的阻值基本沒有其他選擇。但是有些場合,對電阻的選擇卻有多種,比如對一個電壓信號進行放大,如圖所示,放大倍數跟R2與R3的比例有關,與R2、R3的值無關。
這時選擇電阻的阻值還是有根據的:電阻阻值越大,熱噪聲就越大,放大器的性能就越差;電阻阻值越小,工作時電流越大,電流噪聲也就越大,放大器的性能就越差;這是很多放大電路的電阻是幾十K的原因了,有需要用到大阻值的地方,或者是使用電壓跟隨器,或者使用T型網絡來避免。

電阻的精度
電阻的精度一般有1%和5%,精密的要0.1%等。0.1%的價格大約是1%的十倍,1%的價格大約是5%的1.3倍。一般地,精度代號A=0.05%、B=0.1%、C=0.25%、D=0.5%、F=1%、G=2%、J=5%、K=10%、M=20%。
電阻的額度功率
電阻的功率本來很簡單,但是往往容易用得不恰當。比如2512的貼片電阻,額度功率是1W,根據電阻的規格書,溫度超過70攝氏度時,電阻就要降額使用。
2512的貼片電阻到底能用到多大的功率呢,在常溫下,如果PCB焊盤沒有特殊散熱處理,2512的貼片電阻功率達到0.3W時,溫度就可能要超過100甚至120攝氏度了。
在125攝氏度的溫度下,根據溫度降額曲線,2512的額度功率需降額到30%了。這種情況在任何封裝的電阻都需要注意的,不要迷信標稱功率,關鍵的位置最好再三確認避免留下隱患。
電阻的耐壓值
電阻的耐壓值一般比較少提,特別是新手,往往沒有什么概念,以為電容才有耐壓值。電阻兩端能夠施加的電壓,一個是由額度功率決定,要保證功率不超過額度功率,另外就是電阻的耐壓值了。
雖然電阻體的功率不超過額度功率,但是過高的電壓會導致電阻不穩定、電阻引腳間爬電等故障,在使用時需根據使用的電壓選擇合理的電阻。
部分封裝的耐壓值包括:0603=50V,0805=100V,1206至2512=200V,1/4W插件=250V。而且,時間應用中,電阻上的電壓應該比額度耐壓值小20%以上,不然時間一長就容易出問題了。
電阻的溫度系數
電阻溫度系數是描述電阻隨溫度變化的參數。這個主要由電阻的材料決定的,一般厚膜片式電阻0603以上的封裝都可以做到100ppm/℃,意思就是該電阻環境溫度變化25攝氏度時,電阻值有可能變化了0.25%。如果是12bit的ADC,0.25%的變化也就是10個LSB了。
所以像AD620這樣的運放,僅靠一個電阻調整放大倍數的,很多老工程師不會貪方便而使用,他們會使用常規電路,通過兩個電阻的比例調節放大倍數,當電阻是相同類型的電阻時,溫度引起的阻值變化不會帶來比例的變化,電路就更穩定。
在要求更高的精密儀表,會使用金屬膜電阻,他們的溫漂做到10至20ppm是容易的,當然也就貴點。總之,在儀表類的精密應用中,溫度系數絕對是很重要的一個參數,電阻不精準可以在校準時調整參數,電阻隨外界溫度的變化是控制不了的。
電阻的結構
電阻的結構比較多,這里提下能想起來的應用。機器的啟動電阻,一般是用電阻對大容量的鋁電解進行預充電,充滿鋁電解后閉合繼電器接通電源工作。這種電阻需要耐沖擊,最好使用大繞線電阻,電阻的額度功率不是很重要,但瞬時功率卻很高,普通的電阻難滿足要求。
高壓應用,比如電容放電的電阻,實際工作電壓超過500V,最好使用高壓玻璃釉電阻而不是普通的水泥電阻。尖峰吸收的應用,比如可控硅模塊兩端需要并聯RC做吸收,做dv/dt保護,最好就實現無感繞線電阻,這樣才能對尖峰有良好的吸收性能并且不容易被沖擊損壞。
〈烜芯微/XXW〉專業制造二極管,三極管,MOS管,橋堆等,20年,工廠直銷省20%,上萬家電路電器生產企業選用,專業的工程師幫您穩定好每一批產品,如果您有遇到什么需要幫助解決的,可以直接聯系下方的聯系號碼或加QQ/微信,由我們的銷售經理給您精準的報價以及產品介紹
聯系號碼:18923864027(同微信)
QQ:709211280