輸入電容器和輸出電容器的作用

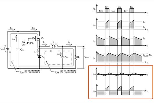
框中的上方ICO為輸出電容器、下方ICIN為輸入電容器的電流波形。輸入電容器可從VIN充電,當晶體管Q1為ON時會放出開關電流IDD。比較大的電流會急劇反復流動。輸出電容器以輸出電壓為中心反復與輸出紋波電壓連動進行充放電工作。
輸入電容器的選定
輸入電容器的選定的重要因素有以下3個。
1)額定電壓
2)額定紋波電流及紋波發熱特性
3)使用陶瓷電容器時:溫度特性和DC偏置特性
此外,選擇前請注意以下幾點:
額定電壓必須比最大輸入電壓高。
額定紋波電流必須比IC輸入所發生的最大輸入紋波電流大。
降壓轉換器中,瞬間輸入電流的最大值與輸出電流相同。
流向輸入電容器的紋波電流實效值ICIN用下列公式表示。

以此結果為主,并且根據電容器紋波電流絕對最大額定和紋波發熱特性的圖表來選擇可對應電容器。
輸入紋波電壓ΔVIN用以下公式計算。

由此公式可知,如果輸入電容器變大時,輸入紋波電壓會變小。
可以選擇陶瓷電容器作為輸入電容器。使用陶瓷電容器時,一般必須注意溫度變化和DC偏置導致的電容器變化。
關于溫度特性,如果為CLASS2(高介電常數型)型的EAI符號X5R(-55~+85℃、電容值變化率 ±15%)或X7R (-55~+125℃、電容值變化率 ±15%)的話,可充分獲得穩定的溫度特性。
關于DC偏置,當然須選擇影響少的,不過即使電容值、耐壓相同,變動特性也會因封裝尺寸而異。下方圖表為其一例,顯示尺寸大者變動少。總之,請務必從電容器廠商取得充分的信息。

基本上,必須根據這些信息選擇輸入電容器,不過試作評估時也有必要確認摻入紋波的輸入電壓沒有超過耐壓、沒有因紋波電流而產生無法承受的發熱等。
關鍵要點:
選定的重點是額定電壓、額定紋波電流、紋波發熱特性、尤其是陶瓷電容器時溫度特性和DC偏置特性
輸出電容器必須承受高電壓和大紋波電流。
〈烜芯微/XXW〉專業制造二極管,三極管,MOS管,橋堆等,20年,工廠直銷省20%,上萬家電路電器生產企業選用,專業的工程師幫您穩定好每一批產品,如果您有遇到什么需要幫助解決的,可以直接聯系下方的聯系號碼或加QQ/微信,由我們的銷售經理給您精準的報價以及產品介紹
聯系號碼:18923864027(同微信)
QQ:709211280