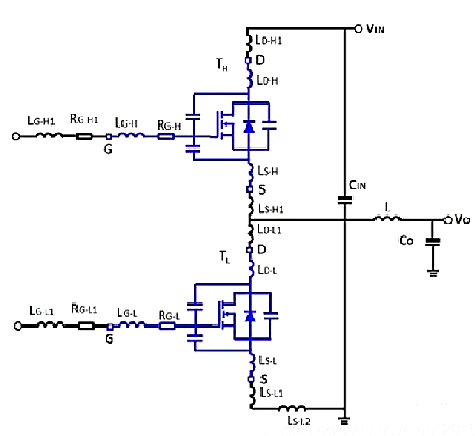
下面是BUCK同步整流的實際等效模型,包括很多寄生電感,比如器件的引線電感,布線的寄生電感等。

負壓產生的原因:當上管關斷下管導通的過程中,由于輸出電感電流不能突變的特性 ,上管電流減小,下管電流增加,下管回路的寄生電感會感應出下正上負的電壓,下為0,所以上也就是開關節點為負壓。注意這里,下管沒驅動的時候,走體二極管。
那這個感應電壓與Ldi/dt,即寄生電感的大小有關,電流的變化率有關,即開關頻率有關。

當然在測試時,注意探頭的影響,以最小環路測試。
影響
那產生這個負壓有什么影響呢?
1.上管因為過壓而損壞
因為關斷時,上管D端為電源,S端為負,導致DS兩端的電壓過高,而損壞器件。
2.上下管直通
開關節點SW的電壓為負,上管在關斷時,Vgs可能因為s負的太多,導致上管導通,導致上下管直通,產生過流損壞管子。
解決方法
1.降低上管的關斷速度
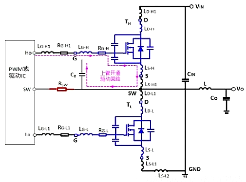
驅動串電阻
上管自舉驅動電路VB和CB之間外加串聯電阻
增加上管源極外部串聯的PCB引線電感
2.IC的SW管腳和開關節點之間串聯電阻

注意RSW放在CB電容的左邊,可以不影響開通速度,放在右邊會影響。
3.IC的地端串聯電阻
PWM或驅動IC的地端與輸入電容的地端串聯電阻,同樣可以降低負壓電流,實際應用中,不推薦這種方式。
4.IC的SW管腳和地之間并聯穩壓管
〈烜芯微/XXW〉專業制造二極管,三極管,MOS管,橋堆等,20年,工廠直銷省20%,上萬家電路電器生產企業選用,專業的工程師幫您穩定好每一批產品,如果您有遇到什么需要幫助解決的,可以直接聯系下方的聯系號碼或加QQ/微信,由我們的銷售經理給您精準的報價以及產品介紹
聯系號碼:18923864027(同微信)
QQ:709211280