脈沖功率放大器設計
電路設計
設計的寬頻帶大功率脈沖放大器模塊 要求工作頻段大于4個倍頻程,而且輸出功率大,對諧波和雜波有較高的抑制能力;另外由于諧波是在工作頻帶內,因此要求放大器模塊具有很高的線性度。
針對設計要求,設計中射頻功率放大器放大鏈采用三級場效應管,全部選用MOSFET。每級放大均采用AB類功率放大模式,且均選用推挽式,以保證功率放大器模塊可以寬帶工作。
考慮到供電電源通常使用正電壓比較方便,因此選用增強型MOS場效應管。另外為了展寬頻帶和輸出大功率,采用傳輸線寬帶匹配技術和反饋電路,以達到設計要求。
由于本射頻功率放大器輸出要求為大功率脈沖式發射,因此要求第一、二級使用的MOSFET應具備快速開關切換,以保證脈沖調制信號的下降沿和上升沿完好,減少雜波和諧波的干擾。
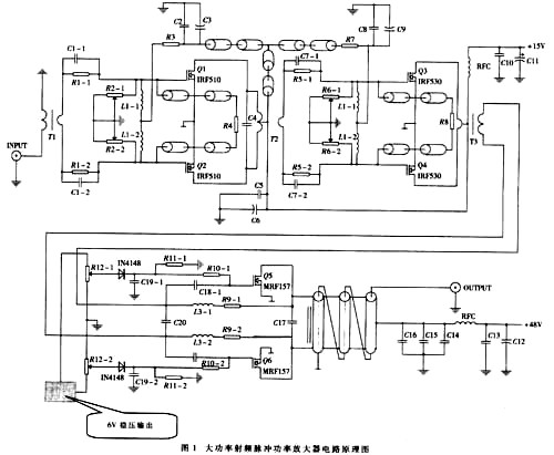
設計中第一、二級功率放大選用MOSFET為IRF510和IRF530。最后一級功放要求輸出脈沖功率達到1200W,為避免使用功率合成技術,選用MOSPRT MRFl57作為最后的功率輸出級。所設計的射頻脈沖功率放大器電路原理圖如圖1所示。

發射通道的建立都是在信號源產生射頻信號后經過幾級的中間級放大才把信號輸入到功率放大級,最后通過天線把射頻信號發射出去。
圖1中,輸入信號為20~21dBm,50Ω輸入;工作電壓為15V和一48V,其中15V為第一、二級功放提供工作電壓,48V為最后一級功放提供工作電壓;6V穩壓輸出可以使用15V或48V進行穩壓變換,電路整體設計采用AB類功率放大,設計的駐波比為1.9。
經過中間級放大后的信號,首先通過Tl(4:1)阻抗變換后進入功率放大器。在信號的上半周期Q1導通,信號的下半周期Q2導通;然后輪流通過T2(16:1)阻抗變換進入第二級放大,同樣信號的上半周期Q3導通,下半周期Q4導通,完成整個信號全周期的能量放大;進入最后一級放大時使用T3(4:1)阻抗變換,以繼續增加工作電流驅動大功率MOSFETMRFl57。為保證50Ω輸出,輸出端的阻抗變換為T4(1:9)。
電路中使用負反饋電路的目的是在整個帶寬頻率響應內產生一個相對平穩的功率增益,保持增益的線性度,同時引進負反饋電路,有利于改善輸入回損和低頻端信號功率放大的穩定性。
另外每一級電路設計中,都使用了滑動變阻器來設置每個管子的偏置電壓,這樣做大大降低了交越失真的發生,盡可能使放大信號在上、下半周期的波形不失真。
電路板(PCB)和傳輸線變壓器設計
為保證整個頻帶內信號放大的一致性,降低雜波和諧波的影響,寬頻帶高功率射頻放大器采用了AB類功率放大,以保證電路的對稱性。
在設計PCB時,盡量保證銅膜走線的形式對稱,長度相同。為便于PcB板介電常數的選取,整個PCB板為鉛錫光板。在信號輸入和輸出端使用了Smith圓圖軟件計算和仿真銅膜走線的形狀、尺寸,以確保阻抗特性良好匹配。
設計中的關鍵技術之一就是傳輸線變壓器的設計和制作。利用傳輸線阻抗變換器可以完成信號源與功率MOSFET管輸入端或輸出端之間的阻抗匹配。可以最大限度地利用管子本身的帶寬潛能。
傳輸線變壓器在設計使用上有兩點必須注意:一是源阻抗、負載阻抗和傳輸線阻抗的匹配關系;二是輸入端和輸出端必須滿足規定的連接及接地方式。由于設計中采用了AB類功率放大方式,因此初級線圈的輸入與次級線圈的輸出要盡可能保證對稱。
設計中一共使用了T1、T2、T3、T4 4個傳輸線變壓器。在前兩級功率放大時,T1和T2的次級線圈都是一圈,T3的次級線圈是二圈,這是因為磁材料的飽和經常發生在低頻端,增加T3的初、次級線圈數,有利于改善低頻端性能。
T1、T2、T3使用同軸線SFF-1.5-1的芯線作為初級線圈傳輸線,次級線圈采用銅箔材料設計,使用厚度為O.8mm的銅箔。T4為進口外購的高功率傳輸線變壓器(型號:RF2067-3R)。設計的T1如圖2所示。

圖2中深色區域代表覆銅區域。銅箔管首先穿過磁環后再穿過兩端的銅膜板并焊接在一起,完成次級線圈。T2的設計基本與Tl相似,只是使用同軸線SFF-1.5-l的芯線纏繞的初級線圈圈數不同而已。
73次級線圈的制作有些變化,目的是加強低頻信號的通過程度。不使用銅箔管,而使用銅箔彎曲成弧形。如圖3所示。

在每個磁環孔中穿過兩個銅箔片,分別與兩端的銅膜板焊接,這樣整個線圈的次級線圈就是兩圈,然后根據阻抗比完成初級線圈的纏繞。這樣做的目的是在固定的阻抗比的情況下增加初、次級的圈數以改善放大器的低頻特性。
散熱設計
凡是射頻功率放大,其輸出功率很大,管子的功耗也大,發熱量非常高,因此必須對管子散熱。根據每一級管子的功耗PD以及管子的熱特性指標,這些熱指標包括器件管芯傳到器件外殼的熱阻ROJC,器件允許的結溫為T1、工作環境溫度為TA等,可以計算出需要使用的散熱材料的 尺寸大小和種類。本設計中,器件的工作環境溫度為55℃,使用的鋁質散熱片尺寸為290mm×110mm×35mm,而且需要使用直流風機對最后一級MOSFET進行散熱處理。
〈烜芯微/XXW〉專業制造二極管,三極管,MOS管,橋堆等,20年,工廠直銷省20%,上萬家電路電器生產企業選用,專業的工程師幫您穩定好每一批產品,如果您有遇到什么需要幫助解決的,可以直接聯系下方的聯系號碼或加QQ/微信,由我們的銷售經理給您精準的報價以及產品介紹
聯系號碼:18923864027(同微信)
QQ:709211280