在I2C主從設備對接時,需要考慮主從設備的電平情況,常規的主要有3種:5V,3.3V,1.8V。如果電平相同,比如都是3.3V,那么可以直接對接。如果電平不同,一個高電平是3.3V ,另外一個是1.8V,那么就需要接入其它的器件來做一下電平轉換,通常是接入NMOS管。
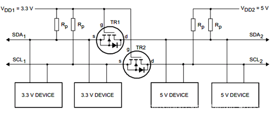
通過使用雙向電平轉換器可以將電源電壓和邏輯電平不同的兩部分I2C 總線連接起來配置入下圖所示。左邊的低電壓部分有上拉電阻而且器件連接到3.3V 的電源電壓,右邊的高電平部分有上拉電阻器件連接到5V 電源電壓。兩部分的器件都有與邏輯輸入電平相關的電源電壓和開漏輸出配置的I/O。
每條總線線路的電平轉換器是相同的而且由一個分立的N通道增強型MOS-FET管串行數據線SDA的TR1和串行時鐘線SCL 的TR2 組成。門極g 要連接到電源電壓VDD1, 源極s 連接到低電壓部分的總線線路而漏極d 則連接到高電壓部分的總線線路。
很多MOS-FET 管的基底與它的源極內部連接,如果內部沒有,就必須建立一個外部連接。因此,每個MOS-FET 管在漏極和基底之間都有一個集成的二極管n-p 結。如下圖所示。

電平轉換器的操作
在電平轉換器的操作中要考慮下面的三種狀態:
1、 沒有器件下拉總線線路。
低電壓部分的總線線路通過上拉電阻Rp 上拉至VDD1(3.3V) MOS-FET 管的門極和源極都是VDD1(3.3V), 所以它的VGS 低于閥值電壓MOS-FET 管不導通這就允許高電壓部分的總線線路通過它的上拉電阻Rp 拉到5V。 此時兩部分的總線線路都是高電平只是電壓電平不同。
2、一個3.3V 器件下拉總線線路到低電平。
MOS-FET 管的源極也變成低電平而門極是VDD1(3.3V)。VGS高于閥值,MOS-FET 管開始導通然后高電壓部分的總線線路通過導通的MOS-FET管被VDD1(3.3V)器件下拉到低電平,此時兩部分的總線線路都是低電平而且電壓電平相同。
3、一個5V 的器件下拉總線線路到低電平。
MOS-FET 管的漏極基底、二極管低電壓部分被下拉,直到VGS 超過閥值,MOS-FET 管開始導通,低電壓部分的總線線路通過導通的MOS-FET管被5V 的器件進一步下拉到低電平,此時兩部分的總線線路都是低電平而且電壓電平相同。
這三種狀態顯示了邏輯電平在總線系統的兩個方向上傳輸,與驅動的部分無關。狀態1 執行了電平轉換功能,狀態2和3按照I2C總線規范的要求在兩部分的總線線路之間實現“線與”的功能。除了VDD1 (3.3V)和VDD2 (5.0V)的電源電壓外,還可以是例如2V VDD1 和10V VDD2 等的正常操作。其中VDD2必須等于或高于VDD1 。
但是值得注意的是,VDD1作為較低部分的電壓,必須能夠大于所選擇的MOS-FET的閥值電壓,也就是必須能夠打開MOS-FET。此管參數必須謹慎選擇。如下兩種參數MOS-FET,在VDD1 (1.8V)到VDD2 (3.0V) 的電路中就可能存在截然不同的效果。
管1

管2

選擇管1,由于VGS的范圍是1.0~2.5V,很有可能出現大于1.8V的狀況,因此VDD1方面傳輸低電平信號時,MOS-FET不能很完全的被打開,導致到VDD2 (3.0V)方面的信號不能徹底為低,出現半高狀態。
選擇管2,由于VGS的范圍是0.9~1.5V小于1.8V,因此,通路才會正常工作。
其他不同電壓間的轉換原理如上,請悉心選擇器件。
在3.3V IIC總線中用到5V IIC器件,該電路已實驗通過。

〈烜芯微/XXW〉專業制造二極管,三極管,MOS管,橋堆等,20年,工廠直銷省20%,上萬家電路電器生產企業選用,專業的工程師幫您穩定好每一批產品,如果您有遇到什么需要幫助解決的,可以直接聯系下方的聯系號碼或加QQ/微信,由我們的銷售經理給您精準的報價以及產品介紹
聯系號碼:18923864027(同微信)
QQ:709211280