鏡像恒流源電路
如圖1所示為鏡像恒流源電路,它由兩只特性完全相同的管子VT0和VT1構成,由于VT0管的c、b極連接,因此UCE0=UBE0,即VT0處于放大狀態,集電極電流IC0=β0*IB0。
另外,管子VT0和VT1的b-e分別連接,所以它們的基極電流IB0=IB1=IB。設電流放大系數β0=β1=β,則兩管集電極電流IC0=IC1=IC=β*IB。可見,由于電路的這種特殊接法,使兩管集電極IC1和IC0呈鏡像關系,故稱此電路為鏡像恒流源(IR為基準電流,IC1為輸出電流)。

圖1 鏡像恒流源電路
鏡像恒流源電路簡單,應用廣泛。但是在電源電壓一定時,若要求IC1較大,則IR勢必增大,電阻R的功耗就增大,這是集成電路中應當避免的;
若要求IC1較小,則IR勢必也小,電阻R的數值就很大,這在集成電路中很難做到,為此,人們就想到用其他方法解決,這樣就衍生出其他電流源電路。
比例恒流源電路
如圖2所示為比例恒流源電路,它由兩只特性完全相同的管子VT0和VT1構成,兩管的發射極分別串入電阻Re0和Re1。比例恒流電路源改變了IC1≈IR的關系,使IC1與IR呈比例關系,從而克服了鏡像恒流源電路的缺點。
與典型的靜態工作點穩定電路一樣,Re0和Re1是電流負反饋電阻,因此與鏡像恒流源電路相比,比例恒流源的輸出電流IC1具有更高的穩定性。
當Re0=Re1時,IC1仍然等于IR,但此電路的IR由式(2-4)約定,比式(2-2)的IR小,一般用于前置放大器的輸入級。

圖2 比例恒流源電路
微變恒流源電路
由式(2-3)可知,若Re0很小甚至于為零,則Re1只采用較小的電阻就能獲得較小的輸出電流,這種電路稱為微變恒流源,如圖3所示。
集成運放輸入級靜態電流很小,往往只有幾十微安,甚至更小,因此微變電流源主要應用于集成運放輸入級的有源負載。

圖3 微變恒流源電路
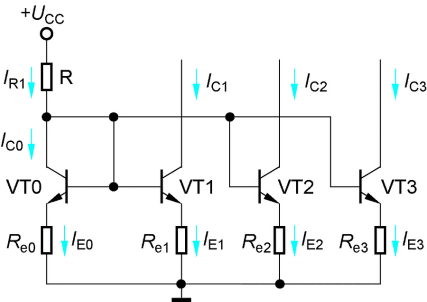
多路恒流源電路
集成運放是一個多級放大電路,因而需要多路恒流源電路分別給各級提供合適的靜態電流。可以利用一個基準電流去獲得多個不同的輸出電流,以適應各級的需要。
圖4所示電路是在比例恒流源基礎上得到的多路恒流源電路,IR為基準電流,IC1、IC2和IC3為三路輸出電流。由于各管的b-e間電壓UBE數值大致相等,因此可得近似關系
IE0Re0≈IE1Re1≈IE2Re2≈IE3Re3(2-6)
當IE0確定后,各級只要選擇合適的電阻,就可以得到所需的電流。

圖4 多路恒流源電路
〈烜芯微/XXW〉專業制造二極管,三極管,MOS管,橋堆等,20年,工廠直銷省20%,上萬家電路電器生產企業選用,專業的工程師幫您穩定好每一批產品,如果您有遇到什么需要幫助解決的,可以直接聯系下方的聯系號碼或加QQ/微信,由我們的銷售經理給您精準的報價以及產品介紹
聯系號碼:18923864027(同微信)
QQ:709211280