計算方法
輸入阻抗:通過在輸入端加上一個電壓源U,測試輸入端的電流I,則輸入阻抗Rin=U/I。輸入阻抗越大越好,電阻越大,可以得到的分壓越大,驅動能力越強。輸入阻抗越大,相對應的電源內阻就會顯得越小。
輸出阻抗:又稱為內阻,不接負載的情況下測得輸出端的電壓U/I。因此Ro越小越好,因為內阻越小,自身損耗也就越小,帶負載能力就越強。
計算舉例
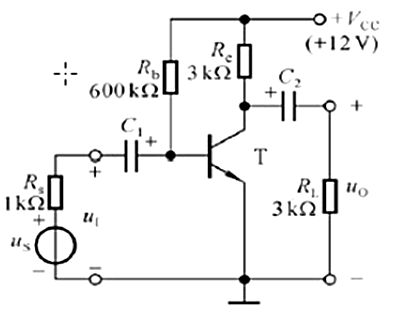
如圖所示為阻容耦合共射放大電路,取β = 100,rbe = 1k

其交流等效模型:

則電路放大倍數:

信號源放大倍數:

輸入阻抗:Ri = Rb // rbe
輸出阻抗:Ro = Rc
〈烜芯微/XXW〉專業制造二極管,三極管,MOS管,橋堆等,20年,工廠直銷省20%,上萬家電路電器生產企業選用,專業的工程師幫您穩定好每一批產品,如果您有遇到什么需要幫助解決的,可以直接聯系下方的聯系號碼或加QQ/微信,由我們的銷售經理給您精準的報價以及產品介紹
聯系號碼:18923864027(同微信)
QQ:709211280