鋰電池低功耗供電電路:DC-DC 5V降壓3.3V
1、DC to DC包括boost(升壓)、buck(降壓)、Boost/buck(升/降壓)和反相結構,具有高效率、高輸出電流、低靜態電流等特點,隨著集成度的提高,許多新型DC-DC轉換器的外圍電路僅需電感和濾波電容;但該類電源控制器的輸出紋波和開關噪聲較大、成本相對較高。
2、LDO:低壓差線性穩壓器的突出優點是具有最低的成本,最低的噪聲和最低的靜態電流。它的外圍器件也很少,通常只有一兩個旁路電容。新型LDO可達到以下指標:30μV輸出噪聲、60dBPSRR、6μA靜態電流及100mV的壓差。
TLV62565/6 器件是針對小型解決方案尺寸和高效率進行優化的同步降壓轉換器。 此器件集成了能夠傳送高達 1.5A 輸出電流的開關。
此器件借助谷值電流模式控制系統配置,根據自適應接通時間進行工作。 中等或重負載時的典型工作頻率為 1.5MHz。 此器件被優化以便即使在使用小型外部組件時也能實現極低的輸出電壓紋波,并且特有一個出色的負載瞬態響應。
輕負載期間,TLV62565/6 在最低靜態電流(典型值 50μA)時自動進入省電模式以在整個負載電流范圍內保持高效率。 關斷時,流耗減少至小于 1μA。
TLV62565/6 通過一個外部電阻分壓器來提供一個可調輸出電壓。 輸出電壓啟動斜坡由一個內部軟啟動控制,通常情況下為 250μs。 通過配置使能 (TLV62565) 和電源正常 (TLV62566) 引腳也有可能實現電源排序。 其它諸如過流保護和過熱保護的特性是內置的。 TLV62565/6 器件采用 5 引腳 SOT-23 封裝。

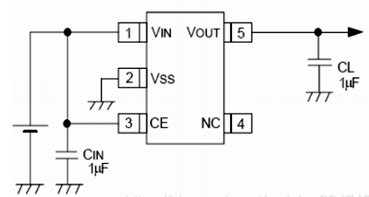
ME6211 系列是以 CMOS 工藝制造的高精度,高紋波抑制比,低噪音, 超快響應低壓差線性穩壓器。ME6211系列穩壓器穩壓器內置固定的參考電壓源,誤差修正電路,限流電路,相位補償電路以及低內阻的MOSFET,達到高紋波抑制,低輸出噪音,超快響應低壓差的性能。
ME6211系列兼容體積比鉭電容更小的陶瓷電容,而且不需使用0.1μF的By-pass電容, 更能節省空間。ME6211系列的高速響應特性能應付負載電流的波動,所以特別適合使用于手持及射頻產品上。通過控制芯片上的CE腳可將輸出關斷,在關斷后的功耗只有1μA以下。

〈烜芯微/XXW〉專業制造二極管,三極管,MOS管,橋堆等,20年,工廠直銷省20%,上萬家電路電器生產企業選用,專業的工程師幫您穩定好每一批產品,如果您有遇到什么需要幫助解決的,可以直接聯系下方的聯系號碼或加QQ/微信,由我們的銷售經理給您精準的報價以及產品介紹
聯系號碼:18923864027(同微信)
QQ:709211280