工作點
小信號是大信號工作在固定偏置點下電路體現,那么為了得到我們需要的小信號性能,例如運放的增益,BW,GBW,PM,那么一個重要的前提就是電路要工作在小信號需要的偏置點上。
偏置點可以選擇的自由度是很多的,例如對一個MOS管,Vgs,Vds,Vbs等等都是可以設置的,但是對于模擬CMOS電路,大部分電路偏執點有一個前提:
MOS管工作在飽和區
注:現在很多電路的MOS管也工作在亞閾值區,但這種情況和飽和區比較相似,因此本文暫時忽略工作在亞閾值的情況。
運放與電流鏡的關系
如何讓運放的MOS管工作在飽和區

單級共源放大器
讓我們以上圖為例,研究如何讓這個共源放大器的MOS管都工作在飽和區。 這是一個電流源負載的共源放大器,其中M2作為電流源使用,其電流是通過Vb提供的。在這個放大器中,需要的偏置電壓包括:
Vb偏置M2
Vin雖然是輸入電壓,但是其電壓值在一個固定電壓值附近波動,這個固定電壓值就是M1的偏置電壓
對于如何讓他們工作在飽和區,我們通過大信號的思路去分析:
Vb偏置M2,產生一個電流I2;
Vin偏置M1,產生一個電流I1;
直觀地,或者說根據KCL,I1=I2;
假設M1和M2均工作在飽和區,根據Vb和Vin的值以及平方律模型,它們產生電流I1,I2;
如果I1剛好等于I2,那么他們工作在飽和區的假設成立;
如果I1>I2,由于它們的電流需要相等,因此Vout會適當減小,通過降低M1的Vds1,增大M2的|Vds2|,調節他們的電流相等;
如果這個調節過程中,vds1仍然滿足Vds1>Vod1,那么M1仍然工作在飽和區;如果不滿足,那么M1就工作在線性區;
I1<I2的情況也可根據上述進行分析;
在上述過程中,造成M1或M2被擠壓到線性區的本質是,M1和M2假設他們工作在飽和區產生的電流I1和I2不相等,且相差較大。因此,為了避免該情況的發生,就需要合理地設置Vb和Vin。

差分輸入,差分輸出放大器
針對上圖的差分輸入,差分輸出,我們可以做類似的分析。首先,在工作點時,差分輸入為0,兩個輸入被偏置在輸入共模電壓上,這個時候差分運放的左右工作在對稱,也就是相同的狀態,以左邊為例:
上半部分的電流是由Vb3偏置M7確定的,工作電流為I1;
下半部分的電流因為輸入差分電壓為0,左右各分ISS/2的電流;
假設I1和ISS/2是所有晶體管工作在飽和區的電流值,如果I1>ISS/2,那么X點電壓Vx會升高,通過調小M5和M7的|Vds|來減小I1,同時M1,M3,M9的Vds會增大,從而增大ISS/2,以此來讓I1和ISS/2相等;
如果Vx升高太多,那么就會把M5或者M7擠入線性區;
I1<ISS/2的情況也可以作此分析
因此,為了讓所有晶體管工作在飽和區,那么就要讓Vb3和Vb4合理地選擇以滿足ISS/2=I1。
如何用電流鏡偏置運放
從上文可知,讓運放工作在飽和區地關鍵是運放地上半部分(PMOS部分)和下半部分(NMOS部分)按照飽和區的工作狀態產生的電流相等。那最好的方式就是讓他們從一個電流源拷貝過來,如下圖所示。

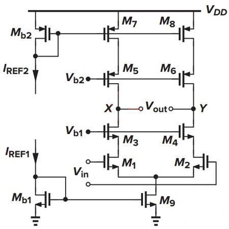
電流鏡偏置運放
在上圖中,如果IREF1和IREF2是一個電流源而來,通過Mb2和M7,Mb1和M9合適的比例設置,就可以滿足上文的要求。 為了更好地匹配,實際電路中,Mb2和M7,Mb1和M9通常采用相同的W/L,通過改變并聯個數來實現,這樣可以保證在不同PVT下拷貝都很精準。
共模反饋的作用
然而,即使我們再精心地在前仿真時候設計,實際到后仿真,tape-out,因為器件失配,上文描述的電流相等也幾乎不可能出現,而且這樣去匹配本身就違背了魯棒性的原則。這就體現了共模反饋電流的重要性。

共模反饋電路
如上圖所示,通過共模反饋電路環路去調節“上”,“下”電流中的一個,讓兩者相等,這樣可以更魯棒地實現上文的電流相等要求,讓運放的所有晶體管工作的飽和區。 即使有共模反饋電路的“加持”,但上節提到的匹配設計還是很有必要,它可以減輕共模反饋電路的負擔,也是一種更為模塊,規整的設計思路。
總結
通過本文,我們可以看出,其實運放的晶體管就是電流鏡的拷貝晶體管,而偏置電路就是一個電流鏡的源頭。
〈烜芯微/XXW〉專業制造二極管,三極管,MOS管,橋堆等,20年,工廠直銷省20%,上萬家電路電器生產企業選用,專業的工程師幫您穩定好每一批產品,如果您有遇到什么需要幫助解決的,可以直接聯系下方的聯系號碼或加QQ/微信,由我們的銷售經理給您精準的報價以及產品介紹
聯系號碼:18923864027(同微信)
QQ:709211280