用分立元件做MOS管驅動

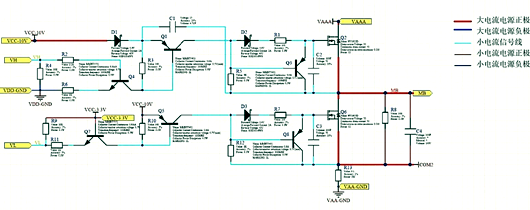
圖1 分立元件MOS驅動電路
如圖1所示,這是用三極管、二極管、電阻、電容分立元件搭建的MOS驅動電路。
分析情況如下:
當VH為高電平,Q4就會導通是的Q1的基極為低電平,同時使得Q1導通,VCC-10V電壓通過二極管D1、三極管Q1、二極管D2、電阻R1驅動MOS管Q2的G極;
當VH為低電平,Q4就不會導通,所以Q1的基極沒有電流流過也處于截止狀態,所以VCC-10V電壓不會通過三極管Q1,那么沒有電壓驅動MOS管Q2的G極,由于MOS管Q2內部寄生電容和電容C2的存在,G極處存在累計電荷,要通過三極管Q3和電阻R5釋放掉;
當VL為低電平,Q7基極有電流流過,所以Q5的集電極和發射極導通,導致Q5基極也流過電流,所以VCC-10V電壓通過三極管Q5、二極管D3、電阻R7對MOS管的G極進行驅動;
當VL為高電平,Q7基極無電流流過,所以三極管Q7不會導通,那么導致Q5的發射極和基極處于等電位,Q5的基極也無電流流過,Q5也處于截止狀態,同理三極管Q8和電阻R12組成放電電路對G極電荷進行放電。
分析驅動電路自舉電容的作用
這里面有個元件可能剛上手分析的時候,弄不懂作用,是哪個呢?是電容C1。由于電容上的電壓不能突變,這里利用電容這個特性來更好的驅動MOS管的G極,這里你肯定有所疑問,那么沒有這個電容就不能驅動嗎?答案:不能。
在分析電容C1的作用時,首先需要明白,MOS管導通的條件是:
G極對地電壓還是GS之間的電壓差?
由于MOS驅動是G極電壓和S極電壓的電位差,所以當MOS管導通時,VAAA電壓直接加到MOS管的S極,(這里假設VAAA電壓為12V,G極對地驅動電壓為10V)所以MOS管的GS電壓差為:
10V-12V=-2V,由于GS之間為負電壓,對于N溝道的MOS管,會導致DS之間處于截止狀態,所以需要一個電壓來抬高G極之間的電壓,當然有種方法是直接用高電壓電源直接驅動G極,但是通過MOS管的G極耐壓都是非常有限的;
那么這個時候電容的作用就體現出來了,當MOS管導通會使得S極電壓為VAAA,由于電容的一端與MOS的S極連接,所以這一端電容電壓瞬間為VAAA,由于電容上電壓不能突變的特性,使得電容另一端電壓也增加了VAAA;
所以電容另一端的電壓約等于VAAA+VCC-10V,如圖2所示,這里用了二極管D1來隔離電容C1上電壓和VCC-10V,這樣的做法使得MOS管導通后,G極驅動電壓克服了S極電壓抬高的原因。

圖2 驅動電路中自舉電容電壓的變化
〈烜芯微/XXW〉專業制造二極管,三極管,MOS管,橋堆等,20年,工廠直銷省20%,上萬家電路電器生產企業選用,專業的工程師幫您穩定好每一批產品,如果您有遇到什么需要幫助解決的,可以直接聯系下方的聯系號碼或加QQ/微信,由我們的銷售經理給您精準的報價以及產品介紹
聯系號碼:18923864027(同微信)
QQ:709211280