運放的相位補償
為了讓運放能夠正常工作,電路中常在輸入與輸出之間加一相位補償電容。
1、 關于補償電容
理論計算有是有的,但是到了設計成熟階段好象大部分人都是憑借以前的調試經驗了,一般對于電容大小的取值要考慮到系統的頻響(簡單點說加的電容越大,帶寬越窄),然后就是振蕩問題;
如果非要計算,可以看看運放的輸入端的分布電容是多大,舉個例子,負反饋放大電路就是要保證反饋電阻的阻值和分布電容的乘積=輸入端的那個電阻阻值和要加的電容的乘積。
2、 兩個作用
1)改變反饋網絡相移,補償運放相位滯后
2)補償運放輸入端電容的影響(其實最終還是補償相位)
因為我們所用的運放都不是理想的。
一般實際使用的運算放大器對一定頻率的信號都有相應的相移作用,這樣的信號反饋到輸入端將使放大電路工作不穩定甚至發生振蕩,為此必須加相應的電容予以一定的相位補償。在運放內部一般內置有補償電容,當然如果需要的話也可在電路中外加,至于其值取決于信號頻率和電路特性。
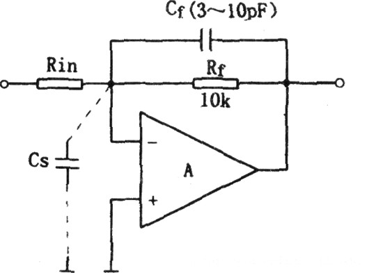
運放輸入補償電容

一般線性工作的放大器(即引入負反饋的放大電路)的輸入寄生電容Cs會影響電路的穩定性,其補償措施見圖。
放大器的輸入端一般存在約幾皮法的寄生電容Cs,這個電容包括運放的輸入電容和布線分布電容,它與反饋電阻Rf組成一個滯后網絡,引起輸出電壓相位滯后,當輸入信號的頻率很高時,Cs的旁路作用使放大器的高頻響應變差,其頻帶的上限頻率約為:
ωh=1/(2πRfCs)
若Rf的阻值較大,放大器的上限頻率就將嚴重下降,同時Cs、Rf引入的附加滯后相位可能引起寄生振蕩,因而會引起嚴重的穩定性問題。
對此,一個簡單的解決方法是減小Rf的阻值,使ωh高出實際應用的頻率范圍,但這種方法將使運算放大器的電壓放大倍數下降(因Av=-Rf/Rin)。為了保持放大電路的電壓放大倍數較高,更通用的方法是在Rf上并接一個補償電容Cf,使Rin Cf網絡與Rf Cs網絡構成相位補償。
Rin Cf將引起輸出電壓相位超前,由于不能準確知道Cs的值,所以相位超前量與滯后量不可能得到完全補償,一般是采用可變電容Cf,用實驗和調整Cf的方法使附加相移最小。若Rf=10kΩ,Cf的典型值絲邊3~10pF。對于電壓跟隨器而言,其Cf值可以稍大一些。
運放輸出電容的補償

對于許多集成運算放大電路,若輸出負載電容CL的值比100pF大很多,由于輸出電容(包括寄生電容)與輸出電阻將造成附加相移,這個附加相移的累加就可能產生寄生振蕩,使放大器工作嚴重不穩定。
解決這一問題的方法是在運放的輸出端串聯一個電阻Ro,使負載電容CL與放大電路相隔離,如圖所示,在Ro的后面接反饋電阻Rf,這樣可以補償直流衰減,加反饋電容Cf會降低高頻閉環電壓放大倍數,Cf的選取方法是:
使放大電路在單位增益頻率fT時的容抗Xcf≤Rf/10,又Xf=l/(2πfTCf),一般情況下,Ro=50~200Ω,Cf約為3~10pF。
除了上述不穩定因素之外,還存在其他一些不穩定因素,有些是來自集成芯片自身。有些是源于系統電路(例如電源的內阻抗的耦合問題)。有時使用很多方法都難以解決不穩定問題,但采用適當的補償方法后可使問題迎刃而解。
例如。當放大器不需要太寬的頻帶和最佳轉換速率時,對集成運放采用過補償的方法會取得很好的效果,如將補償電容增加9倍或為實現穩定性所需要的倍數,對μA301型運放而言,其效果一般都較好。
〈烜芯微/XXW〉專業制造二極管,三極管,MOS管,橋堆等,20年,工廠直銷省20%,上萬家電路電器生產企業選用,專業的工程師幫您穩定好每一批產品,如果您有遇到什么需要幫助解決的,可以直接聯系下方的聯系號碼或加QQ/微信,由我們的銷售經理給您精準的報價以及產品介紹
聯系號碼:18923864027(同微信)
QQ:709211280