放大電路接法判斷
晶體管放大電路有共射、共集和共基三種接法,不同接法的電路有不同的特點,那么我們應該如何判斷一個放大電路屬于哪種接法呢?
判斷電路屬于哪種基本接法,首先要判斷三極管類型(圖1所示),然后看輸入信號和輸出信號通過哪個極作用于負載,具體如表 1 所示。

圖1 NPN 型三極管(左)PNP 型三極管(右)
表 1 不同放大電路接法的判斷

所以判斷一個放大電路屬于哪種接法關鍵就是找出輸入端和輸出端通過哪個極(為了更加直觀,輸入端我用綠色表示,輸出端用紅色表示)下面來判斷一下這 5 個電路是哪種接法,其中[公式]表示直流,U表示交流。

圖 a,輸入端通過發射極(e)流入,輸出端從集電極(c)流出,所以為基本共基放大電路

圖 b,輸入端通過發基極(b)流入,輸出端從集電極(c)流出,所以為基本共射放大電路

圖 c,輸入端通過基極(b)流入,輸出端從發射極(e)流出,所以為基本共集放大電路

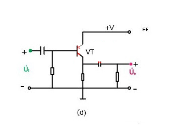
圖 d,輸入端通過基極(b)流入,輸出端從集電極(c)流出,所以為基本共射放大電路

圖 e,對于 VT1:輸入端通過基極(b)流入,輸出端從集電極(c)流出,所以為基本共射放大電路對于 VT2:輸入端通過發射極(e)流入,輸出端從集電極(c)流出,所以為基本共基放大電路。
當然,還有一種方法是畫出了交流通路,然后找到輸入輸出公共端的那一極,即為“基本共 X 放大電路”。
電話:18923864027(同微信)
QQ:709211280
〈烜芯微/XXW〉專業制造二極管,三極管,MOS管,橋堆等,20年,工廠直銷省20%,上萬家電路電器生產企業選用,專業的工程師幫您穩定好每一批產品,如果您有遇到什么需要幫助解決的,可以直接聯系下方的聯系號碼或加QQ/微信,由我們的銷售經理給您精準的報價以及產品介紹