開關電源產品廣泛應用于工業自動化控制、軍工設備、科研設備、LED照明、工控設備、通訊設備、電力設備、儀器儀表、醫療設備、半導體制冷制熱、空氣凈化器,電子冰箱,液晶顯示器,LED燈具,通訊設備,視聽產品,安防監控,LED燈袋,電腦機箱,數碼產品和儀器類等領域。
常用幾種均流技術的工作原理
1、改變單元輸出內阻法(斜率控制法、電壓下垂式、輸出特性斜率控制式)
實現方式:
·UO固定,改變斜率
·斜率固定,改變輸出電壓


(1)工作原理和特性曲線
開關電源并聯均流技術
見圖4(a)、(b),圖中△Imax=△UOImax/△Uslope,內阻RO=△UO/△IO當單元輸出電流IO1增加時,IO1在電流檢測電阻RS上的壓降增加,致使A1輸出電壓增加,與單元電壓反饋信號Uf疊加后送至A2反相輸入端,經A2放大后輸出Ur變負,利用這個Ur電壓控制單元輸出電流,從而實現均流。
由圖4(b)可以看出:當典型值△UO=±0.1%,△Uslope=±2%,則△Imax=0.05Imax,即調整精度為5%。這種調節精度對大多數調節系統來說是能接受的。
(2)改變單元輸出內阻法(斜率法)特點
·小電流時均流效果較差,這點可從公式
△Imax=0.05Imax看出。
·大電流時均流效果較好。
·對電壓源來說,內阻RO(斜率)應越小越好,但是這種均流方法利用改變RO來實現均流,降低了電源輸出的負載特性,即以犧牲電路的技術指標來實現均流。
·隨著微處理器技術的發展,這種方法很容易實現程控,從而實現比較理想的均流控制特性。
2、主/從控制法(Master/Slave)
(1)工作框圖
見圖5,在這種工作方式下用n個單元,其中一個單元(主控單元)工作在電壓源(CV)方式,其余n-1個單元工作于電流源(CC)方式,利用來自輸出電流的誤差電壓△U來實現均流控制。
它實際上是由電壓環(外環)和電流環(內環)構成電流控制型的雙環控制,或說成是電壓控制的電流源。


(2)主要特點
·一旦主控單元出現故障則整個系統崩潰。
·由于電壓環工作頻帶寬,易受噪聲干擾。
·主/從單元間必須要有通訊聯系,所以整個系統較復雜。
·可靠性取決于主模塊,只能均流,不能構成冗余系統。
·適用于n個功率單元的系統。
3、外部電路控制法
(1)工作原理
每一個單元加一個輸出電流檢測電路來檢測它的電流,產生的反饋信號調節每個單元的電流,從而達到各單元間輸出均流的目的。在這種情況下,每個單元間應有公共總線。
(2)優缺點
·這種控制方法均流效果較好,但是每個單元需附加一個電流控制電路,成為控制環路的一部分,需滿足環路的總體要求,否則會降低單元的技術指標及工作穩定性,降低系統的動態響應特性。
·由于每個單元都需要一個控制電路,所以整個擴流系統連線較多。
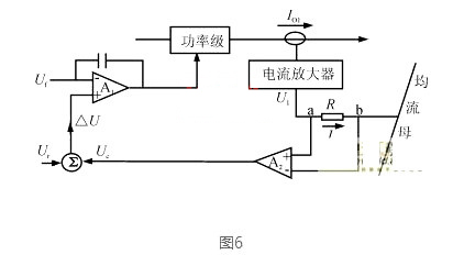
4、平均電流型自動負載均流法(自動均流)
(1)工作框圖
見圖6,這種均流方式采用一個窄帶電流放大器,輸出端通過阻值為R的電阻連到均流母線上,n個單元采用n個這種結構。


當輸出達到均流時,電流放大器輸出電流I1為零,這時IO1處于均流工作狀態。反之,在電阻R上產生一個Uab,由這個電壓控制A1,由A1再控制單元功率級輸出電流,最終達到均流。
(2)特點
·均流效果較好,易實現準確均流。
·在具體使用中,如出現均流母線短路或接在母線上的一個單元不工作時,母線電壓下降,將使每個單元輸出電壓下調,甚至達到下限,以致造成故障。并且當某一模塊的電流上升至Iomax時,電流放大器輸出電流也達到極限值,同時致使其它單元輸出電壓自動下降。
·可以構成冗余系統,均流模塊數理論上可以不限。
·缺點為了使系統在動態調節過程始終穩定,通常要限制最大調節范圍,要將所有電壓調節到電壓捕捉范圍以內。如果有一個模塊均流線短路,則系統無法均流。單個模塊限流也可能引起系統不穩定。在大系統中,系統穩定性與負載均流瞬態響應的矛盾很難解決。如果在圖6中的R支路上串一只二極管,則構成所講的最大電流自動均流法。
5、最大電流自動均流法(民主均流法,自動主/從控制法)


(1)工作原理
將圖7所示均流框圖中的電阻R用一個二極管代替,二極管正端接a,負端接b。這樣只有當n個單元中輸出電流最大的一個電流放大器輸出才能使二極管導通,從而影響均流母線電壓,進而達到該單元均流調節作用。這種方法一次只有一個單元參與調節工作。
(2)特點
·在這種均流方式下,參與調節的單元由n個單元中的最大輸出電流單元決定,一次只有這個最大輸出電流單元工作,這個最大電流單元是隨機的,所以有人把這種均流方法叫做“民主均流法”。 又由于一旦最大均流單元工作,它處于主控狀態,別的單元則處于被控狀態,因此又有人把這種方法叫做“自動主/從控制法”。
·由于二極管總有正向壓降,因而主單元均流總有誤差,而從單元的均流效果是較好的。美國優尼則公司的UC3907集成均流控制芯片就工作在這種方式下。最大均流法的特點和平均電流法的特點相似。
6、強迫均流法
所謂強迫均流,就是通過監控模塊實現均流。實現方式主要有軟件控制和硬件控制兩種。
軟件控制是通過軟件計算,比較模塊電流,平均電流,然后再調整模塊電壓,使其電流與平均電流相等。軟件方式易于實現,均流精度高,但其瞬態響應比較差,調節時間長。
硬件控制方式原理如圖7所示,取樣電壓Us與系統基準電壓Ur相比較產生誤差電壓Ue,該電壓送至每個模塊,與模塊電流相比較,調節模塊參考電壓,從而改變輸出電壓,調節輸出電流,實現均流。這樣,每個模塊都相當于電壓控制的電流源。這種均流方式精度高,動態響應好,可控制模塊多,可以很方便的組成冗余系統。
強迫均流依賴監控模塊,如果監控模塊失效,則無法均流,這一點使用時應注意。在強迫均流中,每個監控系統監控的模塊數可達100個,參數設置好后(即使模塊電壓相差較大,如1伏或更大)不需任何調整,均流精度高于2.5%,負載響應快(在幾百ms內),無振蕩現象。
〈烜芯微/XXW〉專業制造二極管,三極管,MOS管,橋堆等,20年,工廠直銷省20%,上萬家電路電器生產企業選用,專業的工程師幫您穩定好每一批產品,如果您有遇到什么需要幫助解決的,可以直接聯系下方的聯系號碼或加QQ/微信,由我們的銷售經理給您精準的報價以及產品介紹
電話:18923864027(同微信)
QQ:709211280
〈烜芯微/XXW〉專業制造二極管,三極管,MOS管,橋堆等,20年,工廠直銷省20%,上萬家電路電器生產企業選用,專業的工程師幫您穩定好每一批產品,如果您有遇到什么需要幫助解決的,可以直接聯系下方的聯系號碼或加QQ/微信,由我們的銷售經理給您精準的報價以及產品介紹