1. 二極管整流電路及故障處理
利用二極管的正向導通、反向截止的特性,可以實現電路的整流。二極管構成的簡易整流電路如圖1所示。
(1)故障檢測方法。
觀察輸出波形,若最后輸出波形與整流前波形基本保持不變,則說明二極管存在短路現象,未能完成整流作用。若最后無法得到輸出波形,則說明二極管存在斷路現象,導致最后電路開路,未能完成整流作用。
(2)電路故障分析。
二極管整流電路屬于電路中比較常見的整流方式,在半波整流電路中,可能會出現二極管被擊穿的現象。
利用萬用表的歐姆檔測量二極管的電阻值,在得到一組數據后,交換萬用表筆與二極管接觸的電極,進行再次測量,若兩次所得數據相近且阻值很小,則說明二極管存在被擊穿的可能,需要及時更換,以保障電路順利工作,若阻值相差比較大,則說明二極管處于正常工作狀態。

圖1 二極管整流電路

圖2 二極管構成的簡易直流穩壓電路
2. 二極管簡易穩壓電路及故障處理
硅二極管正向導通后,其管壓降保持在0.7V左右。在低壓穩壓電路中,可根據電路輸出電壓的要求,選用n只二極管串聯使用。如圖2所示就是由二極管構成的簡易直流穩壓電路。
(1)故障檢測方法。
通過測量二極管兩端的直流電壓,來判斷3只二極管是否正常工作。
(2)電路故障分析。
如果圖中A點的直流電壓VA高于2.1 V,則說明電路中某只二極管損壞,存在開路故障。如果A點的電壓VA小于2.1 V,說明某只二極管存在短路故障。每降低一個0.7 V,意味著有一只二極管短路。

圖3 二極管溫度補償電路

圖4 二極管構成的自動控制電路
3. 二極管溫度補償電路及故障處理
PN結的壓降與溫度有關。圖3中VT1的集電極電流Ic會隨溫度的升高而增大,VD1的管壓降會隨著溫度升高而下降,從而形成了反饋,使三極管VT1的集電極電流Ic維持不變,所以VD1在電路中實現了溫度補償的作用。
(1)故障檢測方法。
利用萬用表的歐姆檔測量二極管VD1正向電阻和反向電阻大小的方法。若兩次所得數據相近且阻值很小,則說明二極管存在被擊穿的可能,需要及時更換,以保障電路順利工作,若阻值相差較大,則說明二極管能夠正常工作。
(2)電路故障分析。
除了直接測量二極管正向和反向電阻大小之外,還可以觀測其他數據,排查電路故障。如果VT1管基極直流偏置電壓下降了0.7 V,說明VD1可能存在擊穿故障,使三極管VT1的基極電流減小,電路容易進入截止狀態。
4. 二極管構成的控制電路及故障處理
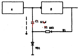
二極管導通之后,它的電阻值的大小與電流大小有關系。正向電流越大,正向電阻就越小;正向電流越小,正向電阻越大。利用二極管的這種特性,可以構成許多自動控制電路。圖4是錄音電路中的自動控制電路。
當錄音信號比較小時,經A、B兩個集成模塊后,輸出電壓Ui較小,Ui小于二極管VD1的導通電壓,所以二極管VD1不工作,錄音放大器輸出的信號沒有被衰減。
當錄音信號較大時,經A、B兩個集成模塊后,輸出電壓Ui較大,使二極管VD導通。錄音信號越大,U;就越大,通過VD,的電流就增大,從而使VD的內阻越小。
錄音放大器A輸出的一部分錄音信號通過電容C,和二極管VD,被分流到地端,實現了對大錄音信號的衰減作用。
(1)故障檢測方法。
需要采用替代法進行檢測,即通過觀測錄音結果來檢測控制電路是否正常運行。
(2)電路故障分析。
如果錄音信號很大時,聲音出現了一會兒大一會兒小的起伏狀失真,當錄音信號很小時,能夠正常錄音,則說明二極管VD1存在開路故障,使得電路不具有控制作用。
如果錄音時,錄音聲音很小,則說明二極管VD1可能被擊穿,使得錄音信號被二極管VD1分流到地了,因此電路也不具有控制作用。
5. 二極管限幅電路及故障處理
在限幅電路中,當信號幅度超過限定值時,限幅電路使輸出信號維持在限定值;當信號幅度沒有達到限定值時,限幅電路不會工作。
集成電路A1的①腳通過電阻R1與三極管VT1的基極相連,如果A1的①腳輸出的電壓低于2.1 V,二極管VD1、VD2和VD3沒有導通,信號沒有衰減。
如果A1的①腳輸出的電壓高于2.1 V,二極管VD1、VD2和VD3導通,信號維持在2.1 V,起到了限幅的作用。集成電路A1的②腳工作原理一樣。
(1)故障檢測方法。
采用萬用表歐姆檔測量二極管正向電阻和反向電阻大小的方法。若兩次測量數據相近且阻值很小,則說明二極管存在被擊穿的可能;若阻值相差較大,則說明二極管正常工作。
(2)電路故障分析。
在限幅電路中,二極管工作在小信號狀態下,所以出現被擊穿故障的可能性較小。如果電路中沒有起到限幅作用,則可能是二極管出現了開路故障。
6. 二極管構成的開關電路及故障處理
當S1閉合時,二極管處于導通狀態,這樣C2接入電路,L1與C1、C2構成LC并聯諧振電路;當S1斷開時,二極管處于截止狀態,L1與C1并聯構成LC并聯諧振電路。
S1的通斷使得LC并聯諧振電路中的電容值不同,導致LC并聯諧振電路的諧振頻率不同。
(1)故障檢測。
利用萬用表測量二極管VD1兩端電壓降的方法。VD1兩端電壓降正常在0.7V左右,如果測量值很小,說明VD1短路;如果測量值遠大于0.7 V,說明VD1開路。
(2)故障分析。
如果這一電路中開關二極管VD1開路或短路,振蕩頻率將成為定值,與C2無關,起不到調節振蕩頻率的作用。因此針對可能出現的故障,要及時對二極管進行檢測然后更換,以保障開關電路正常工作。
7. 二極管構成的保護電路及故障處理
由于繼電器內部存在線圈的結構,所以在斷電時,線圈會產生電壓很大的反向電動勢,從而對繼電器造成損壞。
在正常通電情況下,直流電壓+V使二極管VD1處于反向截止狀態,二極管不工作;當電路突然斷電時,繼電器J1兩端產生了下正上負的反向電動勢,這一反向電動勢使二極管VD1正向導通,繼電器J1兩端的壓降瞬間變為二極管導通后的管壓降,從而起到了保護繼電器的作用。
(1)故障檢測。
由于二極管兩端并聯著繼電器,繼電器線圈的直流電阻很小,因此不能利用測量電壓降的方法來判斷二極管質量的好壞。需要采用替代二極管的方法來檢查電路是否正常運行。
(2)故障分析。
當二極管VD1開路時,沒有起到保護繼電器的作用;當二極管VD1短路時,相當于繼電器短路,繼電器不能正常工作。
從上述內容的介紹與分析,我們可以看出二極管在電路中具有極為廣泛的應用,文中只是著重介紹了7種較為常見的應用電路及其相應的故障處理。熟悉這些電路的工作原理,掌握其故障檢測和解決方案,對我們更好地使用二極管具有重要意義。
電話:18923864027(同微信)
QQ:709211280
〈烜芯微/XXW〉專業制造二極管,三極管,MOS管,橋堆等,20年,工廠直銷省20%,上萬家電路電器生產企業選用,專業的工程師幫您穩定好每一批產品,如果您有遇到什么需要幫助解決的,可以直接聯系下方的聯系號碼或加QQ/微信,由我們的銷售經理給您精準的報價以及產品介紹