功放,顧名思義,就是功率放大的縮寫。與電壓或者電流放大來說,功放要求獲得一定的、不失真的功率,一般在大信號狀態下工作,因此,功放電路一般包含電壓放大或者電流放大電路沒有的特殊問題,具體表現在:
①輸出功率盡可能大;
②通常在大信號狀態下工作;
③非線性失真突出;
④提高效率是重要的關注點;
⑤功率器件的安全問題。
而對于音頻功放電路,也需要注意以上的問題。
根據放大電路的導電方式不同,音頻功放電路按照模擬和數字兩種類型進行分類,模擬音頻功放通常有A類,B類,AB類, G類,H類 TD功放,數字電路功放分為D類,T類。下文對以上的功放電路做詳細的介紹和分析。
1、A類功放(又稱甲類功放)


A類功放如上圖所示,在信號的整個周期內都不會出現電流截止(即停止輸出)的一類放大器。但是A類放大器工作時會產生高熱,效率很低。盡管A類功放有以上的弊端,但固有的優點是不存在交越失真,并且內部原理存在著一些先天優勢,是重播音樂的理想選擇,它能提供非常平滑的音質,音色圓潤溫暖,高頻透明開揚,中頻飽滿通透的優點。單端放大器都是甲類工作方式,推挽放大器可以是甲類,也可以是乙類或甲乙類。
2、B類功放(又稱乙類功放)


B類功放是指正弦信號的正負兩個半周分別由推挽輸出級的兩個晶體管輪流放大輸出的一類放大器,每一晶體管的導電時間為信號的半個周期,通常會產生我們所說的交越失真。通過模擬電路的調整可以將該失真盡量的減小甚至消失。B類放大器的效率明顯高于A類功放。
3、AB類功放(又稱甲乙類)
AB類功放界于甲類和乙類之間,推挽放大的每一個晶體管導通時間大于信號的半個周期而小于一個周期。因此AB類功放有效解決了乙類放大器的交越失真問題,效率又比甲類放大器高,因此獲得了極為廣泛的應用。


4、D類功放(又稱丁類功放)


D類功放也稱數字式放大器,利用極高頻率的轉換開關電路來放大音頻信號,具體工作原理如下:
D類功放采用異步調制的方式,在音頻信號周期發生變化時,高頻載波信號仍然保持不變,因此,在音頻頻率比較低的時候,PWM的載波個數仍然較高,因此對抑制高頻載波和減少失真非常有利,而載波的變頻帶原理音頻信號頻率,因此也不存在與基波之間的相互干擾問題。
許多功率高達1000W的丁類放大器,體積只不過像VHS錄像帶那么大。這類放大器不適宜于用作寬頻帶的放大器,但在有源超低音音箱中有較多的應用。
5、G類功放
G類功放為一種多電源的AB類功放的改進形式。G類功放充分利用了音頻都具有極高峰值因數 (10-20dB) 的這一有利條件。大多數時候,音頻信號都處在較低的幅值,極少時間會表現出更高的峰值。下圖是G類功放集成IC的一個典型功能框圖。


G類放大器使用自適應電源軌,并利用一個內置降壓轉換器來產生耳機放大器正電源電壓。充電泵對放大器正電源電壓進行反相,并產生放大器負電源電壓。這樣便讓耳機放大器輸出可以集中于0V。
音頻信號幅值較低時,降壓轉換器產生一個低放大器負電源電壓。這樣便在播放低噪聲、高保真音頻的同時最小化了G類放大器的功耗,相比傳統的AB類耳機放大器,G類放大器擁有更高的效率。
該類功放的放大原理與AB類功放放大相同,一個重要特點是供電部分采用兩組或者多組電壓,低功率運行使用低電壓,高功率自動切換到高電壓。
6、H類功放
該類功放的放大電路部分與AB類功放的原理相同,但是供電部分采用可調節多級輸出電壓的開關電源,自動檢測輸出功率進行供電電壓的選擇。
7、K類功放
K類功放是集成了內部自舉升壓電路和各種功放電路,大家都知道D類功放只是眾多功放電路中其中一種效率比較高的數字功放,而K類功放只是根據需要將內部集成的自舉升壓電路和所需求的功放電路,如果需求效率高就加D類功放,要音質好就加AB類功放。
8、T類功放
該類功放的原理與D類功放的原理相同,但是信號部分采用DDP技術(核心是小信號的適應算法和預測算法)。
工作原理如下:音頻信號進入揚聲器的電流全部經過DDP進行運算處理后控制大功率高頻晶體管的導通或者關閉,從而達到音頻信號的高保真線性放大。該類功放具有效率高、失真小,音質可以與AB類功放媲美的一類功放。


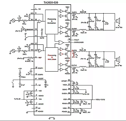
圖是TA2020的內部模塊構造,從上圖上可以看出,該芯片內部主要集中了處理和調制模塊,從而實現高品質音頻的特性。
9、TD類功放
該類音頻功放的放大部分與AB類功放原理相同,但是供電部分采用完全獨立的高精度可調節無級輸出的可調節數字電源,電壓遞進值為0.1V,自動檢測功率來調節電壓的升高或者降低。該類功放由于需要高精度可調節的數字電源,需要對電源有專門的設計,而不能集中在一個芯片上,因此,該類功放主要使用在高級音響上,而電路也比較復雜。
對于后面6、7、9類功放需要特殊的電源,因此不能將功能集中在一片IC上。而對于經典的A類,B類,AB類和D類功放有專門的IC。再實際的設計中,需要各種類型的,應用在不同領域的功放電路,只需要以此為基礎,外加相應的電源或者處理模塊。
電話:18923864027(同微信)
QQ:709211280
〈烜芯微/XXW〉專業制造二極管,三極管,MOS管,橋堆等,20年,工廠直銷省20%,上萬家電路電器生產企業選用,專業的工程師幫您穩定好每一批產品,如果您有遇到什么需要幫助解決的,可以直接聯系下方的聯系號碼或加QQ/微信,由我們的銷售經理給您精準的報價以及產品介紹