碳化硅設備或設備因在不久的將來有可能在電力電子設備(特別是大功率轉換器應用)中替代硅的傳統設備而聞名。由于寬帶隙的可用性,高功率密度,較低的電阻和快速的開關頻率,所有這些都是可能的。高可靠性電源系統需要復雜,苛刻和復雜的條件和環境才能工作。
經歷故障的大多數情況是功率半導體故障的結果,由于半導體器件中的溫度水平和變化會引起電路故障,因此建議對溫度進行適當的監視,這將最終對下一代健康管理系統有所幫助。準閾值電壓已用于提取結溫。
準閾值電壓作為TSEP
與MOS結構相關的閾值電壓(Vth)是負責在器件中創建導電通道的最小柵極電壓,并且允許電流在漏極和源極之間流動。
圖1顯示,由于柵極驅動器電壓(Vgs)的數量比閾值電壓低,在從t0到t1的導通過渡開始點,漏極電流(Id)完全為零。已經觀察到,當Vgs到達t1時,它會移動到Vth。隨之,Id的值也會增加。
在此,將準閾值電壓的概念解釋為在導通過程中與t1的時間相對應的柵極驅動電壓的值。在圖1中顯示負溫度系數的結溫度升高時,注意到t1的量減少了。兩個重要變量(例如閾值電壓和結溫度)之間的現有關系為改變,因為觀察到Lss'上的電壓發生了變化。
由于SiC MOSFET的開爾文源極和電源Lss'之間存在寄生電感,因此存在以同步方式突然升高電壓的高端可能性,該寄生電感最終將由電壓的上升反映出來。圖2顯示了四引腳SiC MOSFET的等效電路。

圖1:導通期間的開關波形

圖2:等效電路
準Vth測量電路及其工作原理
圖3顯示了完整的過程,通過新穎的方法提取準確的準Vth,取決于在電源端子和輔助電源端子之間接通電源驅動時寄生電感上的電壓下降的時間。圖3的框圖清楚地顯示了測量電流的方法。

圖3:測量電路框圖
該圖所示的電路包括三個部分:
驅動部分
比較部分
采樣保持部分
驅動部分
驅動部分的功能是通過切換到較大的驅動電阻來測量準Vth。SiC MOSFET由TMS320F28335產生的PWM信號隔離來驅動。
比較部分
該部分負責將Vss'中存在的模擬脈沖轉換為邏輯信號。
采樣保持部分
差分放大器AMP1用于在接通瞬態階段之間獲得Vgs。
已經注意到,通常在SiC MOSFET的Vgs之后是電容器C,而準Vth由閉合的JFET保持。
實驗裝置
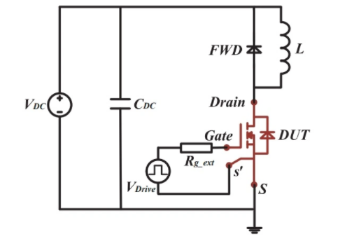
圖4顯示了已經為實驗完成的測試。該實驗由帶有雙脈沖測試電路,續流二極管,驅動器環路和負載電感的被測設備組成。

圖4:用于實驗的等效電路
結果表明,閾值電壓與結溫成線性關系。當結從36°C升高到118°C時,準Vth改變0.358V。負載電流也從10 A改變為28 A,結果表明電流變化的影響是幾乎可以忽略不計,但是Vds(直流母線電壓)的影響更大。由于電容器Cgd,直流母線電壓的增加導致準Vth的測量值變小,并且其值隨電壓從200 V增加到600 V而減小。
結論
本文介紹了一種新穎的測量電路,以測量用于測量SiC MOSFET的實時或實際結溫。可以看出,出于訂購和處理數據或電流傳感器的目的,不需要本質上復雜的任何算法。該實驗的最終結果表明,與準Vth的結溫之間存在良好的靈敏度線性關系。在SiC MOSFET的雙脈沖測試下,溫度系數為–4.3mV /°C。負載電流不負責這項技術,它直接與直流鏈路電壓相連,并且不影響上面提到的線性和靈敏度因素
電話:18923864027(同微信)
QQ:709211280
〈烜芯微/XXW〉專業制造二極管,三極管,MOS管,橋堆等,20年,工廠直銷省20%,上萬家電路電器生產企業選用,專業的工程師幫您穩定好每一批產品,如果您有遇到什么需要幫助解決的,可以直接聯系下方的聯系號碼或加QQ/微信,由我們的銷售經理給您精準的報價以及產品介紹