電動汽車、大型儲能電池組、家庭自動化、工業和電信電源都需要將高電壓轉換為±12 V,以滿足為放大器、傳感器、數據轉換器和工業過程控制器供電的雙極性電源軌需求。所有這些系統中的挑戰之一是構建一個緊湊、高效的雙極性穩壓器,它的工作溫度范圍為-40°C至+ 125°C,這在汽車和其他高環境溫度應用中尤為重要。
線性穩壓器已廣為人知,并且通常位列雙極性電源備選方案的首位,但它不適用于上述高輸入電壓、低輸出電壓的應用,這主要是由線性穩壓器在高降壓比下的散熱所導致。此外,雙極性解決方案至少需要兩個集成電路(IC):一個正輸出線性穩壓器和一個負輸出轉換器。更好的解決方案是使用單個開關穩壓器,該開關穩壓器從較高的輸入產生兩個輸出,并具有良好的效率和調節性能,同時還能適用于狹小空間并降低成本。
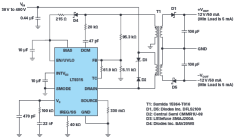
本文介紹了兩種精簡電路,它們均使用單個高電壓LT8315轉換器,可由30V至400V的寬輸入電壓范圍產生±12V輸出。一個電路是隔離型反激式拓撲,另一個則是非隔離型降壓拓撲。LT8315本身是一款高電壓單芯片轉換器,內置集成630 V/300 mA MOSFET、控制電路和高電壓啟動電路,采用耐熱增強型20引腳TSSOP封裝。
無需光耦合器的隔離型雙極性反激式穩壓器
反激式轉換器廣泛用于多輸出應用,以提供電氣隔離、改善安全性并增強抗擾性。輸出可以為正,亦可為負,具體取決于輸出的哪一端接地。傳統上,采用光耦合器將信息從副邊基準電壓源電路傳輸至原邊,以此來實現輸出電壓調節。問題在于,由于傳播延遲、老化和增益變化等原因,光耦合器會大大增加復雜性并降低可靠性。通常,連接至IC反饋引腳的輸出在調節回路中占主導地位,而其他輸出則通過變壓器繞組進行松散控制,導致這些輸出的調節性能不良。
LT8315無需使用光耦合器,它從電源變壓器的第三繞組采樣反激回來的隔離輸出電壓。此外,它在副邊電流幾乎為零時亦可檢測到輸出電壓,以實現出色的負載調整。在雙輸出設計中,這種特殊的檢測方案允許嚴密調節每個輸出(兩個輸出都能主導調節)。因此,典型的±5%負載調節非常易于實現。
圖1所示的LT8315解決方案在準諧振邊界傳導模式下工作。原邊MOSFET具有很低的導通損耗,這是因為當開關節點振鈴達到其谷值時,MOSFET才導通。副邊沒有二極管反向恢復損耗。3 kV增強絕緣變壓器是整個隔離柵上唯一的組件,它可提升系統可靠性并滿足嚴格的高壓電源隔離要求。圖2顯示了不同輸入電壓下的滿載效率曲線。當輸入為70 V且兩個負載電流均為50 mA時,該反激式轉換器可實現85.3%的峰值效率。
圖1顯示了一款具有30 V至400 V寬輸入范圍的反激式轉換器的完整原理圖。它的輸出為±12 V,并可在負載電流為5 mA至50 mA時保持非常準確的控制。該反激式轉換器的峰值效率為85.3%,如圖2所示。

圖1.一款用于30 V至400 V寬輸入范圍的完整±12 V/50 mA隔離型反激式轉換器。

圖2.圖1所示反激式轉換器的滿載效率與輸入電壓的關系。

圖3.使用單個LT8315 IC的非隔離型雙電感降壓轉換器的原理圖:從30 V至400 V輸入轉換至±12 V輸出(每路30 mA)。
采用單個IC從30 V至400 V輸入產生隔離或非隔離±12 V輸出
采用雙電感的非隔離型雙極性降壓穩壓器
LT8315具備高電壓輸入能力,只需借助現成的電感,即可以應用于非隔離型解決方案。圖3顯示了一款采用雙電感的降壓穩壓器,僅需幾個組件。該轉換器可接受的輸入電壓范圍很寬(-30 V至400 V),并能產生±12 V/30 mA的輸出。當輸入為30 V時,該電路的兩個輸出均可實現滿載條件下高達87%的效率。
在這種拓撲中,LT8315的GND焊盤特意未接地,而是連接作為驅動兩個輸出的公共開關節點。在PCB布局時,應將LT8315的GND焊盤尺寸限制在裸露焊盤面積內,以減少對其他組件的電磁干擾,因為GND走線是該拓撲中噪聲相對較高的開關節點。二極管D2與FB引腳上的兩個1%電阻形成反饋路徑,以調節正輸出電壓。每當MOSFET導通時,為防止FB引腳放電,D2必不可少。電阻分壓器無需考慮D2的正向壓降,因為D2和D3的正向電壓相等并且可以互相抵消;因此,反饋網絡會跟蹤并嚴密調節正輸出電壓。
負軌包括低電壓耦合電容CFLY、第二電感L2、環流二極管D4和負輸出電容CO2。根據CO1-L1-CFLY-L2電路回路的電感伏秒平衡,L1和L2兩端的平均電壓為零,因此耦合電容CFLY的電壓等于正輸出電壓。CFLY在MOSFET導通期間為L2充電,而D4在MOSFET關斷期間為L2提供放電路徑。負輸出電壓基于CFLY電壓(保持恒定并等于正輸出電壓)間接調節。如圖4的調節曲線所示,當正輸出電壓負載為滿載30 mA時,對于不同的輸入電壓,負輸出電壓在3 mA至30 mA的負載范圍內保持±5%的調節率。

圖4.圖3所示雙電感降壓轉換器在各種輸入電壓下的負12V負載調整曲線。
結論
本文介紹了兩種適用于30 V至400 V寬輸入范圍的雙極性轉換器解決方案:一種是隔離型,另一種是非隔離型。LT8315同時適用于這兩種方案,因為它內置高壓集成MOSFET和高壓啟動電路,無需光耦合器反饋回路。該器件的其他特性還包括低紋波突發模式(Burst Mode?)工作、軟啟動、可編程電流限制、欠壓鎖定、溫度補償和低靜態電流。LT8315的高集成度簡化了多種應用領域的高壓輸入和雙極性輸出電路的設計。
電話:18923864027(同微信)
QQ:709211280
〈烜芯微/XXW〉專業制造二極管,三極管,MOS管,橋堆等,20年,工廠直銷省20%,上萬家電路電器生產企業選用,專業的工程師幫您穩定好每一批產品,如果您有遇到什么需要幫助解決的,可以直接聯系下方的聯系號碼或加QQ/微信,由我們的銷售經理給您精準的報價以及產品介紹