眾所周知,現場可編程門陣列(FPGA)是一種現場可編程專用集成電路,其速度快、功耗低,特別適用于復雜系統的設計,如今,FPGA器件已廣泛應用于通信、自動控制、信息處理等諸多領域,越來越多的電子設計人員在使用FPGA。Cyclone系列芯片中的EP1C3T144C8是ALTERA公司推出的一款低價格、片上資源豐富、高容量的FPGA,在實際應用中被廣泛的采用。本文主要介紹的是基于EP1C3T144C8開發板設計。
1.硬件電路整體結構
本設計的開發板電路包括6個部分:下載電路、下載接口、FPGA、電源電路、和擴展接口。其電路結構框圖如圖1所示:

圖1 電路結構框圖
2.主芯片EP1C3T144C8
本設計選用Altera公司的Cyclone系列芯片,芯片型號為EP1C3T144C8,因為該芯片是Altera公司推出的低價格、高容量的FPGA,其以較低的價格、優良的特性及豐富的片上資源在實際應用中被廣泛的采用。該芯片采用1.5V內核電壓,0.33 μmSRAM工藝,具有以下特點:
(1)邏輯資源豐富,邏輯單元(LE)數量為2910個。
(2)有104個可用I/O引腳,I/O輸出可以根據需要調整驅動能力,并具有壓擺率控制、三態緩沖、總線保持等功能:整個器件的I/0引腳分為四個區,每個區可以獨立采用不同的輸入電壓,并可提供不同電壓等級的I/0輸出。
(3)多電壓接口,支持LVTTL,LVCMOS,LVDS等I/0標準。
(4)靈活的時鐘管理,片內配有一個鎖相環(PLL)電路,可以提供輸入時鐘的1~32倍頻或分頻、156~417ps相移和可變占空比的時鐘輸出,輸出時鐘的特性可直接在開發軟件Quartos II里設定。經鎖相環輸出的時鐘信號既可以作為內部的全局時鐘,也可以輸出到片外供其它電路使用。
(5)內有SignalTap嵌入式邏輯分析器,極大地方便了設計者對芯片內部邏輯進行檢查,而不需要將內部信號輸出到I/O管腳上。
3.設計電路模塊及原理
3.1下載線電路
Altera器件的編程連接硬件包括:ByteBlaster并口下載電纜、ByteBlasterMV并口下載電纜、MasterBlaster串口/USB通信電纜、BitBlaster串口下載電纜。 本設計采用了ByteBlasterMV串口口下載電纜。
ByteBlasterMV串口下載電纜采用兩種下載模式:被動串行模式和JTAG仿真下載模式。
①被動串行模式(PS)

圖2 PS下載接口電路
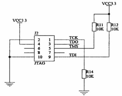
②JTAG下載模式

圖3 JTAG下載接口電路
為了利用ByteBlasterMV并口下載電纜配置1.5VCyclone系列EP1C3T144,3.3V電源中應該連接上拉電阻,電纜的VCC腳連接到3.3V電源,而器件的VCCINT引腳連到相應的1.5V電源。對于PS配置,器件的VCCIO引腳必須連到2.5V或3.3V電源。對于JTAG在線配置和在線編程,電纜的VCC引腳必須連接3.3V電源。
ByteBlasterMV并口下載電纜與PC機相連的是25針插頭,與PCB電路板相連的是10針插座。數據從PC機并口通過ByteBlasterMV并口電纜下載到電路板。
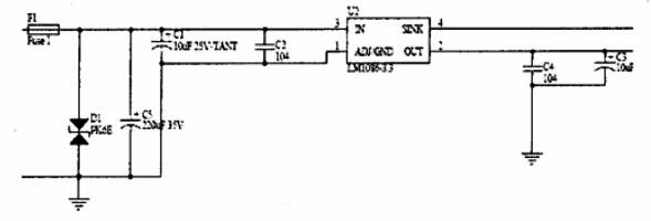
3.2電源電路
采用LM1086系列芯片為電路提供穩定的電源。LM1086是一系列工作在1.5A負載電流下,最大輸出電流為1.5A的低輸出電壓控制器。在本設計中用于為FPGA提供1.5V和3.3V電源電壓。該芯片的主要特點:
(1) 可以得到2.85V、3.3V、5.0V電壓并且有不同的版本。
(2)電流限制和熱保護。
(3)1.5A輸出電流。
該電路將5.0V的電源電壓從左端輸入轉化為3.3V從電路右端輸出,采用的芯片是LMl086IS一3.3,為電路中需要3.3V電源電壓的部分提供電壓。其中F1為保險絲,可以保護電路。D1是穩壓管,使電源電壓更加穩定。電路中電容均為濾波之用,C2、C4為高頻濾波電容,Cl、C3、C5為低頻濾波電容。

圖4 電源電路
將3.3V的電源電壓從左端輸入轉化為1.5V從電路右端輸出,采用的芯片是LMl086IS—ADJ,該電路同上邊的電源部分原理基本相同該芯片輸出電壓可調,為電路中需要1.5V電源電壓的部分提供電壓。該電路同上邊的屯源部分原理基本相同
電路的這兩部分采用了LMl086系列芯片,電路中接有濾波電容,使整個電路設計非常合理輸出非常穩定,可以分別擔負起為電路提供穩定的3.3V、1.5V電壓的的作用,保障了電路的正常工作。
3.3電源監控及復位電路
本設計的復位電路采用的芯片是IMP811。IMP811是低電壓電源監控器,它的作用是用來監控供給微處理器、微控制器和其他一些數字系統的3.0V、3.3V、5.OV電源電壓。在本電路中用于監控FPGA的3.3V電源電壓,并且是復位電路的重要組成部分。它的主要特點有:
(1)6μA輸出電流。
(2)可監視3.OV、3.3V、5.0V電源電壓。
(3)手工復位輸入。
(4)電壓低于1.1V復位有效。
根據對于該芯片的介紹可知電路的工作原理如下:
當輸入的電源電壓VCC3.3不穩定即超出了IMP811允許的范圍時,芯片會自動由nReset輸出復位信號對電路進行保護,防止電路的元器件被燒壞另外,此電路還有手動復位鍵RESETl,可由IMP81l的nMR輸入,為電路提供手動復位信號,用于在電路不能正常工作時,將整個電路重新啟動。
3.4其他電路設計
①本設計的各個電源都接有0.1μ退偶電容,這些電容在做板時必須擺在各個芯片周圍用來濾除電源中的高頻雜波,保證電路中各個芯片正常工作。
②本設計選用的晶振為50MHZ,它可以為整個電路提供時鐘信號。
③本設計的FPGA中配有一個鎖相環,由1.5V電源經過濾波電路為其提供工作電壓。
4.開發板整體設計圖

開發板原理圖

開發板電路圖
結語
以上就是基于EP1C3T144C8的開發板設計的介紹了。本文結合FPGA結構原理和元件特性及EDA設計技術,對開發板的設計進行了研究。由電路的結構原理可以看出,本設計只做了外圍電路的接口,沒有完成與之配套的外圍電路設計。為此,可以進一步設計更多的外圍擴展電路來實現不同的擴展功能。
電話:18923864027(同微信)
QQ:709211280
〈烜芯微/XXW〉專業制造二極管,三極管,MOS管,橋堆等,20年,工廠直銷省20%,上萬家電路電器生產企業選用,專業的工程師幫您穩定好每一批產品,如果您有遇到什么需要幫助解決的,可以直接聯系下方的聯系號碼或加QQ/微信,由我們的銷售經理給您精準的報價以及產品介紹