AD590是常用的T/I變換器,它是AD公司利用PN結正向電流與溫度的關系制成的電流輸出型兩端溫度傳感器。我國也開發出了同類型的產品SG590。在被測溫度一定時,它相當于一個恒流源。AD590具有測量精度高,線性良好,互換性強的特性。當電源電壓在5~15V之間變化時,其輸出電流的變化小于1μA。本文將介紹高精度數字溫度計采用AD590來設計的過程。
1.AD590簡介
1.1功能及結構
AD590是電流型溫度傳感器,以電流為輸出來指示溫度值。根據特性的不同,AD590用后綴I,J,K,L,M分擋。AD590L,AD590M一般用于精密溫度測量電路,其外形結構如下圖1所示,采用金屬圓殼3腳封裝,其中1腳為電源正端“+”;2腳為電流輸出端“-”;3腳為管殼接地端,一般不用。電路符號如下圖2所示。

圖1 AD590的金屬圓殼封裝結構

圖2 AD590的電路符號
1.2性能特點
(1)寬的工作電壓范圍:4~30V;
(2)寬的測溫范圍:-55~+150℃;
(3)線性電流輸出:1μA/K,
(4)極好的線性:在測溫范圍內非線性誤差小于±0.3℃(AD590M);
(5)激光微調使定標溫度達到:±0.5℃(AD590M);
(6)最大正向電壓:+44V;(7)最大反向電壓:-20V;
(8)儲存溫度:-65~+175℃。
1.3工作原理
在被測溫度一定時,AD590相當于一個恒流源,把它和5~30V的直流電源相連,并在輸出端串接一個1kΩ的恒值電阻,那么,此電阻上流過的電流將和被測溫度成正比,此時電阻兩端將會有1mV/K的電壓信號。其基本電路如圖3所示。

圖3 感溫部分的核心電路
圖3是利用ΔUBE特性的集成PN結傳感器的感溫部分核心電路。其中T1、T2起恒流作用,可用于使左右兩支路的集電極電流I1和I2相等;T3、T4是感溫用的晶體管,兩個管的材質和工藝完全相同,但T3實質上是由n個晶體管并聯而成,因而其結面積是T4的n倍。T3和T4的發射結電壓UBE3和UBE4經反極性串聯后加在電阻R上,所以R上端電壓為ΔUBE。因此,電流I1為:
I1=ΔUBE/R=(KT/q)(lnn)/R
對于AD590,n=8,這樣,電路的總電流將與熱力學溫度T成正比,將此電流引至負載電阻RL上便可得到與T成正比的輸出電壓。由于利用了恒流特性,所以輸出信號不受電源電壓和導線電阻的影響。圖3中的電阻R是在硅板上形成的薄膜電阻,該電阻已用激光修正了其電阻值,因而在基準溫度下可得到1μA/K的I值。
2.數字顯示溫度計的設計
2.1AD590內部電路
圖4所示是AD590的內部電路,圖中的VT1~VT4相當于圖3中的VT1、VT2,而VT9,VT11相當于圖3中的VT3、VT4。R5、R6是薄膜工藝制成的低溫度系數電阻。VT6的作用是使VT7,VT8的集電極電壓達到平衡。

圖4 AD590的內部電路
VT5、VT12和VT10為啟動電路,其中VT5為恒定偏置二極管。VT10不與襯底連接,而是接入R3,以隔開襯底電容,避免襯底電容影響頻率穩定性。
VT6同時還可用來防止電源接反時損壞電路。R1,R2為發射極反饋電阻,可用于提高阻抗。VT1~VT4是為熱效應而設計的連接方式。C1和R4用于防止寄生振蕩。該電路的設計使VT9,VTl0,VT11三者的發射極電流相等,并同為整個電路總電流I的1/3。
VT9和VT11的發射結面積比為8:1,VT10和VT11的發射結面積相等。
VT9和VT11的發射結電壓互相反極性串聯后加在電阻R5和R6上,因此:△UBE=(R6-2R5)I/3由上式可知,增大R5和減小R6都會使△UBE減小,但改變R5對△UBE的影響更為顯著,因為它前面的系數較大。在生產工藝中就是利用激光修正R5以進行粗調,修正R6以實現細調,最終使其輸出電流l為1μA/K。
2.2測溫電路的設計
由于AD590為電流輸出器件,因此,在設計測溫電路時,首先要將電流轉換成電壓。溫度每升高1K時,AD590的電流就增加1μA。當AD590的輸出電流通過一個10kΩ的電阻時,這個電阻上的壓降為10mV,即轉換成10mV/K,為了使此電阻精確到0.1%,可用一個9。6kΩ的電阻與一個1kΩ的精密電位器串聯,通過調節精密電位器來獲得精確的10kΩ電阻。圖5所示是一個電流→電壓和絕對→攝氏溫標的轉換電路,其中運算放大器A1被接成電壓跟隨器形式,以增加信號的輸入阻抗。而運放A2的作用是把絕對溫標轉換成攝氏溫標,給A2的同相輸入端輸入一個恒定的電壓(如1.365V),然后調節RP2將此電壓放大到2.730V。這樣,A1與A2輸出端之間的電壓即為轉換成的攝氏溫標對應的電壓。

圖5 電流→電壓和絕對→攝氏溫標的轉換電路
將AD590放入0℃的冰水混合溶液中,調節RP1使A1輸出端的電壓2.730V,調節RP2使A2的輸出電壓也為2.730V,因此A1與A2兩輸出端之間的電壓:2.730-2.730=0V,即對應于0℃。
2.3A/D轉換和顯示電路的設計
設計A/D轉換和顯示電路具有兩種方案。分述如下:
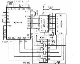
(1)用A/D轉換器MC14433實現
首先將AD590的輸出電流轉換成電壓,由于此信號為模擬信號,因此,要進行數碼顯示,還需將此信號轉換成數字信號。采用MC14433的轉換電路如圖6所示。此電路的作用是通過A/D轉換器MC14433將模擬信號轉換成數字信號,以控制顯示電路。其中MC14511為譯碼/鎖存/驅動電路,它的輸入為BCD碼,輸出為七段譯碼。LED數碼顯示由MC14433的位選信號DS1~DS4通過達林頓陣列MC1413來驅動,并由MC14433的DS1、Q2端來控制“+”、“-”溫度的顯示。當DS1=1,Q2=1時,顯示為正;Q2=0時,顯示為負。

圖6 A/D轉換和數碼顯示電路框圖
(2)用ICL7106來實現
采用ICL7106的A/D轉換及LCD顯示電路框圖如圖7所示。其中,ICL7106是3位半顯示的A/D轉換電路,它內含液晶顯示驅動電路,可用來進行A/D轉換和LCD顯示驅動。

圖7 A/D轉換及LCD顯示電路框圖
結束語
AD590具有線性優良、性能穩定、靈敏度高、無需補償、熱容量小、抗干擾能力強、可遠距離測溫且使用方便等優點??蓮V泛應用于各種冰箱、空調器、糧倉、冰庫、工業儀器配套和各種溫度的測量和控制等領域。本文基于AD590設計的數字顯示溫度計已在多處領域中應用。
電話:18923864027(同微信)
QQ:709211280
〈烜芯微/XXW〉專業制造二極管,三極管,MOS管,橋堆等,20年,工廠直銷省20%,上萬家電路電器生產企業選用,專業的工程師幫您穩定好每一批產品,如果您有遇到什么需要幫助解決的,可以直接聯系下方的聯系號碼或加QQ/微信,由我們的銷售經理給您精準的報價以及產品介紹