光耦在電路中的主要作用就是實現光電轉換、實現隔離,避免輸入、輸出之間發生互相干擾的情況。在不同的開關電源設計過程中,光耦的作用也是有所不同,與TL431結合使用,是開關電源業界減少控制成本最好的方法。
一、光耦的基本參數
圖 1中的光耦內部結構由基本的三部分組成:發光二級管、透光絕緣層、光電三極管。通過發光二極管發光,穿透絕緣層到光電轉換三極管,實現電流的傳輸、隔離特性。


圖 1
從圖 1可以看出,光耦的主要參數有:
1、電流傳輸比CTR:,發光管的電流和光敏三極管的電流比的最小值。
2、絕緣耐壓(透光絕緣層):指光耦保護相關電路及自身免受高壓導致的物理損壞能力。
3、LED的驅動電流IF:采用高效率的LED和高增益的接收放大器,可以降低驅動電流的IF,同時較小的IF電流可以降低系統的功耗,并且降低LED的衰減,提供系統長期的可靠性。
4、共模抑制比VCM:指在每微秒光耦能容許的最大共模電壓上升、下降率。這個參數主要在工業電機應用中至關重要。例如電機的啟動或者制動過程中都會帶來極大的共模噪聲。
二、光耦在開關電源中的應用
光耦的特點:具有信號單向傳輸性,從而實現輸入端與輸出端的電氣隔離,即:輸出信號對輸入端無影響,具有抗干擾能力強、工作特性穩定、高可靠性、傳輸效率高等優點,通常被應用與開關電源控制回路中。
光耦在開關電源中的典型應用原理:從輸出端采樣,獲取誤差信號,然后把信號通過轉換、隔離傳輸到輸入端IC的PWM控制器,通過調節PWM占空比的大小,實現高精度穩壓輸出。

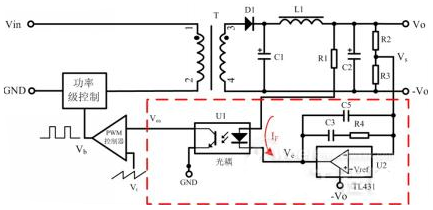
圖 2
光耦與TL431的組合使用,構成最簡單的開關電源控制回路(反饋回路),實現穩壓輸出,如圖 2所示,Vs為輸出電壓Vo分壓后的提供給TL431誤差放大器反相端的采樣型號,該采樣信號Vs通過光耦二極管、TL431、電阻R1轉換為電流信號IF,然后傳輸到光耦輸出端,形成誤差信號Vea,與PWM控制器的三角波Vt進行比較,得到矩形脈沖(具有一定占空比的PWM信號Vb),然后調節功率級器件的導通、截止時間,達到穩定輸出的目的。
三、光耦與TL431構成的反饋環路
反饋環路的穩定性對開關電源來說是非常重要的,如果沒有足夠的相位余量和增益余量,電源的動態特性就會變差或直接導致輸出振蕩,使產品損壞或者縮短使用壽命。
在設計開關電源控制回路時,要充分考慮反饋環路的穩定性,使其具有負反饋特性:為了使產品能工作在最惡劣的情況時,仍保持穩定,理論至少需要45°的相位余量。
圖 2紅框的器件要素就構成一個具有2型補償的反饋環路。TL431是開關電源次級反饋最常用的基準和誤差放大器件,其供電方式不同對它的傳遞函數有很大的影響。在研發設計階段,工程師一般都會借助環路測試儀器,調試環路的穩定性,縮短產品的開發周期,提高產品的穩定性、可靠性。
四、光耦的選擇要點
光耦在開關電源中的應用主要是提供初級輸入與次級輸出間的電氣隔離、與TL431組合的反饋控制環路,所以在電路設計時,必須遵循下列原則:
1、根據產品輸入、輸出間的隔離耐壓,選擇符合國內、國際相關隔離擊穿電壓標準的光耦;
2、電流傳輸比(CTR)的理想范圍是50%~200%。這是因為當CTR過小時,光耦中的LED需要較大的工作電流,這會增大光耦的功耗;當CTR過大時,在電路啟動或者負載突變時,有可能影響正常輸出;
3、優先選擇線性光耦,因為CTR值在一定的范圍內,具有較好的線性調整。
電話:18923864027(同微信)
QQ:709211280
〈烜芯微〉專業制造二極管,三極管,MOS管,橋堆等20年,工廠直銷省20%,上萬家電路電器生產企業選用,專業的工程師幫您穩定好每一批產品,如果您有遇到什么需要幫助解決的,可以點擊右邊的工程師,或者點擊銷售經理給您精準的報價以及產品介紹
電話:18923864027(同微信)
QQ:709211280
〈烜芯微〉專業制造二極管,三極管,MOS管,橋堆等20年,工廠直銷省20%,上萬家電路電器生產企業選用,專業的工程師幫您穩定好每一批產品,如果您有遇到什么需要幫助解決的,可以點擊右邊的工程師,或者點擊銷售經理給您精準的報價以及產品介紹