穩壓器是一種讓負載上的輸出電壓保持恒定而不隨負載電流變化的電路。例如,負載可以是微控制器系統,這就要求電源電壓保持恒定,即使其電流會隨著系統活動的變化而變化。圖1中的齊納二極管穩壓器提供了一種非常簡單的方法來將負載電壓VL保持與齊納二極管的反向擊穿電壓相同的值,只要負載電阻RL保持在高于某一下限。電壓源VIN和電阻RS通過戴維寧等效電路模擬了輸入電路特性,比如將一個高電壓(如120 V交流電源)轉換為未經調節和濾波的較低直流電壓源。
材料
ADALM2000主動學習模塊
無焊面包板
1個1 kΩ電阻(RS)
1個5 kΩ可變電阻、電位計(RL)
一個齊納二極管(1N4735或類似產品)
指導:
使用1N4735 6.2 V齊納二極管在無焊面包板上構建圖1所示電路。使用AWG1(5 V恒定)和–5 V Vn用戶電源作為直流電源VIN。RL使用各種固定和可變電阻。


圖1.齊納二極管穩壓器


圖2.齊納二極管穩壓器面包板電路
程序步驟
步驟1
對于下列值的RL,使用Scopy電壓表測量 VL以監視并報告負載電壓VL:
開路(見圖3)
10 kΩ(見圖4)
1 kΩ(見圖5)
100 Ω(見圖6)


圖3.RL = 開路齊納二極管穩壓器波形


圖4.RL = 10 kΩ齊納二極管穩壓器波形


圖5.RL = 1 kΩ齊納二極管穩壓器波形


圖6.RL = 100 Ω齊納二極管穩壓器波形
步驟2
用5 kΩ電位計替換負載RL,并調節電位計以確定VL保持在齊納電壓VZ的10%以內的RL的最小值。測量并報告設置的電位計電阻。該阻值與RS的值有何關系?
進一步探索
使用步驟2所述的操作,利用示波器通道2測量RS中的電流,并在示波器XY模式下繪制齊納二極管兩端電壓與電流的關系圖,研究齊納二極管的電流/電壓特性曲線。務必調整水平電壓范圍和偏移,以將6.2 V擊穿電壓包括在內。討論您的結果,尤其要討論齊納二極管與常規二極管的相似和不同之處。
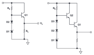
驅動更大負載電流
正如我們在圖1的簡單齊納二極管穩壓器中看到的那樣,最大負載電流由電阻RS決定。另外,相對于最大電流,該電路在較小負載電流下的效率非常低,因為當負載中的電流較小時,額外電流會流入齊納二極管。相對于如圖2所示的穩壓電路,增加一個射極跟隨器或達林頓射極跟隨電流放大器可以大大提高穩壓電路的效率。
附加材料
兩個NPN晶體管(2N3904和TIP31)
兩個小信號二極管(1N914或類似元件)


圖7.添加一個電流放大器級
指導
D1使用1N4735 6.2 V齊納二極管,Q1使用2N3904或TIP31功率晶體管,在無焊面包板上構建圖7所示的任一電路。Q2可以是2N3904,D2、D3可以是1N914。
增加二極管D2與齊納二極管串聯,用以部分抵消射極跟隨器Q1引起的額外VBE壓降。類似地,在達林頓配置中添加兩個二極管(D2、D3),同樣用來部分抵消達林頓跟隨器的兩個VBE壓降。
烜芯微專業制造二極管,三極管,MOS管,橋堆等20年,工廠直銷省20%,上萬家電路電器生產企業選用,專業的工程師幫您穩定好每一批產品,如果您有遇到什么需要幫助解決的,可以點擊右邊的工程師,或者點擊銷售經理給您精準的報價以及產品介紹
烜芯微專業制造二極管,三極管,MOS管,橋堆等20年,工廠直銷省20%,上萬家電路電器生產企業選用,專業的工程師幫您穩定好每一批產品,如果您有遇到什么需要幫助解決的,可以點擊右邊的工程師,或者點擊銷售經理給您精準的報價以及產品介紹